GM Service Manual Online
For 1990-2009 cars only
Makes
🢒
Holden
🢒
2009
🢒
Barina
🢒
Driver Information and Entertainment
🢒
Cellular, Entertainment, and Navigation
🢒 Radio/Navigation System Schematics
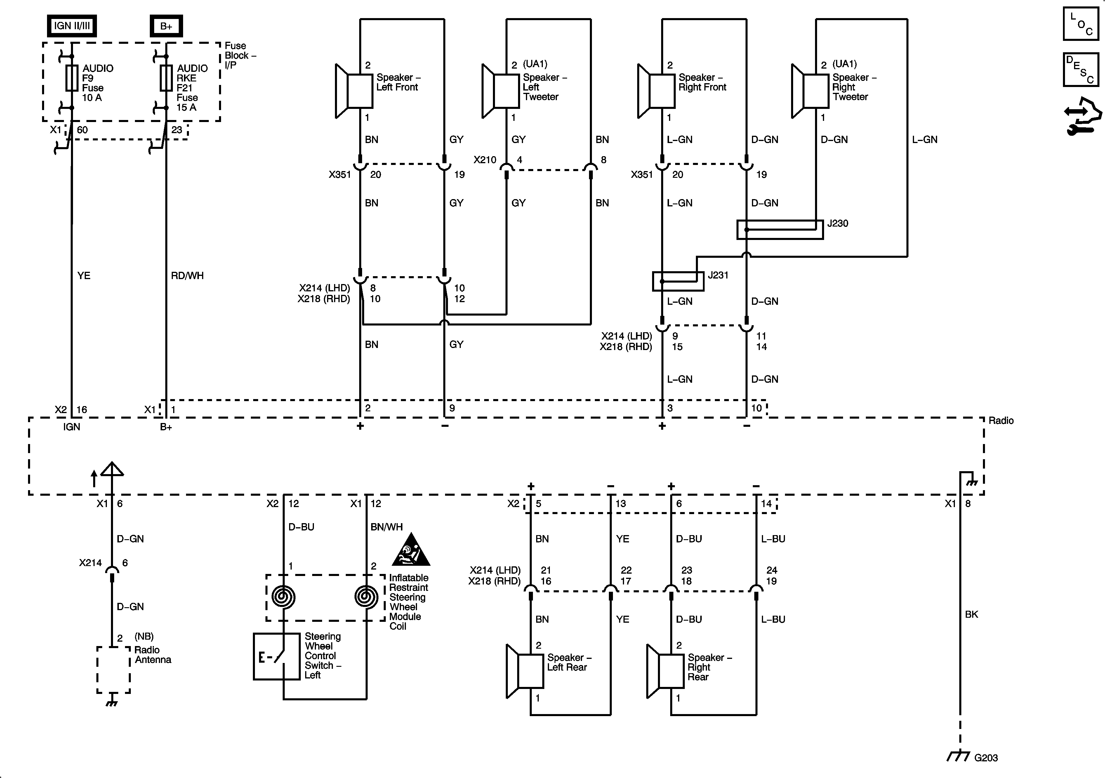
Radio