GM Service Manual Online
For 1990-2009 cars only

Data Communication Schematics without North America


Object Number: 2161348  Size: FS
Master Electrical Component List

Data Communication Schematics North America

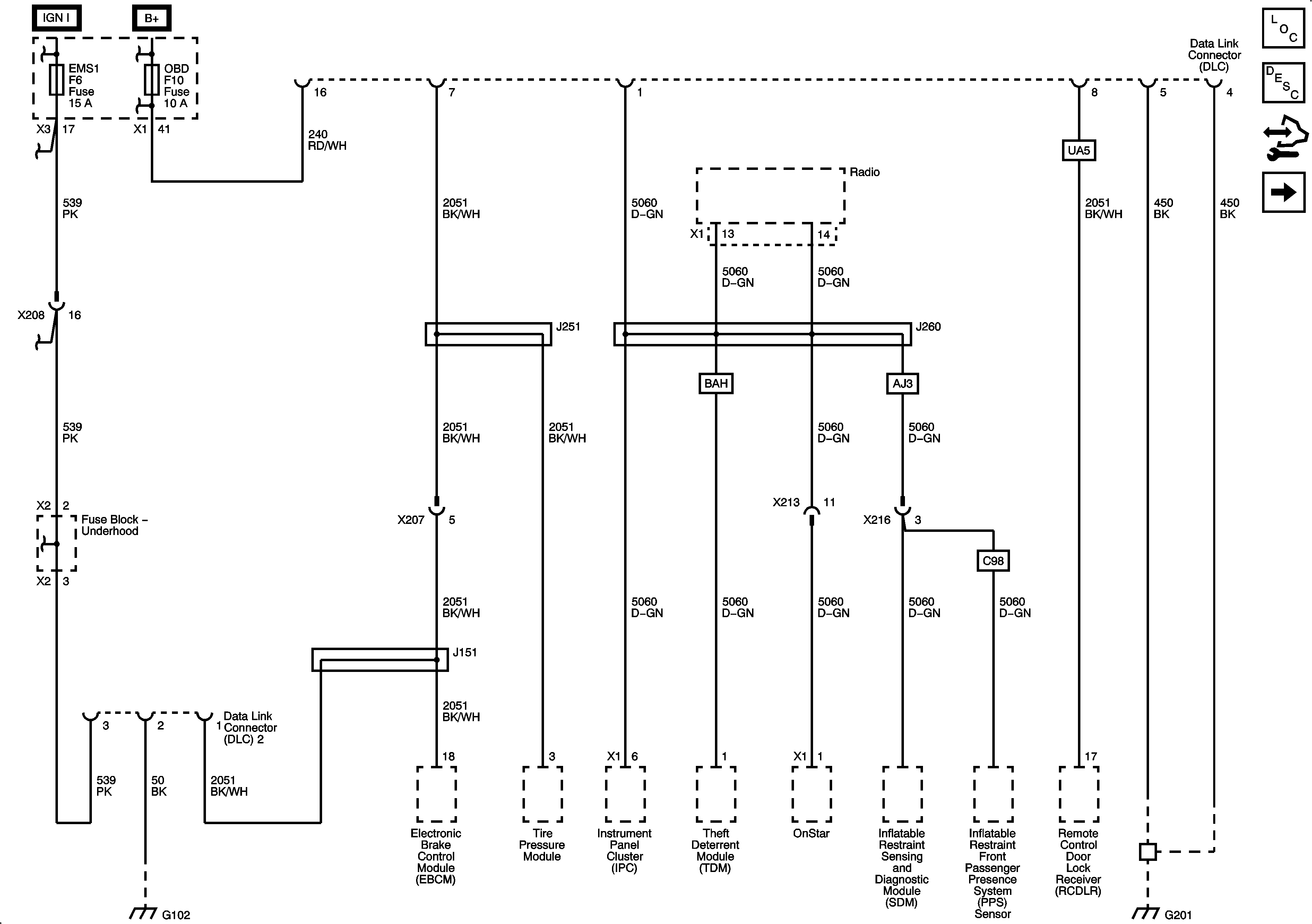
Figure 1:

Power, Ground, Data Link Connector, Low Speed GMLAN


Object Number: 2161352  Size: FS
Master Electrical Component List
Figure 2:

High Speed GMLAN


Object Number: 2161354  Size: FS
Master Electrical Component List
Figure 3:

Accesory Wake Up


Object Number: 2161356  Size: FS
Master Electrical Component List