GM Service Manual Online
For 1990-2009 cars only
Makes
🢒
Holden
🢒
2007
🢒
Captiva
🢒
Diagnostic Navigation
🢒
Vehicle Diagnostic Information
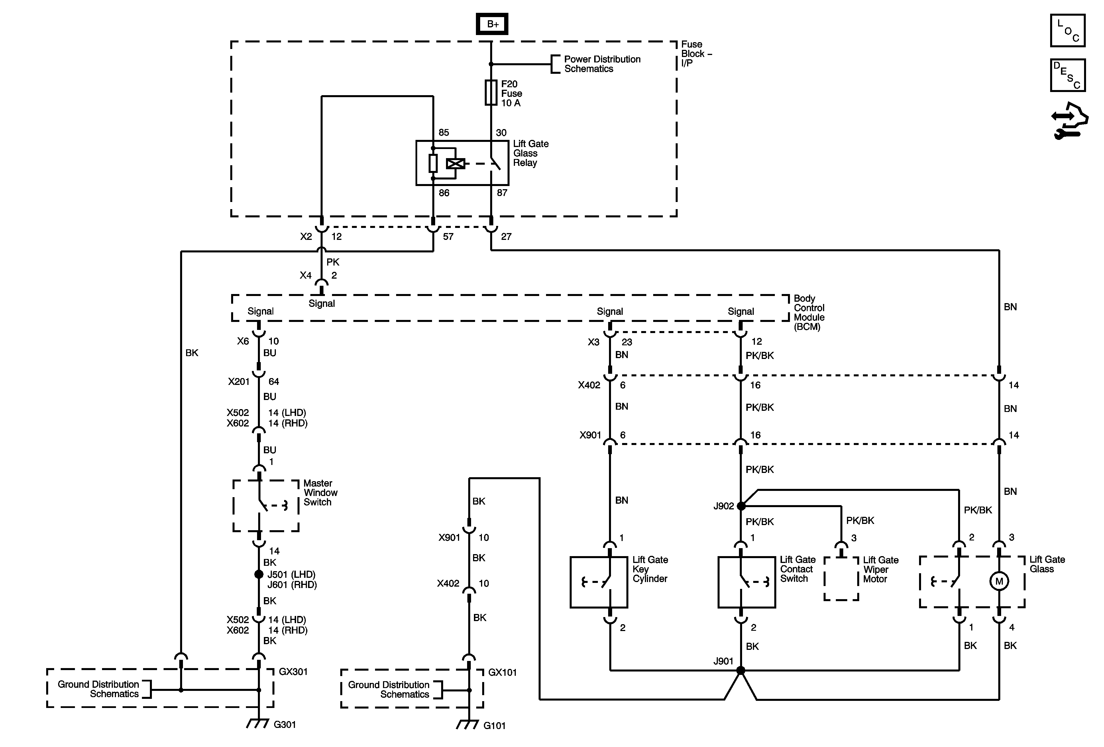
🢒 Liftgate Schematics
Liftgate Schematics C100/Long Body
Master Electrical Component List
Power Door Locks Description and Operation
Control Module References
EF7, F6, 8, 9, 13, 17, 20, 25, 27, 29 Fuses, Run/Crank, Outside Rearview Mirror, Liftgate Glass Relays
Ground Distribution G301
Ground Distribution G101, G103, G105
Liftgate Schematics C105/Short Body
Master Electrical Component List
Power Door Locks Description and Operation
Control Module References
EF30, EF31, F4, F21, F22, F23 Fuses (Short Body)
Ground Distribution G402