GM Service Manual Online
For 1990-2009 cars only
Makes
🢒
Holden
🢒
2007
🢒
Captiva
🢒
Driver Information and Entertainment
🢒
Cellular, Entertainment, and Navigation
🢒 Radio/Navigation System Schematics
Radio/Navigation System Schematics C100/Long Body
Figure
1:
Power, Ground, Antenna, Steering Wheel Controls
Master Electrical Component List
Radio/Audio System Operation-RDS Functions
Control Module References
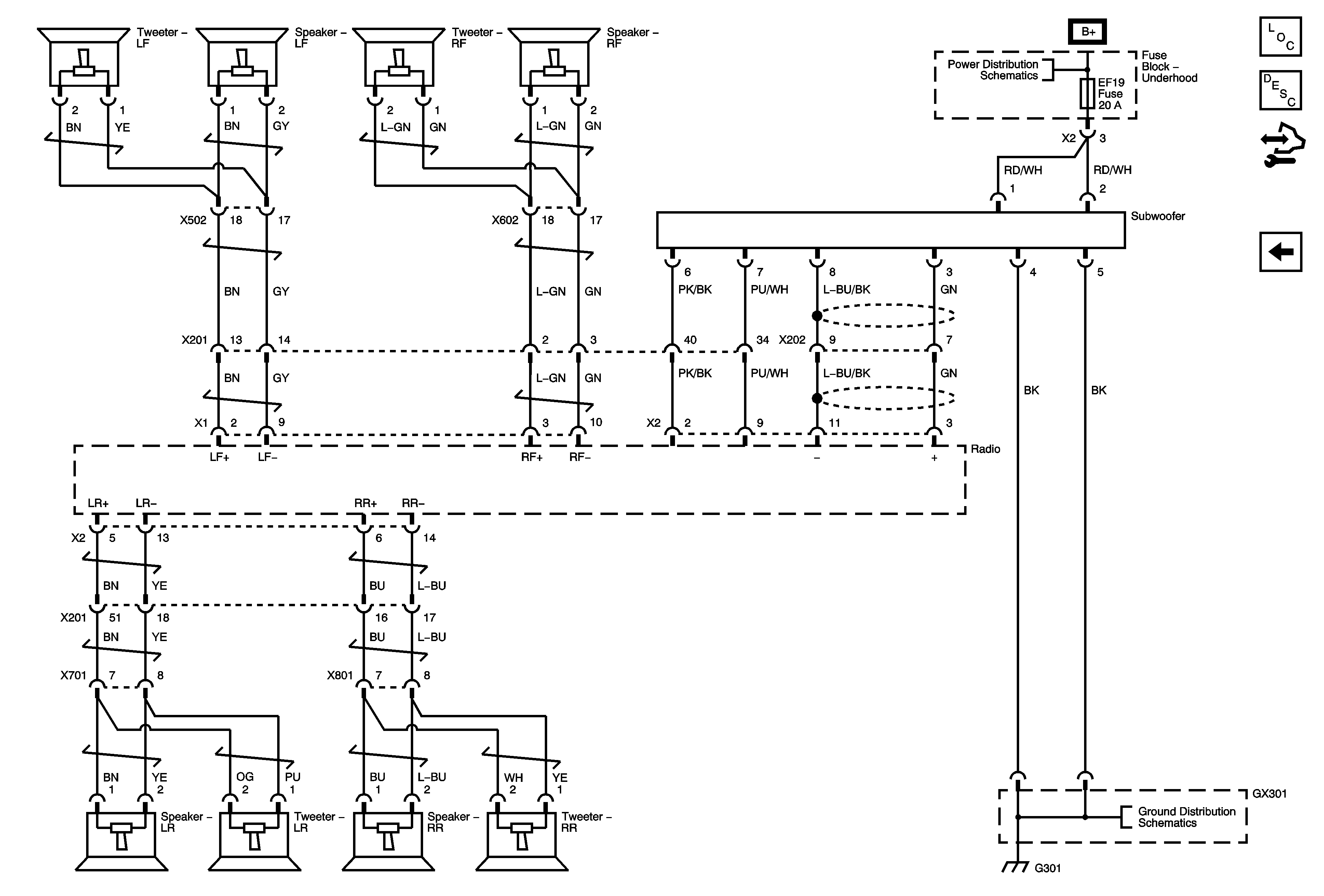
Speakers, Subwoofer
F3, 5, 28, 32, 34 Fuses, Front Washer Pump Relay
EF3, F1, 2, 10, 15, 18, 30, 33, 39 Fuses, Run, ACC/RAP Relays
Figure
2:
Speakers, Subwoofer
Master Electrical Component List
Radio/Audio System Operation-RDS Functions
Control Module References
Power, Ground, Antenna, Steering Wheel Controls
EF2, F11, 12, 14, 16, 19, 24, 26, 31, 35 Fuses
Ground Distribution G301
Radio/Navigation System Schematics C105/Short Body
Figure
1:
Entertainment Schematics - Short Body (1 of 2)
Master Electrical Component List
Radio/Audio System Operation-RDS Functions
Control Module References
Entertainment Schematics - Short Body (2 of 2)
F3, 5, 28, 32, 34 Fuses, Front Washer Pump Relay
Figure
2:
Entertainment Schematics - Short Body (2 of 2)
Master Electrical Component List
Radio/Audio System Operation-RDS Functions
Control Module References
Entertainment Schematics - Short Body (1 of 2)