GM Service Manual Online
For 1990-2009 cars only
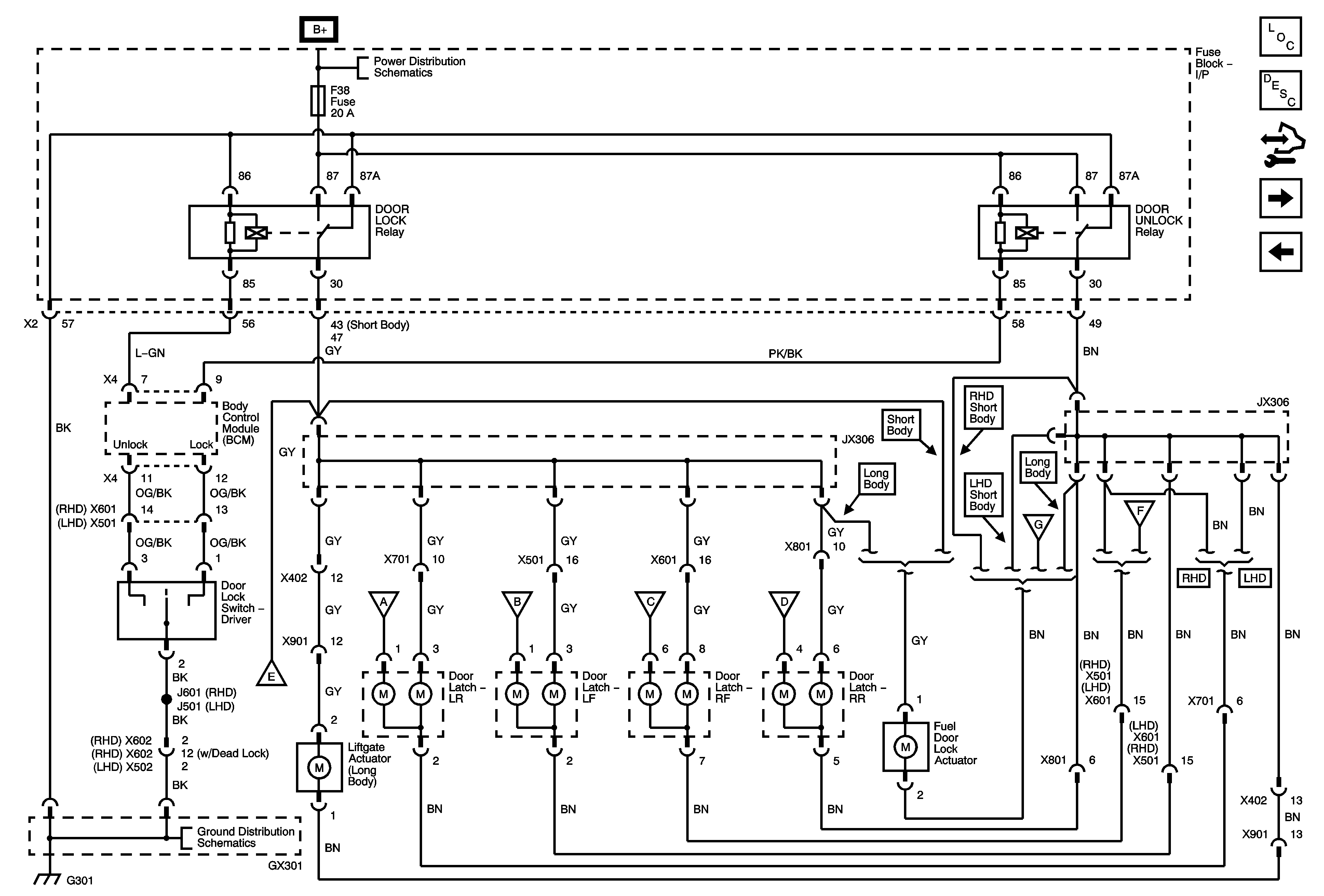
Figure 1:

Door Latches


Object Number: 1825726  Size: FS
Figure 2:

Remote Control Door Lock Receiver, Theft Deterent Control Module, Intrusion Sensor


Object Number: 1827196  Size: FS
Figure 3:

Door Actuators


Object Number: 1825727  Size: FS
Figure 4:

Central/Dead Locking


Object Number: 1825728  Size: FS