GM Service Manual Online
For 1990-2009 cars only
Figure 1:

G101, G106, G107


Object Number: 2078750  Size: FS
Figure 2:

G102


Object Number: 2078755  Size: FS
Figure 3:

G104


Object Number: 2078757  Size: FS
Figure 4:

G103, G105, G108 (Diesel), G201


Object Number: 2078758  Size: FS
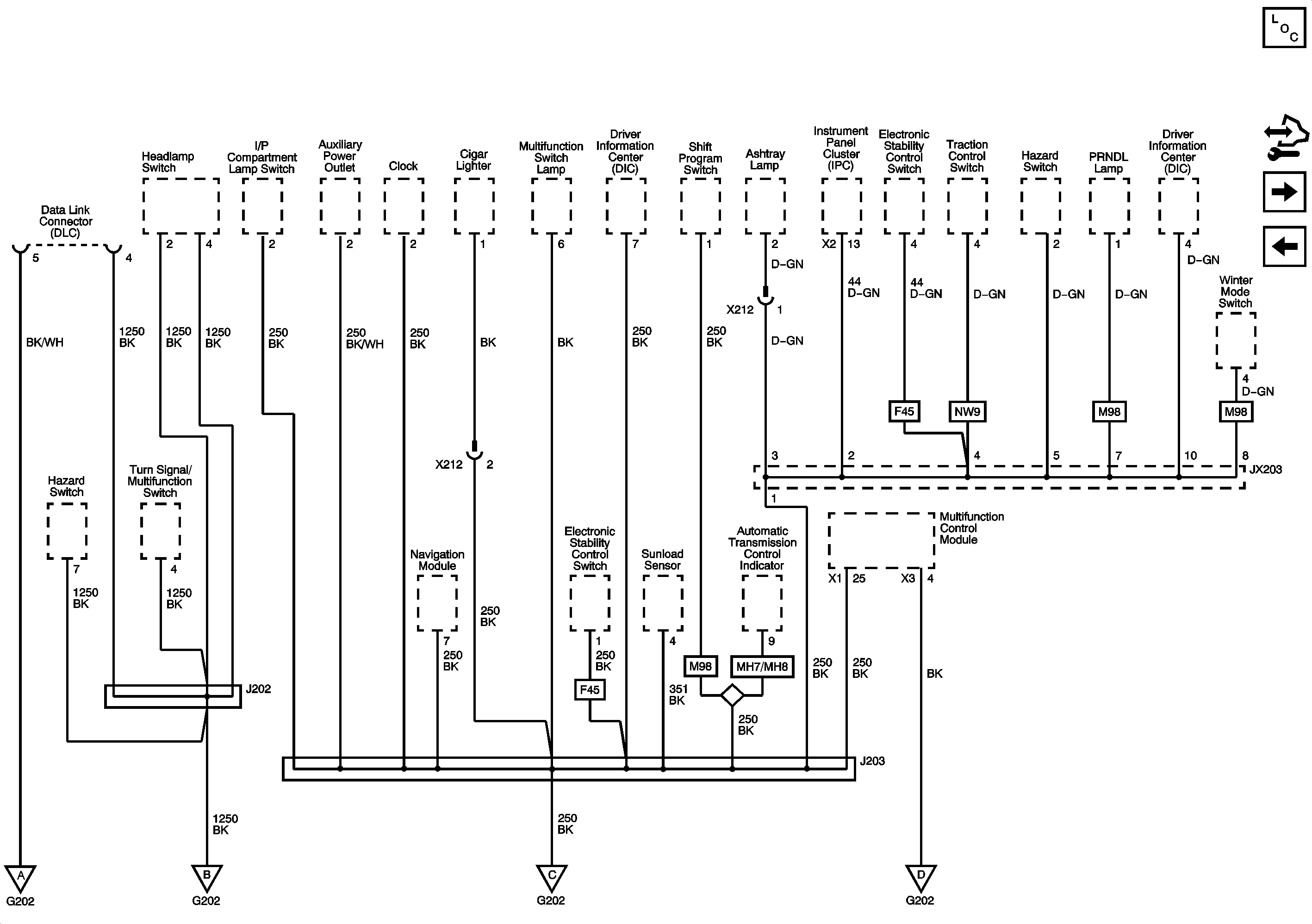
Figure 5:

G202 - 1 of 2


Object Number: 2078759  Size: FS
Figure 6:

G202 - 2 of 2


Object Number: 2078761  Size: FS
Figure 7:

G203, G204


Object Number: 2078762  Size: FS
Figure 8:

G301 (LHD)


Object Number: 2078774  Size: FS
Figure 9:

G301 (RHD)


Object Number: 2078777  Size: FS
Figure 10:

G302 (LHD)


Object Number: 2078778  Size: FS
Figure 11:

G302 (RHD)


Object Number: 2078779  Size: FS
Figure 12:

G303


Object Number: 2078780  Size: FS
Figure 13:

G401


Object Number: 2078782  Size: FS