GM Service Manual Online
For 1990-2009 cars only
Makes
🢒
Holden
🢒
2008
🢒
Lumina Ute
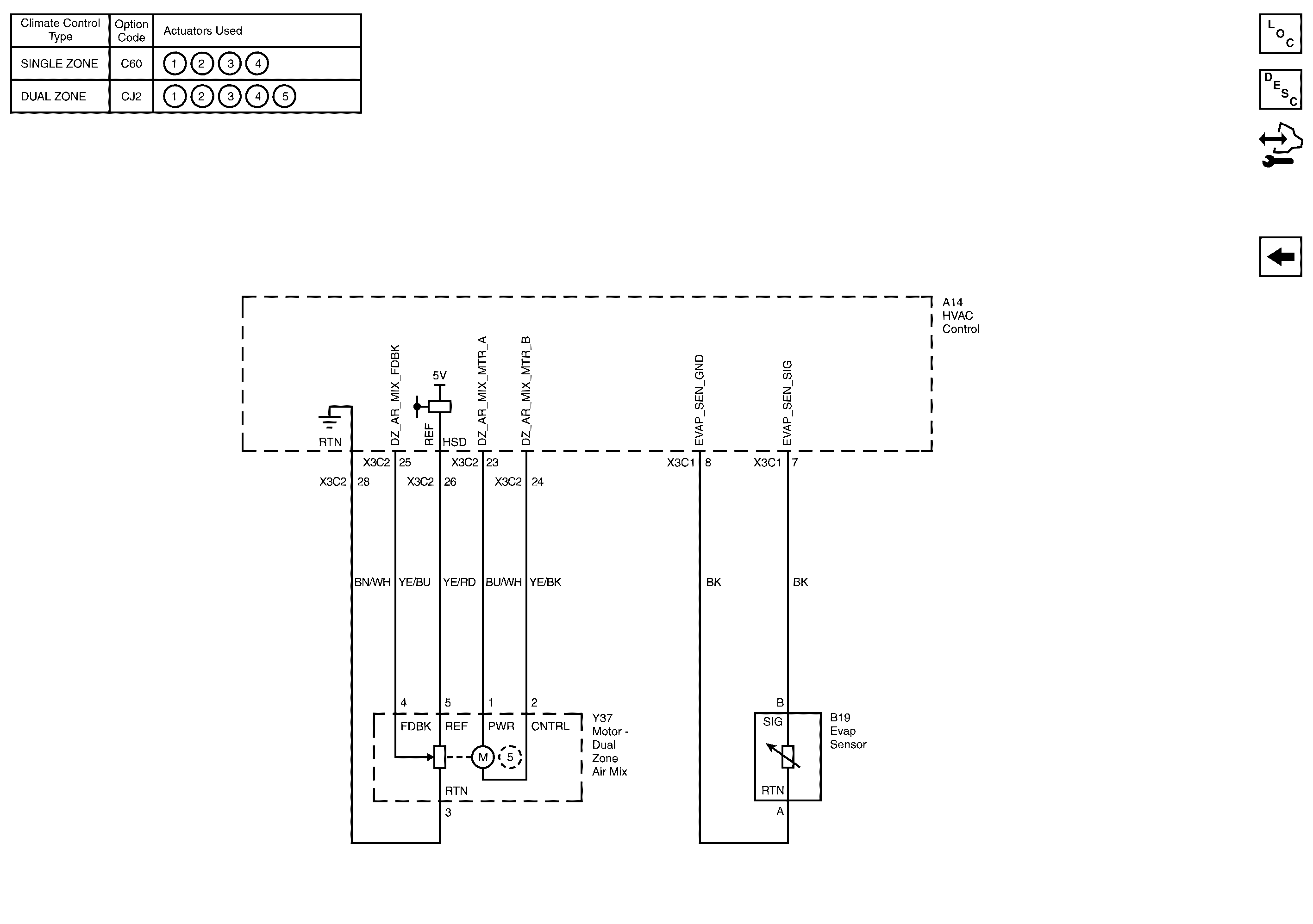
🢒 HVAC Actuators and Evap Sensor
HVAC Actuators and Evap Sensor
HVAC Actuators and Evap Sensor
Master Electrical Component List
Automatic HVAC Description and Operation
Transmission Component and System Description
Control Module References
HVAC Actuators