GM Service Manual Online
For 1990-2009 cars only
Makes
🢒
Holden
🢒
2008
🢒
Lumina Ute
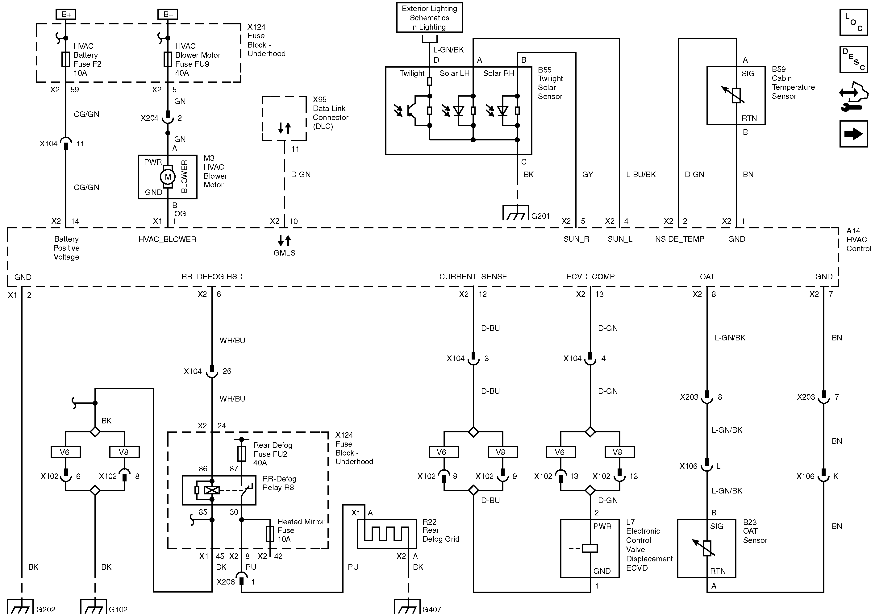
🢒 HVAC Module, Power, Ground, Serial Data, Inputs and Outputs
HVAC Module, Power, Ground, Serial Data, Inputs and Outputs
HVAC Module, Power, Ground, Serial Data, Inputs and Outputs
Master Electrical Component List
Automatic HVAC Description and Operation
Control Module References
HVAC Actuators
ABS Motor, ABS Valves, HVAC Blower, HVAC Batt and TCM Fuses
ABS Motor, ABS Valves, HVAC Blower, HVAC Batt and TCM Fuses
Headlamps and Turn Signal Multifuction Switcher and Ambient Light Sensors
G202
G102 and G310