GM Service Manual Online
For 1990-2009 cars only
Makes
🢒
Isuzu
🢒
2006
🢒
Ascender - 2WD
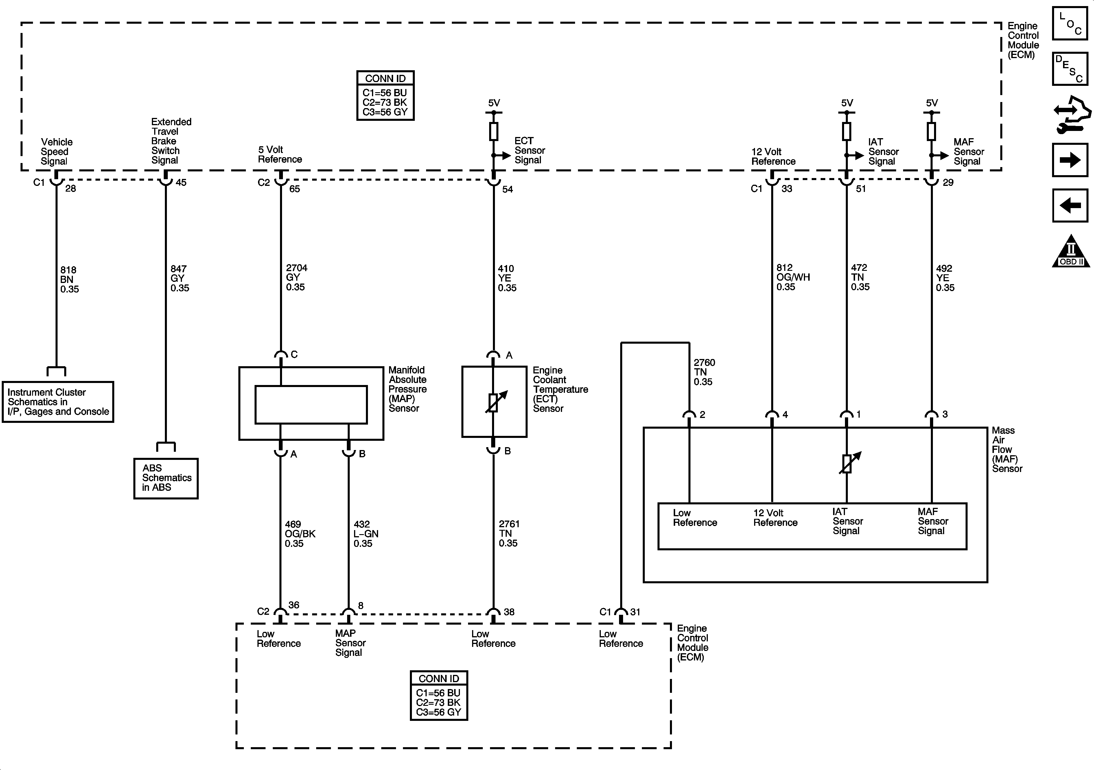
🢒 Engine Data Sensors-Pressure, Temp, MAF, VSS, and Extended Travel Brake Switch
Engine Data Sensors-Pressure, Temp, MAF, VSS, and Extended Travel Brake Switch
Engine Data Sensors - Pressure, Temperature, MAF, VSS and Extended Travel Brake Switch
Master Electrical Component List
Engine Control Module Description
Control Module References
Engien Data Sensors-Oxygen Sensors
Data Sensors-5 Volt and Low Reference
Engine Controls Schematic Icons
Gages
Indicator, Traction Control, and Brake Pedal Position