GM Service Manual Online
For 1990-2009 cars only
Makes
🢒
Isuzu
🢒
2006
🢒
Ascender - 2WD
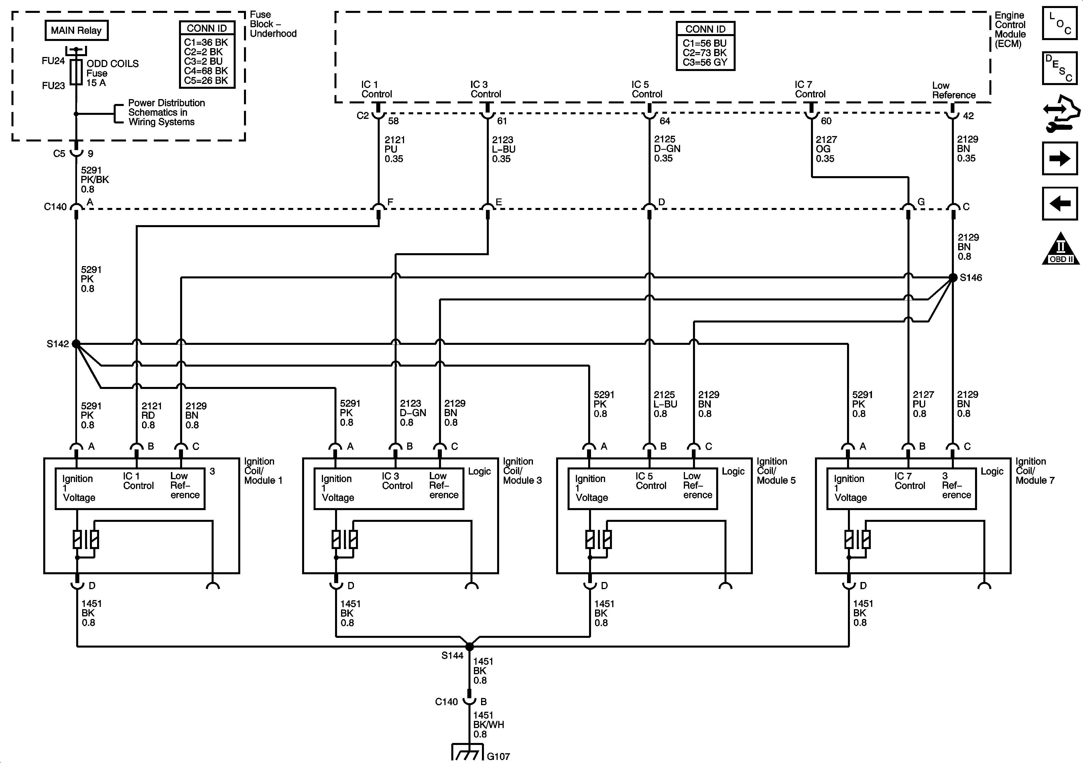
🢒 Ignition Controls-Bank 1 Ignition Coils
Ignition Controls-Bank 1 Ignition Coils
Ignition Controls - Bank 1 Ignition Coils
Master Electrical Component List
Electronic Ignition (EI) System Description
Control Module References
Ignition Controls-Bank 2 Ignition Coils
Engine Data Sensors-Electronic Throttle Controls
Engine Controls Schematic Icons
Cooling Fans
EVEN COILS, ODD COILS, and POST 02 Fuses
G102, 105, 107, 108, 109, 110