GM Service Manual Online
For 1990-2009 cars only
Makes
🢒
Isuzu
🢒
2006
🢒
Ascender - 2WD
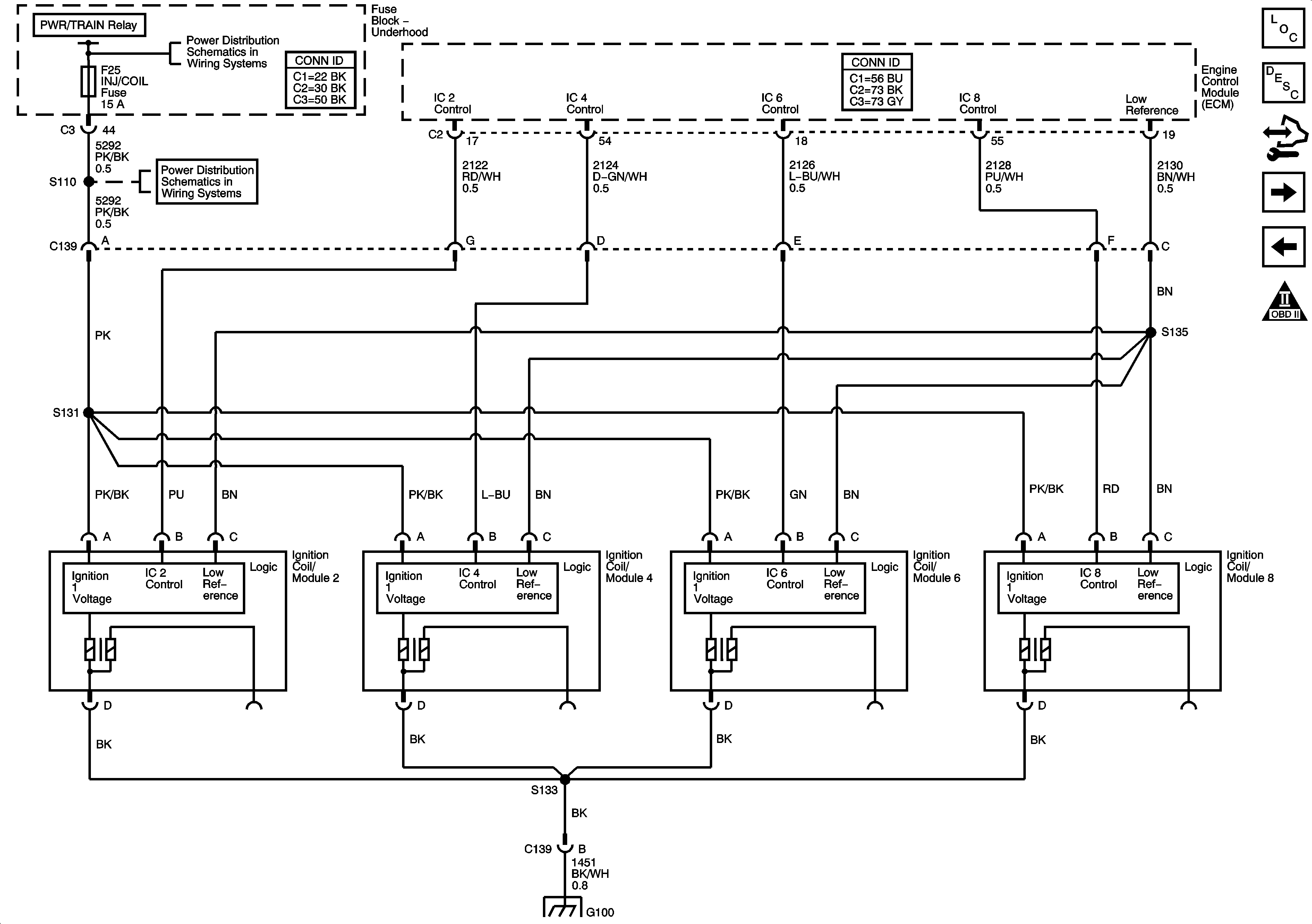
🢒 Ignition Controls 2 of 2
Ignition Controls 2 of 2
Ignition Controls - 2 of 2
Master Electrical Component List
Electronic Ignition (EI) System Description
Control Module References
CKP, CMP, Knock Sensors
Ignition Controls 1 of 2
Engine Controls Schematic Icons
Underhood Fuse Block B+ Bus
Underhood Fuse Block - AIR PUMP, AIR/SOL, A/C, COOL/FAN 2, COOL/FAN, COOL FAN 1 Relays, INJ/COIL, OXY PST Fuses
G100, G112