GM Service Manual Online
For 1990-2009 cars only
Makes
🢒
Isuzu
🢒
2004
🢒
Ascender - 4WD
🢒 Heat Controls
Heat Controls
Heat Controls
Master Electrical Component List
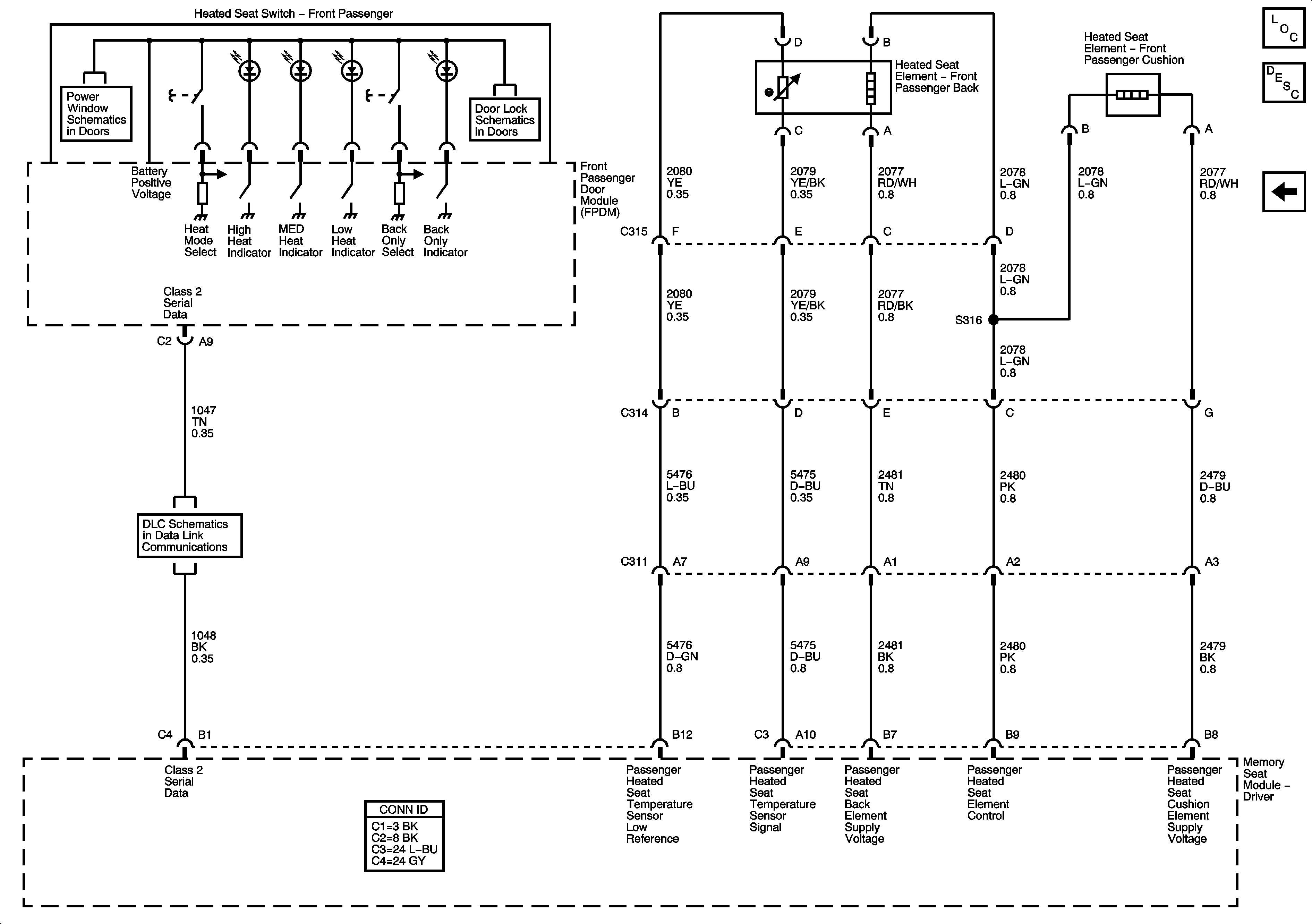
Heated Seats Description and Operation
Lumbar Controls
Right
Front Doors and Liftgate
SP306