GM Service Manual Online
For 1990-2009 cars only
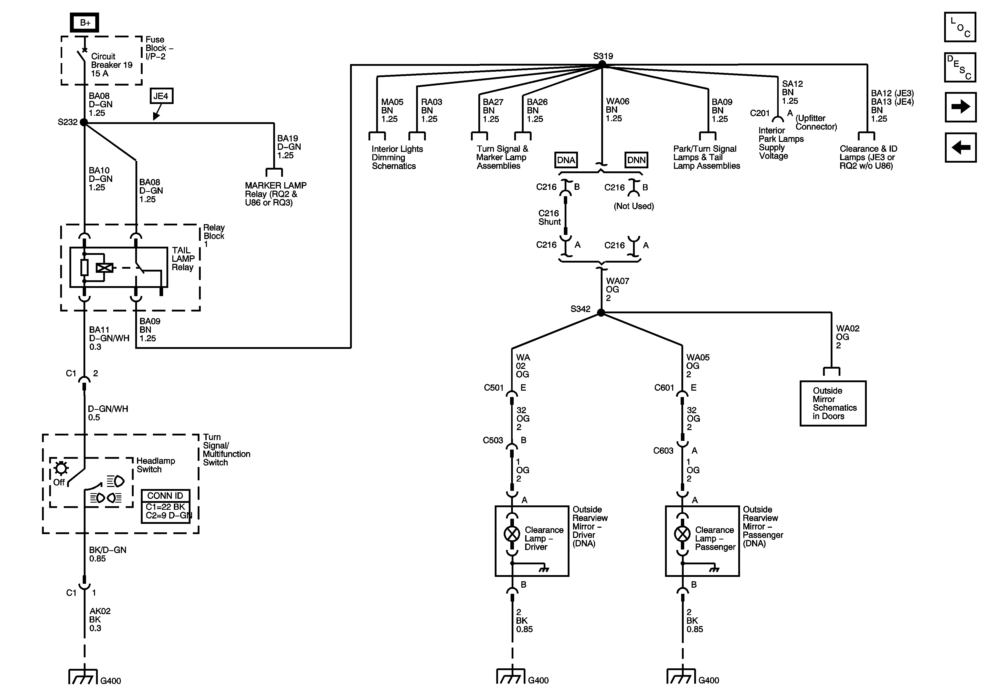
Figure 1:

Clearance, Identification (ID) and Marker Lamps


Object Number: 1272894  Size: FS
Master Electrical Component List
Exterior Lighting Systems Description and Operation
Outside Rearview Mirrors (DNA)
Fuse Block 1: Fuse 1 and Fuse Block - I/P - 2: Circuit Breakers 14, 15, 16 and 19
I/P Dimmer Switch and Splice SP301
Turn Signal/Hazard Lamps - Left
Park and Tail Lamps
Outside Rearview Mirrors (DNA)
Turn Signal/Hazard Lamps - Right
Fuse Block 1: Fuse 5 and Fuse Block - I/P - 1: Circuit Breakers 5, 9 - 1 of 2 and 10
Fuse Block 1: Fuse 5 and Fuse Block - I/P - 1: Circuit Breakers 5, 9 - 1 of 2 and 10
Splices S305 and S500
Splices S310, S348, S349, S359, S360, and S600
Splices S302 and S303
Splices S305 and S500
Splices S310, S348, S349, S359, S360, and S600
Splices S310, S348, S349, S359, S360, and S600
Splices S310, S348, S349, S359, S360, and S600
Splices S310, S348, S349, S359, S360, and S600
Splices S310, S348, S349, S359, S360, and S600
Splices S310, S348, S349, S359, S360, and S600
Figure 2:

Outside Rearview Mirrors (DNA)


Object Number: 1272898  Size: FS
Master Electrical Component List
Exterior Lighting Systems Description and Operation
Park and Tail Lamps
Clearance, Identification (ID) and Marker Lamps
Fuse Block 1: Fuse 1 and Fuse Block - I/P - 2: Circuit Breakers 14, 15, 16 and 19
Clearance, Identification (ID) and Marker Lamps
I/P Dimmer Switch and Splice SP301
Clearance, Identification (ID) and Marker Lamps
Park and Tail Lamps
Clearance, Identification (ID) and Marker Lamps
Splices S305 and S500
Splices S305 and S500
Splices S310, S348, S349, S359, S360, and S600
Outside Mirror Schematics
Figure 3:

Park and Tail Lamps


Object Number: 1272879  Size: FS
Master Electrical Component List
Exterior Lighting Systems Description and Operation
Turn Signal/Hazard Lamps - Left
Outside Rearview Mirrors (DNA)
Fuse Block 1: Fuse 1 and Fuse Block - I/P - 2: Circuit Breakers 14, 15, 16 and 19
Clearance, Identification (ID) and Marker Lamps
I/P Dimmer Switch and Splice SP301
Clearance, Identification (ID) and Marker Lamps
Outside Rearview Mirrors (DNA)
Clearance, Identification (ID) and Marker Lamps
Turn Signal/Hazard Lamps - Left
Turn Signal/Hazard Lamps - Right
Turn Signal/Hazard Lamps - Left
Turn Signal/Hazard Lamps - Right
Splices S305 and S500
Backup Lamps and Backup Alarm (UZF)
Grounds G410 and G411 and Splices S101, S105 and S107
Backup Lamps and Backup Alarm (UZF)
Grounds G100, G101, G102, G103, G107, G108, G114, G208, G209, G210, G214, G501, G502, G601 and G602 and Splices S103, S109, S152 and S402
Figure 4:

Turn Signal/Hazard Lamps - Left


Object Number: 1527170  Size: FS
Master Electrical Component List
Exterior Lighting Systems Description and Operation
Turn Signal/Hazard Lamps - Right
Park and Tail Lamps
Fuse Block 2: Fuses 9, 11, 12, 13 and 14, Fuse Block - I/P - 1: Circuit Breaker 11 and Fuse Block - I/P - 2: Circuit Breakers 25 and 26
Fuse Block 2: Fuses 9, 11, 12, 13 and 14, Fuse Block - I/P - 1: Circuit Breaker 11 and Fuse Block - I/P - 2: Circuit Breakers 25 and 26
Fuse Block 2: Fuses 9, 11, 12, 13 and 14, Fuse Block - I/P - 1: Circuit Breaker 11 and Fuse Block - I/P - 2: Circuit Breakers 25 and 26
Fuse Block 2: Fuses 9, 11, 12, 13 and 14, Fuse Block - I/P - 1: Circuit Breaker 11 and Fuse Block - I/P - 2: Circuit Breakers 25 and 26
Clearance, Identification (ID) and Marker Lamps
Backup Lamps and Backup Alarm (UZF)
Splices S305 and S500
Grounds G100, G101, G102, G103, G107, G108, G114, G208, G209, G210, G214, G501, G502, G601 and G602 and Splices S103, S109, S152 and S402
Grounds G410 and G411 and Splices S101, S105 and S107
Splices S305 and S500
Batteries, Grounds G400 and G402, Splices S113, S120, S121, S123, S124, S202 and S211 and Splice Pack SP400
Splices S310, S348, S349, S359, S360, and S600
Clearance, Identification (ID) and Marker Lamps
Indicators and Illumination
Figure 5:

Turn Signal/Hazard Lamps - Right


Object Number: 1527171  Size: FS
Master Electrical Component List
Exterior Lighting Systems Description and Operation
Stop Lamps
Turn Signal/Hazard Lamps - Left
Fuse Block 2: Fuses 9, 11, 12, 13 and 14, Fuse Block - I/P - 1: Circuit Breaker 11 and Fuse Block - I/P - 2: Circuit Breakers 25 and 26
Fuse Block 2: Fuses 9, 11, 12, 13 and 14, Fuse Block - I/P - 1: Circuit Breaker 11 and Fuse Block - I/P - 2: Circuit Breakers 25 and 26
Fuse Block 2: Fuses 9, 11, 12, 13 and 14, Fuse Block - I/P - 1: Circuit Breaker 11 and Fuse Block - I/P - 2: Circuit Breakers 25 and 26
Clearance, Identification (ID) and Marker Lamps
Backup Lamps and Backup Alarm (UZF)
Splices S305 and S500
Grounds G100, G101, G102, G103, G107, G108, G114, G208, G209, G210, G214, G501, G502, G601 and G602 and Splices S103, S109, S152 and S402
Grounds G410 and G411 and Splices S101, S105 and S107
Splices S310, S348, S349, S359, S360, and S600
Batteries, Grounds G400 and G402, Splices S113, S120, S121, S123, S124, S202 and S211 and Splice Pack SP400
Splices S310, S348, S349, S359, S360, and S600
Clearance, Identification (ID) and Marker Lamps
Indicators and Illumination
Figure 6:

Stop Lamps


Object Number: 1524278  Size: FS
Master Electrical Component List
Exterior Lighting Systems Description and Operation
Backup Lamps and Backup Alarm (UZF)
Turn Signal/Hazard Lamps - Right
Fuse Block 1: Fuse 5 and Fuse Block - I/P - 1: Circuit Breakers 5, 9 - 1 of 2 and 10
Fuse Block 2: Fuses 9, 11, 12, 13 and 14, Fuse Block - I/P - 1: Circuit Breaker 11 and Fuse Block - I/P - 2: Circuit Breakers 25 and 26
Fuse Block 2: Fuses 9, 11, 12, 13 and 14, Fuse Block - I/P - 1: Circuit Breaker 11 and Fuse Block - I/P - 2: Circuit Breakers 25 and 26
Fuse Block 2: Fuses 9, 11, 12, 13 and 14, Fuse Block - I/P - 1: Circuit Breaker 11 and Fuse Block - I/P - 2: Circuit Breakers 25 and 26
Fuse Block 2: Fuses 9, 11, 12, 13 and 14, Fuse Block - I/P - 1: Circuit Breaker 11 and Fuse Block - I/P - 2: Circuit Breakers 25 and 26
Fuse Block 2: Fuses 9, 11, 12, 13 and 14, Fuse Block - I/P - 1: Circuit Breaker 11 and Fuse Block - I/P - 2: Circuit Breakers 25 and 26
Fuse Block 1: Fuse 5 and Fuse Block - I/P - 1: Circuit Breakers 5, 9 - 1 of 2 and 10
Splices S310, S348, S349, S359, S360, and S600
Grounds G410 and G411 and Splices S101, S105 and S107
Backup Lamps and Backup Alarm (UZF)
Backup Lamps and Backup Alarm (UZF)
Figure 7:

Backup Lamps and Backup Alarm (UZF)


Object Number: 1523310  Size: FS
Master Electrical Component List
Exterior Lighting Systems Description and Operation
Tractor/Trailer Receptacle (JE4, RQ2 and U86 or JE4 and RQ3) and Tractor/Trailer Plug (VPG)
Stop Lamps
Fuse Block 1: Fuse 5 and Fuse Block - I/P - 1: Circuit Breakers 5, 9 - 1 of 2 and 10
Fuse Block 1: Fuse 5 and Fuse Block - I/P - 1: Circuit Breakers 5, 9 - 1 of 2 and 10
Fuse Block 1: Fuse 5 and Fuse Block - I/P - 1: Circuit Breakers 5, 9 - 1 of 2 and 10
Park and Tail Lamps
Park and Tail Lamps
Grounds G100, G101, G102, G103, G107, G108, G114, G208, G209, G210, G214, G501, G502, G601 and G602 and Splices S103, S109, S152 and S402
Figure 8:

Tractor/Trailer Receptacle (JE4, RQ2 and U86 or JE4 and RQ3) and Tractor Trailer Plug (VPG)


Object Number: 1527202  Size: FS
Master Electrical Component List
Exterior Lighting Systems Description and Operation
Backup Lamps and Backup Alarm (UZF)
Fuse Block 2: Fuses 9, 11, 12, 13 and 14, Fuse Block - I/P - 1: Circuit Breaker 11 and Fuse Block - I/P - 2: Circuit Breakers 25 and 26
Fuse Block 2: Fuses 9, 11, 12, 13 and 14, Fuse Block - I/P - 1: Circuit Breaker 11 and Fuse Block - I/P - 2: Circuit Breakers 25 and 26
Clearance, Identification (ID) and Marker Lamps
Turn Signal/Hazard Lamps - Left
Stop Lamps
Turn Signal/Hazard Lamps - Right
Park and Tail Lamps
Batteries, Grounds G400 and G402, Splices S113, S120, S121, S123, S124, S202 and S211 and Splice Pack SP400