GM Service Manual Online
For 1990-2009 cars only
Makes
🢒
Isuzu
🢒
2006
🢒
Isuzu MD F-Series
🢒
Brakes
🢒
Air Brakes
🢒 Air Brake System Schematics
Figure
1:
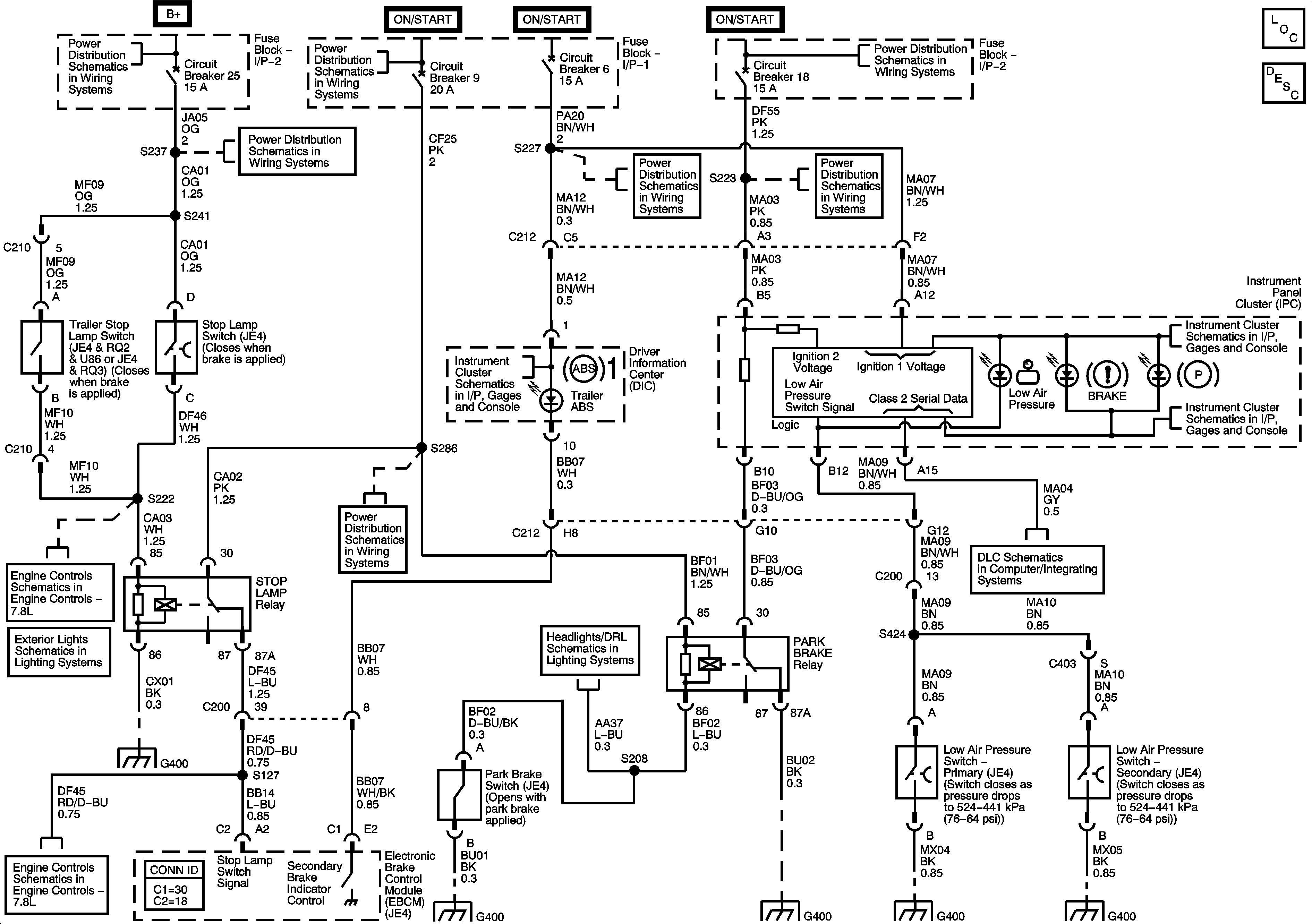
Brake Warning Indicators
Master Electrical Component List
Brake Warning System Description and Operation
Air Brake Dryer
Fuse Block 2: Fuses 9, 11, 12, 13 and 14, Fuse Block - I/P - 1: Circuit Breaker 11 and Fuse Block - I/P - 2: Circuit Breakers 25 and 26
Fuse Block 1: Fuse 5 and Fuse Block - I/P - 1: Circuit Breakers 5, 9 - 1 of 2 and 10
Fuse Block - I/P - 1: Circuit Breaker 6
Fuse Block 1: Fuses 6 and 7, Fuse Block 2: Fuse 8 and Fuse Block - I/P - 2: Circuit Breake
Fuse Block 2: Fuses 9, 11, 12, 13 and 14, Fuse Block - I/P - 1: Circuit Breaker 11 and Fuse Block - I/P - 2: Circuit Breakers 25 and 26
Fuse Block 2: Fuses 9, 11, 12, 13 and 14, Fuse Block - I/P - 1: Circuit Breaker 11 and Fuse Block - I/P - 2: Circuit Breakers 25 and 26
Fuse Block - I/P - 1: Circuit Breaker 6
Fuse Block 1: Fuses 6 and 7, Fuse Block 2: Fuse 8 and Fuse Block - I/P - 2: Circuit Breake
Driver Information Center (DIC)
Controlled/Monitored Subsystem References
Stop Lamps
Splices S310, S348, S349, S359, S360, and S600
Controlled/Monitored Subsystem References
Fuse Block 1: Fuse 5 and Fuse Block - I/P - 1: Circuit Breakers 5, 9 - 1 of 2 and 10
1 of 2
Splice Pack SP211
Splices S310, S348, S349, S359, S360, and S600
Grounds G410 and G411 and Splices S101, S105 and S107
Grounds G100, G101, G102, G103, G107, G108, G114, G208, G209, G210, G214, G501, G502, G601 and G602 and Splices S103, S109, S152 and S402
Controller Area Network (CAN) Connector and Data Link Connector (DLC)
Indicators and Illumination
Indicators and Illumination
Figure
2:
Air Brake Dryer
Master Electrical Component List
Air Dryer Description and Operation
Brake Warning Indicators
Fuse Block 1: Fuse 5 and Fuse Block - I/P - 1: Circuit Breakers 5, 9 - 1 of 2 and 10
Fuse Block 1: Fuse 5 and Fuse Block - I/P - 1: Circuit Breakers 5, 9 - 1 of 2 and 10
Fuse Block - I/P - 1: Circuit Breaker 9 - 2 of 2
Grounds G410 and G411 and Splices S101, S105 and S107