GM Service Manual Online
For 1990-2009 cars only
Makes
🢒
Isuzu
🢒
2006
🢒
Isuzu MD F-Series
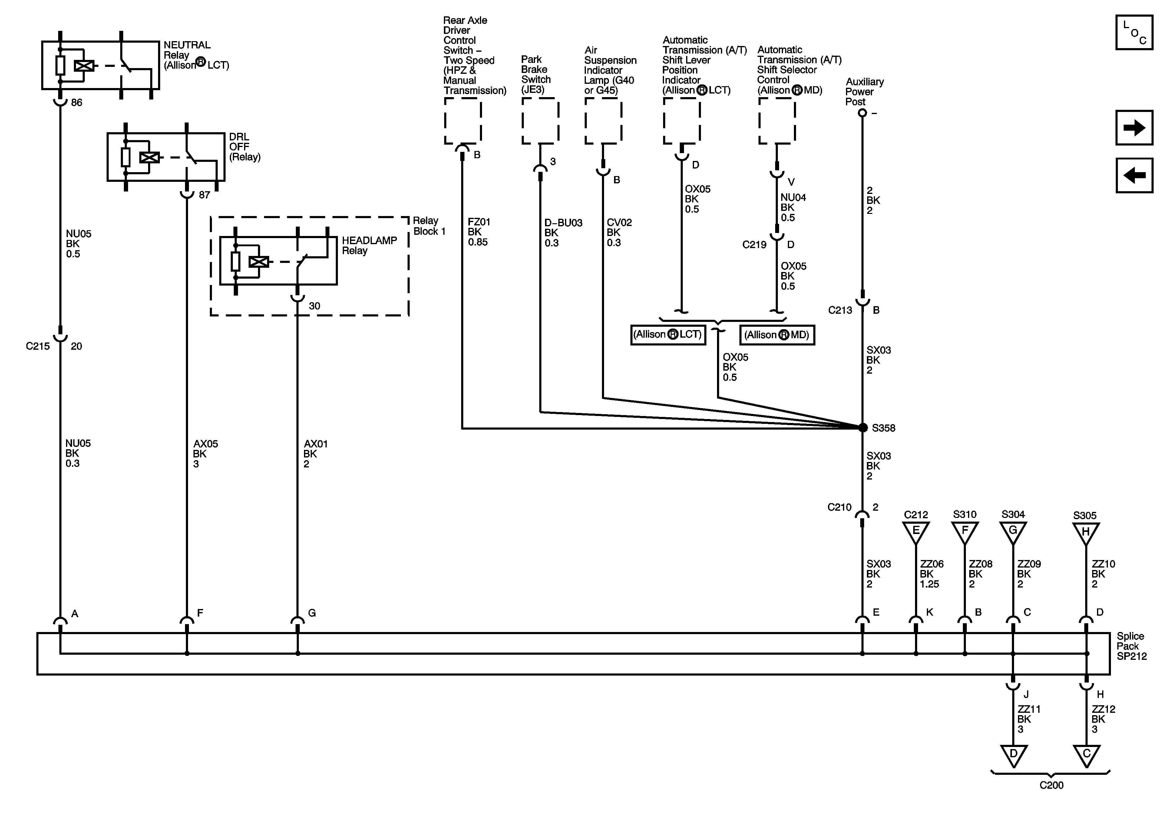
🢒 Splice S358 and Splice Pack SP212
Splice S358 and Splice Pack SP212
Splice S358 and Splice Pack SP212
Master Electrical Component List
Splices S302 and S303
Grounds G410 and G411 and Splices S101, S105 and S107
Splices S310, S348, S349, S359, S360, and S600
Splices S305 and S500
Splices S302 and S303
Splice Pack SP211
Grounds G410 and G411 and Splices S101, S105 and S107
Grounds G410 and G411 and Splices S101, S105 and S107