GM Service Manual Online
For 1990-2009 cars only
Figure 1:

Battery Supply and B+ Bus


Object Number: 1842486  Size: FS
Master Electrical Component List
Control Module References
Fuse Block 1: Fuse 1 and Fuse Block I/P 2: Circuit Breakers 14, 15, 16, and 19
Figure 2:

Fuse Block 1: Fuse 1 and Fuse Block I/P 2: Circuit Breakers 14, 15, 16, and 19


Object Number: 1842488  Size: FS
Master Electrical Component List
Control Module References
Fuse Block 1: Fuse 2 and Fuse Block I/P 1: Circuit Breakers 4, 7, and 8
Battery Supply and B+ Bus
Battery Supply and B+ Bus
Figure 3:

Fuse Block 1: Fuse 2 and Fuse Block I/P 1: Circuit Breakers 4, 7, and 8


Object Number: 1842492  Size: FS
Master Electrical Component List
Control Module References
Block 1: Fuses 3 and 4, and Fuse Block I/P Circuit Breakers 12 and 13, and HYDROMAX Fuse
Fuse Block 1: Fuse 1 and Fuse Block I/P 2: Circuit Breakers 14, 15, 16, and 19
Battery Supply and B+ Bus
Figure 4:

Fuse Block 1: Fuses 3 and 4, and Fuse Block I/P 1: Circuit Breakers 12 and 13 and HYDROMAX Fuse


Object Number: 1842493  Size: FS
Master Electrical Component List
Control Module References
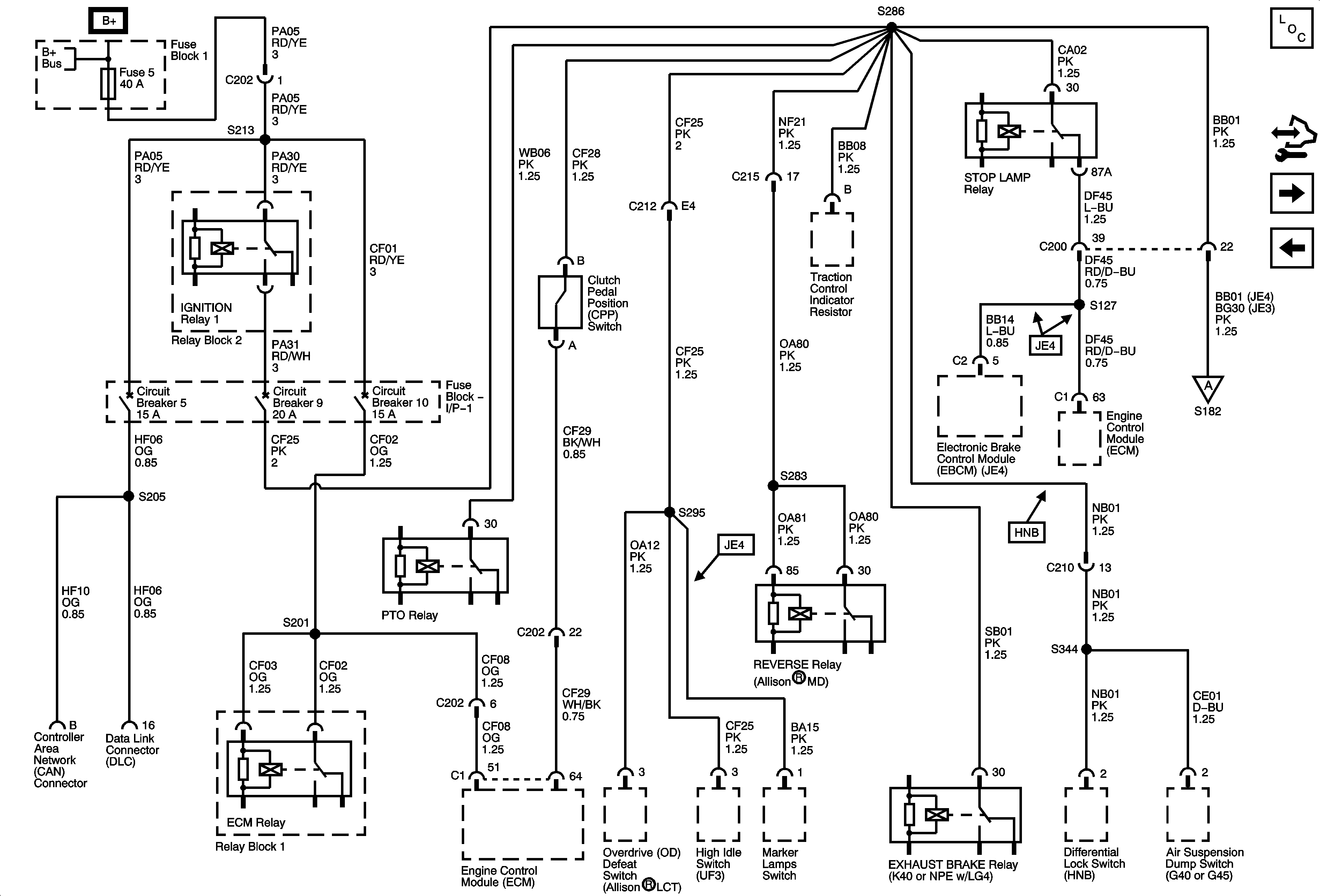
Fuse Block 1: Fuse 5 and Fuse Block I/P 1: Circuit Breakers 5, 9 - 1 of 2, and 10
Fuse Block 1: Fuse 2 and Fuse Block I/P 1: Circuit Breakers 4, 7, and 8
Battery Supply and B+ Bus
Figure 5:

Fuse Block 1: Fuse 5 and Fuse Block I/P 1: Circuit Breakers 5, 9 - 1 of 2, and 10


Object Number: 1842495  Size: FS
Master Electrical Component List
Control Module References
Fuse Block I/P 1: Circuit Breaker 9 - 2 of 2
Block 1: Fuses 3 and 4, and Fuse Block I/P Circuit Breakers 12 and 13, and HYDROMAX Fuse
Battery Supply and B+ Bus
Fuse Block I/P 1: Circuit Breaker 9 - 2 of 2
Figure 6:

Fuse Block I/P 1: Circuit Breaker 9 - 2 of 2


Object Number: 1842496  Size: FS
Master Electrical Component List
Control Module References
Fuse Block 1: Fuses 6 and 7, Fuse Block 2: Fuse 8, and Fuse Block I/P 2: Circuit Breakers 17, 18, 20, 21, 22, and 24
Fuse Block 1: Fuse 5 and Fuse Block I/P 1: Circuit Breakers 5, 9 - 1 of 2, and 10
Fuse Block 1: Fuse 5 and Fuse Block I/P 1: Circuit Breakers 5, 9 - 1 of 2, and 10
Figure 7:

Fuse Block 1: Fuses 6 and 7 , Fuse Block 2: Fuse 8 and Fuse Block 2: Circuit Breakers 17, 18, 20, 21, 22, and 24


Object Number: 1842500  Size: FS
Master Electrical Component List
Control Module References
Fuse Block 2: Fuses 9, 11, 12, 13, and 14, Fuse Block I/P 1: Circuit Breaker 11, and Fuse Block I/P 2: Circuit Breakers 25 and 26
Fuse Block I/P 1: Circuit Breaker 9 - 2 of 2
Battery Supply and B+ Bus
Battery Supply and B+ Bus
Figure 8:

Fuse Block 2: Fuses 9, 11, 12, 13, and 14, Fuse Block I/P 1: Circuit Breaker 11 and Fuse Block I/P 2: Circuit Breakers 25 and 26


Object Number: 1842502  Size: FS
Master Electrical Component List
Control Module References
Fuse Block 2: Fuse 10, Fuse Block I/P 1: Circuit Breaker 1, and Ignition Switch ACCY/RUN, RUN START, and START Bus Bars
Fuse Block 1: Fuses 6 and 7, Fuse Block 2: Fuse 8, and Fuse Block I/P 2: Circuit Breakers 17, 18, 20, 21, 22, and 24
Battery Supply and B+ Bus
Figure 9:

Fuse Block 2: Fuse 10, Fuse Block I/P 1: Circuit Breaker 1 and Ignition Switch ACCY/RUN, RUN/START and START Bus Bars


Object Number: 1842510  Size: FS
Master Electrical Component List
Control Module References
Fuse Block I/P 1: Circuit Breaker 6
Fuse Block 2: Fuses 9, 11, 12, 13, and 14, Fuse Block I/P 1: Circuit Breaker 11, and Fuse Block I/P 2: Circuit Breakers 25 and 26
Battery Supply and B+ Bus
Figure 10:

Fuse Block I/P 1: Circuit Breaker 6


Object Number: 1842516  Size: FS
Master Electrical Component List
Control Module References
Fuse Block I/P 1: Circuit Breakers 2 and 3
Fuse Block 2: Fuse 10, Fuse Block I/P 1: Circuit Breaker 1, and Ignition Switch ACCY/RUN, RUN START, and START Bus Bars
Figure 11:

Fuse Block I/P 1: Circuit Breakers 2 and 3


Object Number: 1842520  Size: FS
Master Electrical Component List
Control Module References
Fuse Block I/P 1: Circuit Breaker 6