GM Service Manual Online
For 1990-2009 cars only
Figure 1:

Clearance, Identification and Marker Lamps


Object Number: 1842616  Size: FS
Master Electrical Component List
Exterior Lighting Systems Description and Operation
Control Module References
Outside Rear View Mirrors
I/P Dimmer Switch and Splice S301
200Turn Signal/Hazard Lamps - Left
Park and Tail Lamps
Outside Rear View Mirrors
Turn Signal/Hazard Lamps - Right
Fuse Block 1: Fuse 5 and Fuse Block I/P 1: Circuit Breakers 5, 9 - 1 of 2, and 10
G400 and G402 - 6 of 8
G400 and G402 - 4 of 8
G400 and G402 - 3 of 8
G400 and G402 - 4 of 8
G400 and G402 - 6 of 8
G400 and G402 - 4 of 8
G400 and G402 - 4 of 8
G400 and G402 - 4 of 8
G400 and G402 - 4 of 8
G400 and G402 - 4 of 8
Figure 2:

Outside Rearview Mirrors


Object Number: 1842653  Size: FS
Master Electrical Component List
Exterior Lighting Systems Description and Operation
Control Module References
Park and Tail Lamps
Clearance, Identification and Marker Lamps
Clearance, Identification and Marker Lamps
G400 and G402 - 6 of 8
G400 and G402 - 4 of 8
Outside Rearview Mirror Schematics
Figure 3:

Park and Tail Lamps


Object Number: 1842665  Size: FS
Master Electrical Component List
Exterior Lighting Systems Description and Operation
Control Module References
200Turn Signal/Hazard Lamps - Left
Outside Rear View Mirrors
Clearance, Identification and Marker Lamps
G400 and G402 - 2 of 8
G400 and G402 - 2 of 8
G100, G101, G102, G107, G114, G208, G209, G210, G214, G400 and G402 - 1 of 8, G501, G502, G601, and G602
G100, G101, G102, G107, G114, G208, G209, G210, G214, G400 and G402 - 1 of 8, G501, G502, G601, and G602
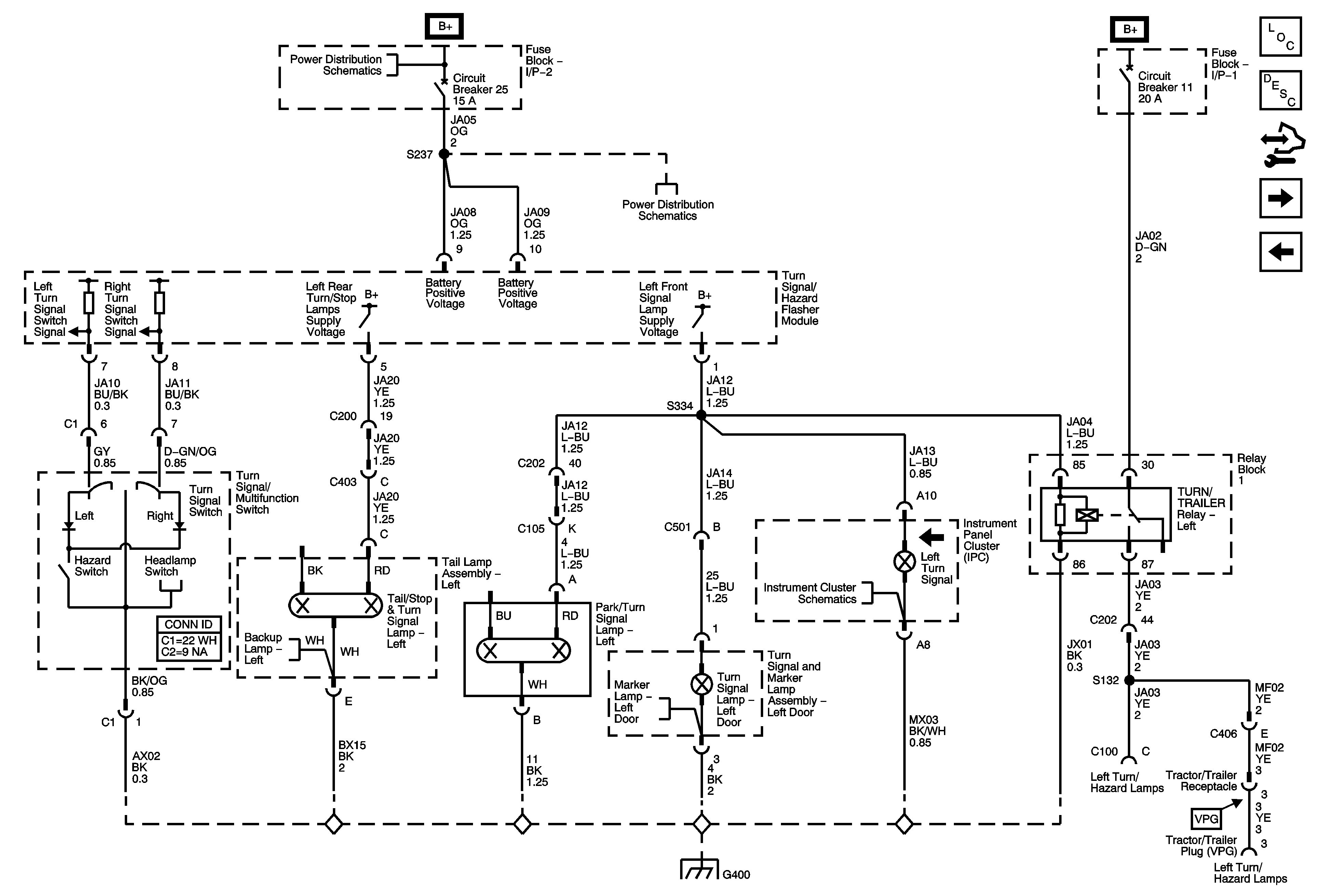
Figure 4:

Turn Signal/Hazard Lamps - Left


Object Number: 1842671  Size: FS
Master Electrical Component List
Exterior Lighting Systems Description and Operation
Control Module References
Turn Signal/Hazard Lamps - Right
Park and Tail Lamps
G400 and G402 - 6 of 8
Clearance, Identification and Marker Lamps
Backup Lamps and Backup Alarm (UZF)
Fuse Block 2: Fuses 9, 11, 12, 13, and 14, Fuse Block I/P 1: Circuit Breaker 11, and Fuse Block I/P 2: Circuit Breakers 25 and 26
Fuse Block 2: Fuses 9, 11, 12, 13, and 14, Fuse Block I/P 1: Circuit Breaker 11, and Fuse Block I/P 2: Circuit Breakers 25 and 26
Clearance, Identification and Marker Lamps
Indicators and Illumination
Figure 5:

Turn Signal/Hazard Lamps - Right


Object Number: 1842681  Size: FS
Master Electrical Component List
Exterior Lighting Systems Description and Operation
Control Module References
Stop Lamps
200Turn Signal/Hazard Lamps - Left
G400 and G402 - 2 of 8
Clearance, Identification and Marker Lamps
Backup Lamps and Backup Alarm (UZF)
Fuse Block 2: Fuses 9, 11, 12, 13, and 14, Fuse Block I/P 1: Circuit Breaker 11, and Fuse Block I/P 2: Circuit Breakers 25 and 26
Fuse Block 2: Fuses 9, 11, 12, 13, and 14, Fuse Block I/P 1: Circuit Breaker 11, and Fuse Block I/P 2: Circuit Breakers 25 and 26
Clearance, Identification and Marker Lamps
Indicators and Illumination
Figure 6:

Stop Lamps


Object Number: 1842724  Size: FS
Master Electrical Component List
Exterior Lighting Systems Description and Operation
Control Module References
Backup Lamps and Backup Alarm (UZF)
Turn Signal/Hazard Lamps - Right
Fuse Block 1: Fuse 5 and Fuse Block I/P 1: Circuit Breakers 5, 9 - 1 of 2, and 10
G400 and G402 - 4 of 8
Battery Supply and B+ Bus
G400 and G402 - 2 of 8
Backup Lamps and Backup Alarm (UZF)
G100, G101, G102, G107, G114, G208, G209, G210, G214, G400 and G402 - 1 of 8, G501, G502, G601, and G602
Fuse Block 2: Fuses 9, 11, 12, 13, and 14, Fuse Block I/P 1: Circuit Breaker 11, and Fuse Block I/P 2: Circuit Breakers 25 and 26
Fuse Block 2: Fuses 9, 11, 12, 13, and 14, Fuse Block I/P 1: Circuit Breaker 11, and Fuse Block I/P 2: Circuit Breakers 25 and 26
G100, G101, G102, G107, G114, G208, G209, G210, G214, G400 and G402 - 1 of 8, G501, G502, G601, and G602
Backup Lamps and Backup Alarm (UZF)
Figure 7:

Backup Lamps and Backup Alarm (UZF)


Object Number: 1842741  Size: FS
Master Electrical Component List
Exterior Lighting Systems Description and Operation
Control Module References
Tractor/Trailer Receptacle (JE4, RQ2 and U86 or JE4 and RQ3) and Tractor/Trailer Plug (VPG)
Stop Lamps
Fuse Block 1: Fuse 5 and Fuse Block I/P 1: Circuit Breakers 5, 9 - 1 of 2, and 10
Fuse Block I/P 1: Circuit Breaker 9 - 2 of 2
G100, G101, G102, G107, G114, G208, G209, G210, G214, G400 and G402 - 1 of 8, G501, G502, G601, and G602
Stop Lamps
Stop Lamps
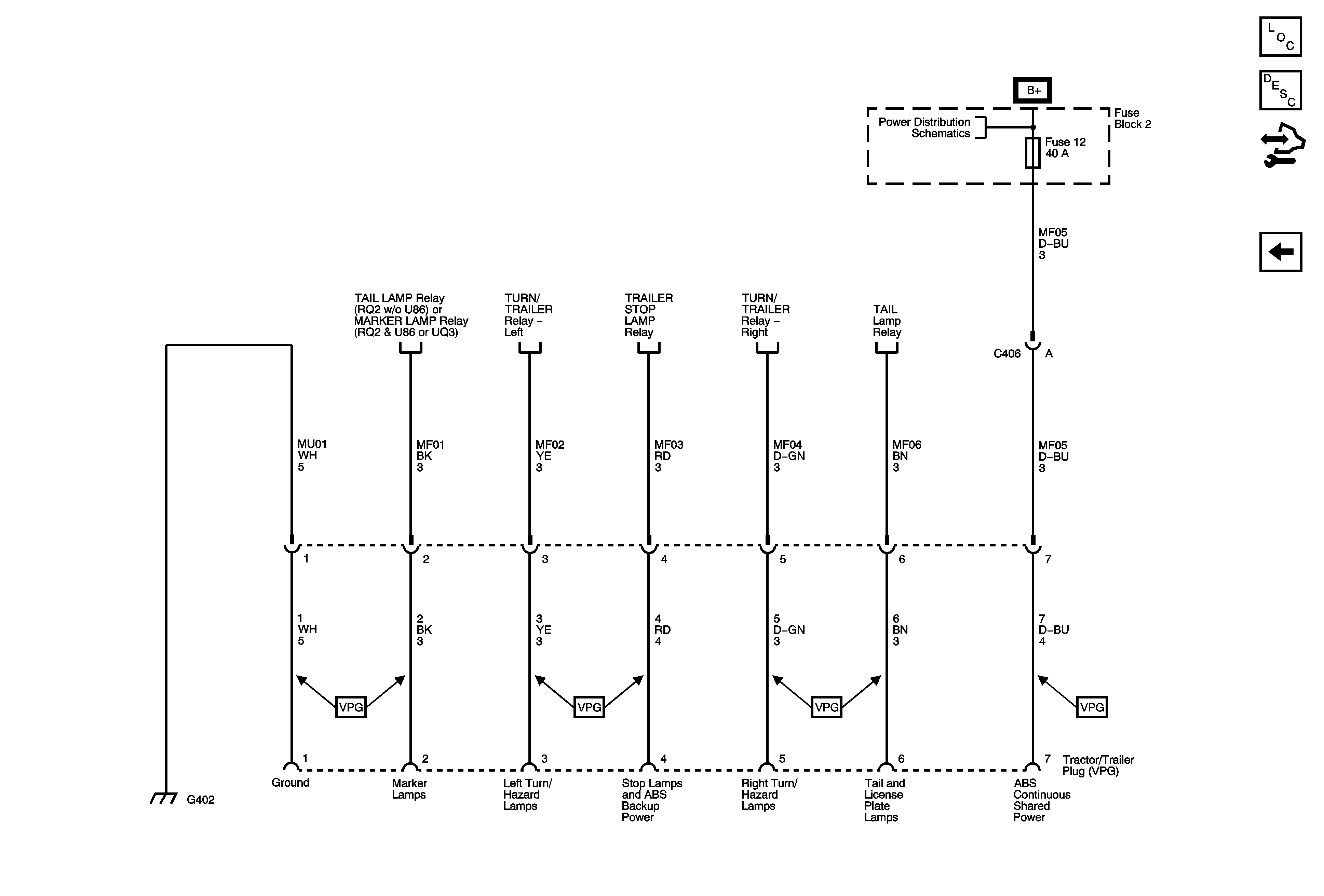
Figure 8:

Tractor/Trailer Receptacle (JE4, RQ2 and U86 or JE4 and RQ3) and Tractor Trailer Plug (VPG)


Object Number: 1842755  Size: FS
Master Electrical Component List
Exterior Lighting Systems Description and Operation
Control Module References
Backup Lamps and Backup Alarm (UZF)
Battery Supply and B+ Bus
Clearance, Identification and Marker Lamps
200Turn Signal/Hazard Lamps - Left
Stop Lamps
Turn Signal/Hazard Lamps - Right
Park and Tail Lamps