GM Service Manual Online
For 1990-2009 cars only
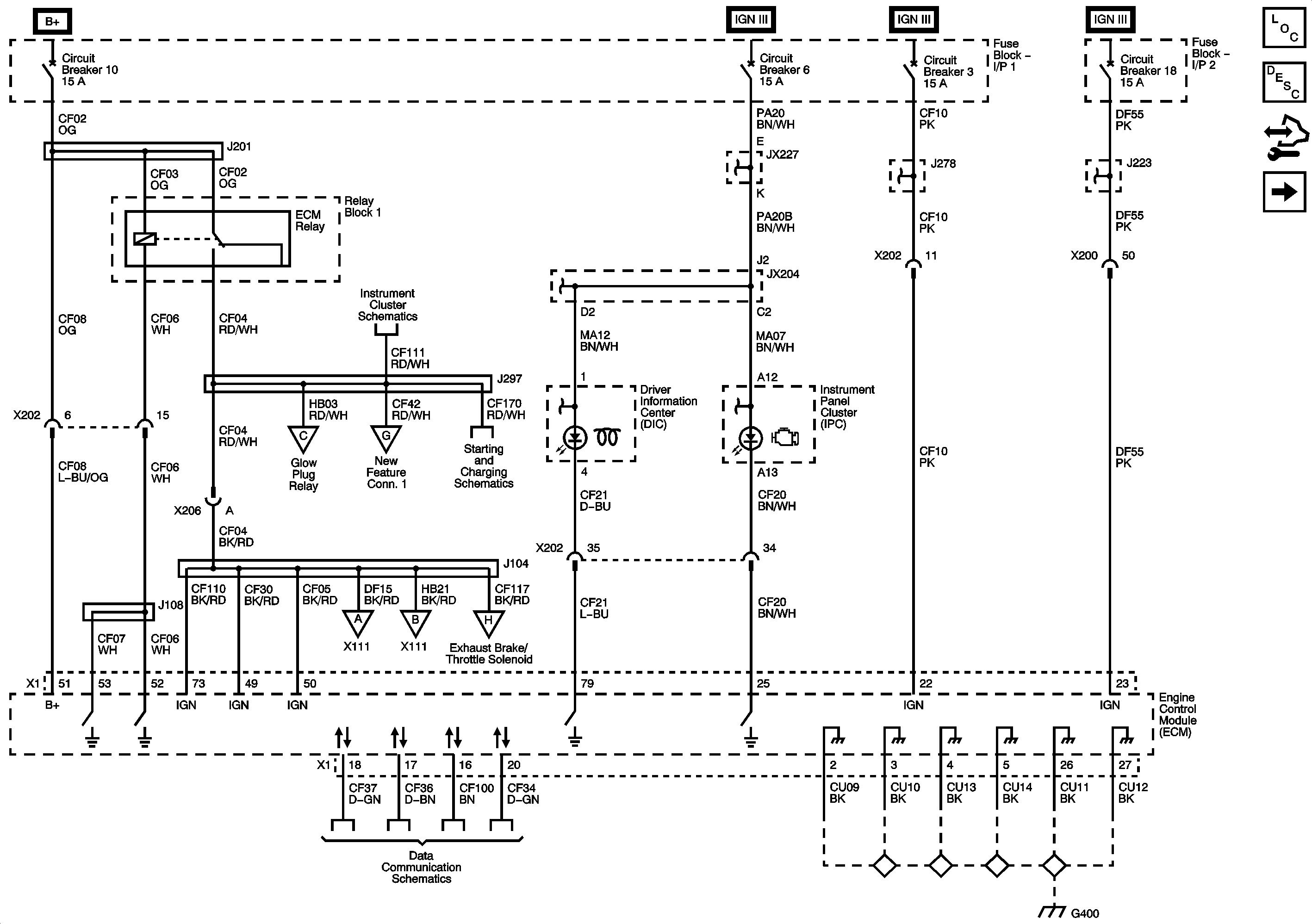
Figure 1:

Module Power, Ground, Serial Data, and MIL


Object Number: 1905729  Size: FS
Master Electrical Component List
Control Module References
Engine Data Sensors 5 Volt and Low References
Fuse Block 1: Fuse 5 and Fuse Block I/P 1: Circuit Breakers 5, 9 - 1 of 2, and 10
Engine Data Sensors - EGR Valve and Glow Plug Controls
DPF Sensor, Exhaust Temperature Sensors, Exhaust Brake/Throttle Solenoid
Starting
Power, Ground, and Serial Data
Engine Data Sensors Pressure, Temperature and Turbocharger Controls
Engine Data Sensors - EGR Valve and Glow Plug Controls
DPF Sensor, Exhaust Temperature Sensors, Exhaust Brake/Throttle Solenoid
Splice Packs and Modules 1 of 3
Controller Area Network (CAN) Connector and Data Link Connector (DLC)
Driver Information Center (DIC)
Power, Ground, and Serial Data
Fuse Block I/P 1: Circuit Breaker 6
Fuse Block I/P 1: Circuit Breaker 6
Fuse Block I/P 1: Circuit Breaker 6
Fuse Block I/P 1: Circuit Breakers 2 and 3
Fuse Block I/P 1: Circuit Breakers 2 and 3
Fuse Block 1: Fuses 6 and 7, Fuse Block 2: Fuse 8, and Fuse Block I/P 2: Circuit Breakers 17, 18, 20, 21, 22, and 24
Fuse Block 1: Fuses 6 and 7, Fuse Block 2: Fuse 8, and Fuse Block I/P 2: Circuit Breakers 17, 18, 20, 21, 22, and 24
G402 and G400 - 8 of 8
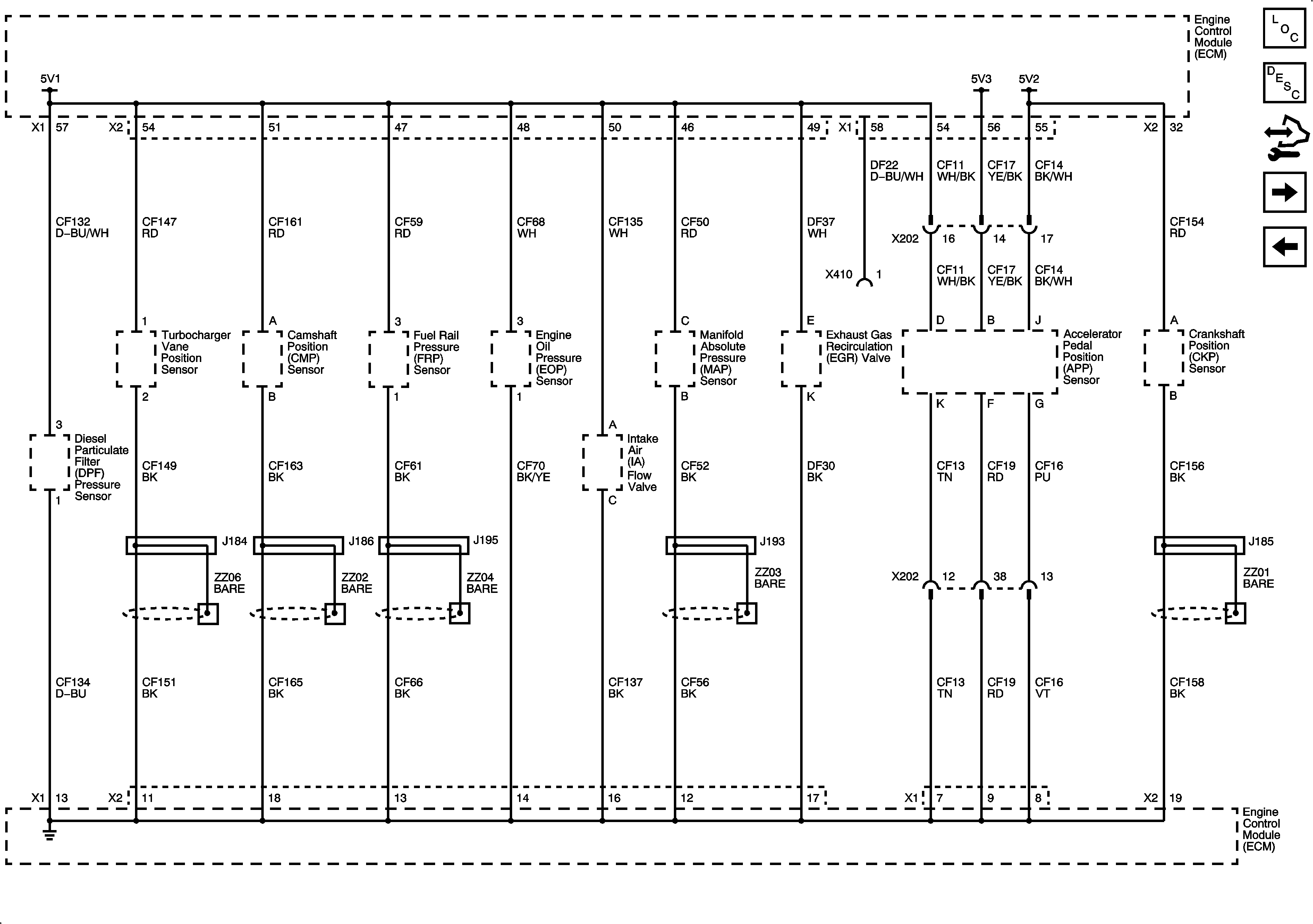
Figure 2:

Engine Data Sensors - 5-Volt and Low Reference


Object Number: 1905730  Size: FS
Master Electrical Component List
Control Module References
Engine Data Sensors Pressure, Turbocharger Controls, and Intake Throttle
Module Power, Ground, Serial Data, and MIL
Figure 3:

Engine Data Sensors - Pressure, Turbocharger Controls, and Intake Throttle


Object Number: 1905731  Size: FS
Master Electrical Component List
Turbocharger System Description
Control Module References
Engine Data Sensors Pressure, Temperature and Turbocharger Controls
Engine Data Sensors 5 Volt and Low References
Master Electrical Schematic Icons
Figure 4:

Engine Data Sensors - Pressure, Temperature, and Turbocharger Controls


Object Number: 1905732  Size: FS
Master Electrical Component List
Control Module References
Engine Data Sensors Pedal Position, High Idle Switch
Engine Data Sensors Pressure, Turbocharger Controls, and Intake Throttle
Module Power, Ground, Serial Data, and MIL
Engine Data Sensors - EGR Valve and Glow Plug Controls
Engine Data Sensors - EGR Valve and Glow Plug Controls
Fuel Controls - Sunction Control Valve, Water In Fuel/Fuel Temperature Sensors
Figure 5:

Engine Data Sensors - Pedal Position, High Idle Switch


Object Number: 1905733  Size: FS
Master Electrical Component List
Engine Control Component Description
Control Module References
Engine Data Sensors VSS and Injection Timing Controls
Engine Data Sensors Pressure, Temperature and Turbocharger Controls
Fuse Block 1: Fuse 5 and Fuse Block I/P 1: Circuit Breakers 5, 9 - 1 of 2, and 10
Fuse Block 1: Fuse 5 and Fuse Block I/P 1: Circuit Breakers 5, 9 - 1 of 2, and 10
Fuse Block 1: Fuse 5 and Fuse Block I/P 1: Circuit Breakers 5, 9 - 1 of 2, and 10
G400 - 3 of 8
Figure 6:

Engine Data Sensors - VSS and Injection Timing Controls


Object Number: 1905734  Size: FS
Master Electrical Component List
Control Module References
Engine Data Sensors - EGR Valve and Glow Plug Controls
Engine Data Sensors Pedal Position, High Idle Switch
Speed Sensors, Switches, and X408 Upfitter TRANS OPT Connector
Manual Transmission Schematics
AUX Relay, X401 (Upfitter AUX WRG Connector), X201 (Upfitter Connector), Engine Control Module (ECM) and Rear Compartment Lamp Provisions
Gages
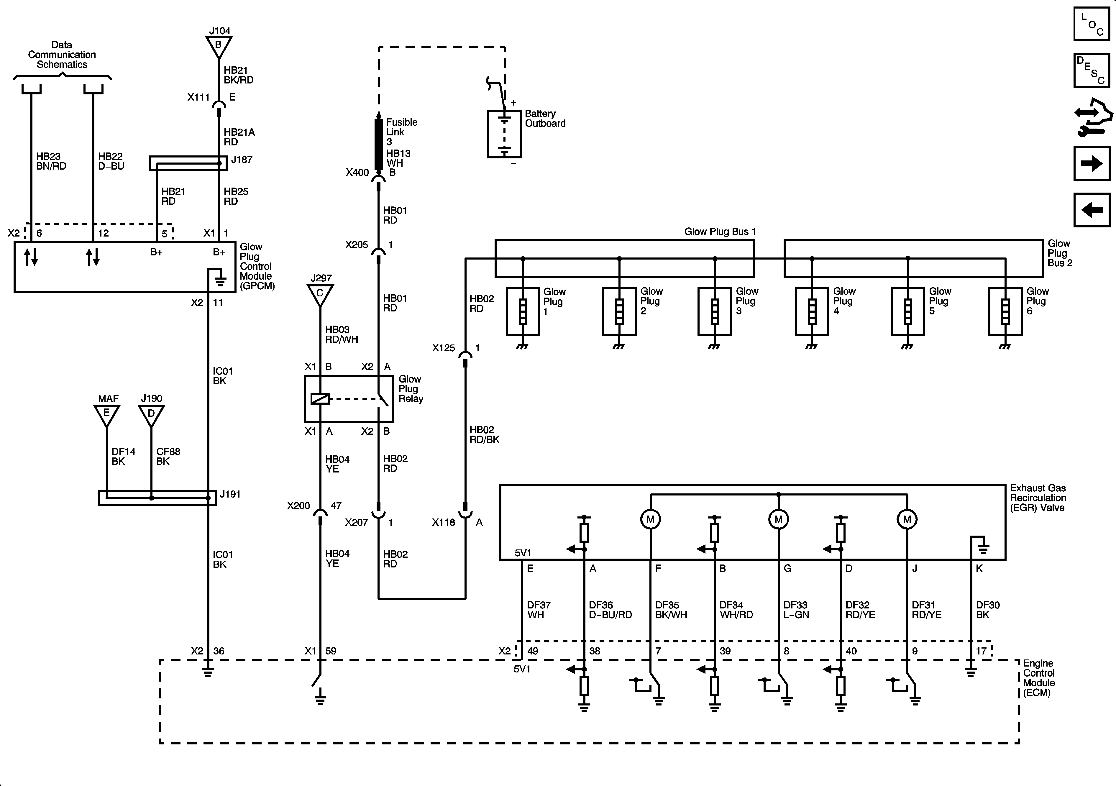
Figure 7:

Engine Data Sensors - EGR Valve and Glow Plug Controls


Object Number: 1905735  Size: FS
Master Electrical Component List
Glow Plug System Description
Control Module References
Fuel Controls - Sunction Control Valve, Water In Fuel/Fuel Temperature Sensors
Engine Data Sensors VSS and Injection Timing Controls
Splice Packs and Modules 1 of 3
Module Power, Ground, Serial Data, and MIL
Engine Data Sensors Pressure, Temperature and Turbocharger Controls
Module Power, Ground, Serial Data, and MIL
Battery Supply and B+ Bus
Figure 8:

Fuel Controls - Suction Control Valve, Water-In-Fuel/Fuel Temperature Sensors


Object Number: 1905736  Size: FS
Master Electrical Component List
Fuel System Description
Control Module References
DPF Sensor, Exhaust Temperature Sensors, Exhaust Brake/Throttle Solenoid
Engine Data Sensors - EGR Valve and Glow Plug Controls
Gages
Engine Data Sensors Pressure, Temperature and Turbocharger Controls
Fuse Block I/P 1: Circuit Breaker 6
Fuse Block I/P 1: Circuit Breaker 6
Fuse Block I/P 1: Circuit Breaker 6
Driver Information Center (DIC)
G100, G101, G102, G107, G114, G208, G209, G210, G214, G501, G502, G601, G602 and G400 - 1 of 8,
Figure 9:

DPF Sensor, Exhaust Temperature Sensors, Exhaust Brake/Throttle Solenoid


Object Number: 1905737  Size: FS
Master Electrical Component List
Fuel System Description
Control Module References
Fuel Controls Fuel Injectors
Fuel Controls - Sunction Control Valve, Water In Fuel/Fuel Temperature Sensors
Module Power, Ground, Serial Data, and MIL
Connector X104, Engine Control Module (ECM) PTO Relay, Turn Signal Multifunction and PTO Switches
Gages
Module Power, Ground, Serial Data, and MIL
Figure 10:

Fuel Controls - Fuel Injectors


Object Number: 1905738  Size: FS
Master Electrical Component List
Fuel System Description
Control Module References
Controlled/Monitored Subsystem References
DPF Sensor, Exhaust Temperature Sensors, Exhaust Brake/Throttle Solenoid
Master Electrical Schematic Icons
Figure 11:

Controlled/Monitored Subsystem References


Object Number: 1905739  Size: FS
Master Electrical Component List
Control Module References
Fuel Controls Fuel Injectors
Connectors, X409, X410, X209 and Engine Control Module (ECM)
Cruise Control Schematics
Manual Transmission Schematics
Starting
Charging
Engine Oil Level
Gages
Connector X104, Engine Control Module (ECM) PTO Relay, Turn Signal Multifunction and PTO Switches
Connectors, X409, X410, X209 and Engine Control Module (ECM)
Connector X104, Engine Control Module (ECM) PTO Relay, Turn Signal Multifunction and PTO Switches
Engine Cooling Schematics
Gages
Exhaust System Schematics
Stop Lamps
Backup Lamps and Backup Alarm (UZF)
Two Speed Rear Axle Schematics