GM Service Manual Online
For 1990-2009 cars only
Figure 1:

Cell 20 - Engine Controls, Power and Ground, DLC, Check Connector


Object Number: 301648  Size: FS
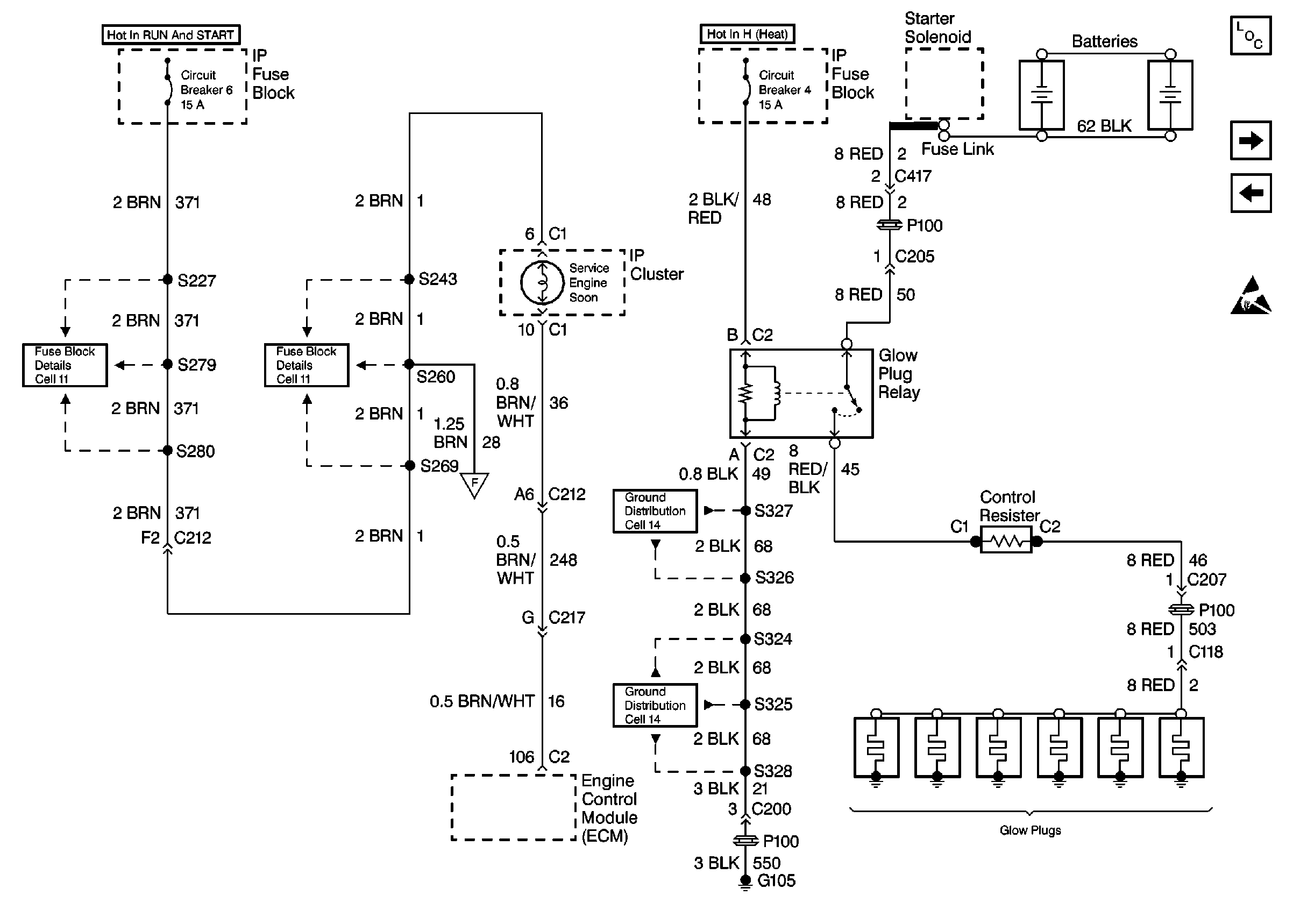
Cell 20 - Engine Controls, MIL Lamp, Glow Plugs
Handling ESD Sensitive Parts Notice
Cell 20 - Engine Controls, Pressure Control Valve Relay, Turbo PressUre Sensor
Cell 20 - Engine Controls, Pressure Control Valve Relay, Turbo PressUre Sensor
Figure 2:

Cell 20 - Engine Controls, MIL Lamp, Glow Plugs


Object Number: 301651  Size: FS
Cell 20 - Engine Controls, Cylinder 1,3,5 Fuel Injectors
Cell 20 - Engine Controls, Power and Ground, DLC, Check Connector
Handling ESD Sensitive Parts Notice
Cell 20 - Engine Controls, IP Cluster
Figure 3:

Cell 20 - Engine Controls, Fuel Tank Sensor -- Diesel Dual Tank


Object Number: 301653  Size: FS
Cell 20 - Engine Controls, IP Cluster
Cell 20 - Engine Controls, Speedo Adapter
Handling ESD Sensitive Parts Notice
Handling ESD Sensitive Parts Notice
Figure 4:

Cell 20 - Engine Controls, Cylinder 1,3,5 Fuel Injectors


Object Number: 301656  Size: FS
Cell 20 - Engine Controls, Cylinder 2,4,6 Fuel Injectors
Cell 20 - Engine Controls, MIL Lamp, Glow Plugs
Handling ESD Sensitive Parts Notice
Figure 5:

Cell 20 - Engine Controls, Cylinder 2,4,6 Fuel Injectors


Object Number: 301657  Size: FS
Cell 20 - Engine Controls, Pressure Control Valve Relay, Turbo PressUre Sensor
Cell 20 - Engine Controls, Cylinder 1,3,5 Fuel Injectors
Handling ESD Sensitive Parts Notice
Figure 6:

Cell 20 - Engine Controls, Pressure Control Valve Relay, Turbo Pressure Sensor


Object Number: 301660  Size: FS
Cell 20 - Engine Controls, Sensors
Cell 20 - Engine Controls, Cylinder 2,4,6 Fuel Injectors
Handling ESD Sensitive Parts Notice
Figure 7:

Cell 20 - Engine Controls, Sensors


Object Number: 301663  Size: FS
Cell 20 - Engine Controls, Engine Speed, Injector Speed, Acc. Pedal Sensors
Cell 20 - Engine Controls, Pressure Control Valve Relay, Turbo PressUre Sensor
Handling ESD Sensitive Parts Notice
Figure 8:

Cell 20 - Engine Controls, Engine Speed, Injector Speed, Acc. Pedal Sensors


Object Number: 301665  Size: FS
Cell 20 - Engine Controls, Speedo Adapter
Cell 20 - Engine Controls, Sensors
Handling ESD Sensitive Parts Notice
Figure 9:

Cell 20 - Engine Controls, Speedo Adapter


Object Number: 301666  Size: FS
Cell 20 - Engine Controls, Fuel Tank Sensor - Diesel Dual Tank
Cell 20 - Engine Controls, Engine Speed, Injector Speed, Acc. Pedal Sensors
Handling ESD Sensitive Parts Notice
Cell 20 - Engine Controls, IP Cluster
Figure 10:

Cell 20 - Engine Controls, IP Cluster


Object Number: 301667  Size: FS
Cell 20 - Engine Controls, Exhaust Brake Circuit
Cell 20 - Engine Controls, Fuel Tank Sensor - Diesel Dual Tank
Cell 20 - Engine Controls, Speedo Adapter
Handling ESD Sensitive Parts Notice
Figure 11:

Cell 20 - Engine Controls, Exhaust Brake Circuit


Object Number: 301669  Size: FS
Cell 20 - Engine Controls, Automatic Transmission Modulator, Clutch Switch
Cell 20 - Engine Controls, IP Cluster
Handling ESD Sensitive Parts Notice
Cell 20 - Engine Controls, Automatic Transmission Modulator, Clutch Switch
Figure 12:

Cell 20 - Engine Controls, Automatic Transmission Modulator, Clutch Switch


Object Number: 301670  Size: FS
Cell 20 - Engine Controls, Exhaust Brake Circuit
Handling ESD Sensitive Parts Notice