GM Service Manual Online
For 1990-2009 cars only
Makes
🢒
Isuzu
🢒
1998
🢒
Isuzu MD Steel Tilt (F Model)
🢒
Driveline/Axle
🢒
Rear Axle Controls
🢒 Two-Speed Rear Axle Schematics
Two-Speed Rear Axle Schematics Two-Speed Rear Axle Schematic
Rear Axle Components
Two Speed Rear Axle Circuit Description
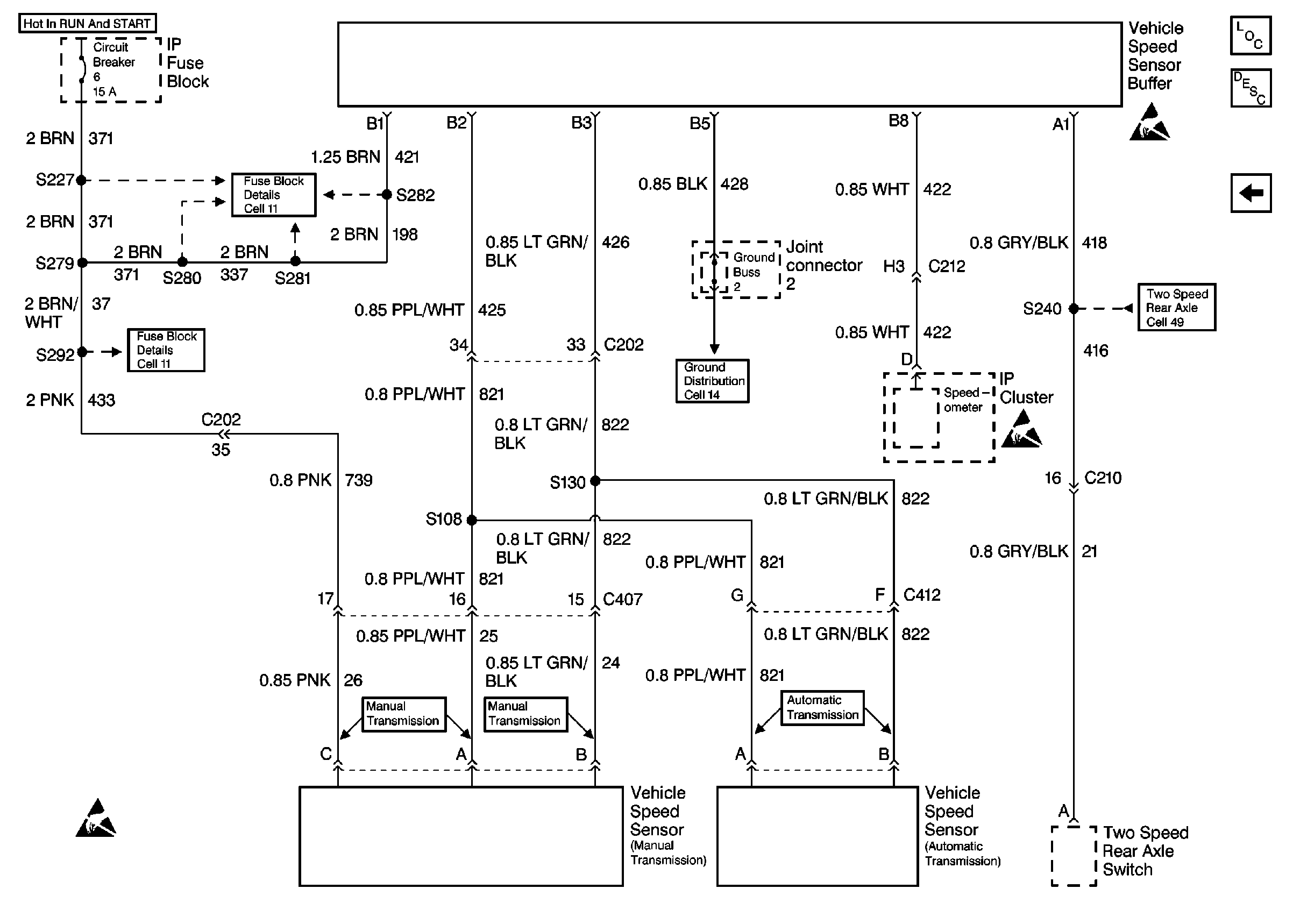
Vehicle Speed Sensor Schematic
Two-Speed Rear Axle Schematics Vehicle Speed Sensor Schematic
Vehicle Speed Sensor Schematic
Rear Axle Components
Two Speed Rear Axle Circuit Description
Two-Speed Rear Axle Schematic