GM Service Manual Online
For 1990-2009 cars only
Makes
🢒
Isuzu
🢒
1998
🢒
Isuzu MD Steel Tilt (F Model)
🢒
HVAC
🢒
HVAC Systems - Manual
🢒 HVAC Blower Control Schematics
Figure
1:
Cell 63
HVAC Components
HVAC Compressor Controls Circuit Description
Cell 63
Handling ESD Sensitive Parts Notice
Cell 63
Cell 63
Cell 63
Figure
2:
Cell 63
HVAC Components
HVAC Blower Controls Circuit Description
Cell 64
Cell 63
Handling ESD Sensitive Parts Notice
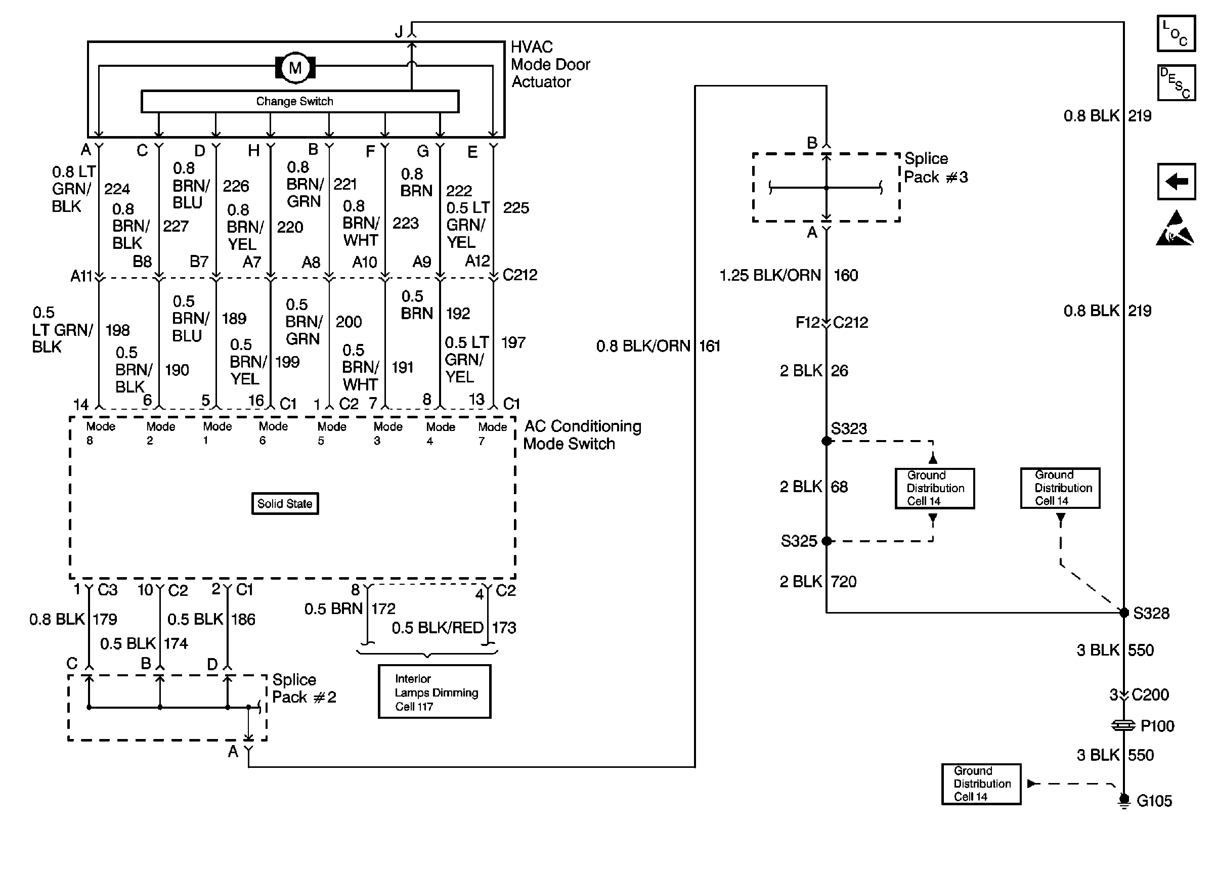
Figure
3:
Cell 64
HVAC Components
HVAC Air Delivery/Temperature Control Circuit Description
Cell 63
Handling ESD Sensitive Parts Notice