GM Service Manual Online
For 1990-2009 cars only
Figure 1:

Cell 44: Air Antilock Brake Schematic 1 of 4


Object Number: 382317  Size: FS
Air Antilock Brakes System Components
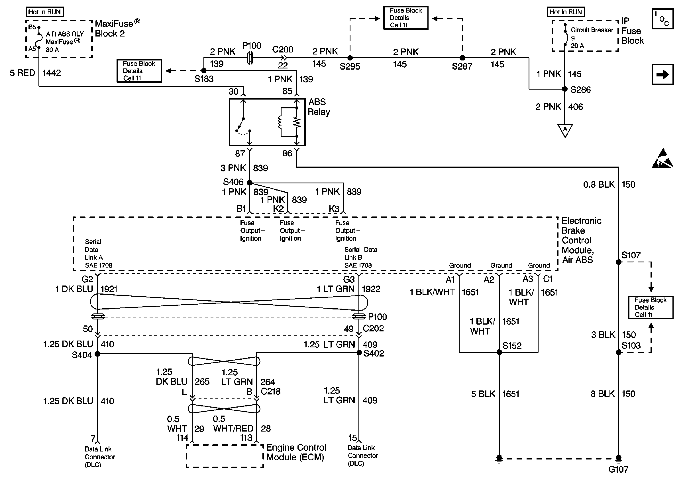
Cell 44: Air Antilock Brake Schematic 2 of 4
Handling ESD Sensitive Parts Notice
Cell 44: Air Antilock Brake Schematic 2 of 4
Figure 2:

Cell 44: Air Antilock Brake Schematic 2 of 4


Object Number: 302588  Size: FS
Air Antilock Brakes System Components
Cell 44: Air Antilock Brake Schematics 3 of 4
Cell 44: Air Antilock Brake Schematic 1 of 4
Handling ESD Sensitive Parts Notice
Cell 44: Air Antilock Brake Schematic 1 of 4
Figure 3:

Cell 44: Air Antilock Brake Schematics 3 of 4


Object Number: 381019  Size: FS
Air Antilock Brakes System Components
Air ABS Description
Cell 44: Air Antilock Brake Schematics 4 of 4
Cell 44: Air Antilock Brake Schematic 2 of 4
Handling ESD Sensitive Parts Notice
Figure 4:

Cell 44: Air Antilock Brake Schematics 4 of 4


Object Number: 382315  Size: FS
Air Antilock Brakes System Components
Air ABS Description
Cell 44: Air Antilock Brake Schematics 3 of 4
Handling ESD Sensitive Parts Notice