GM Service Manual Online
For 1990-2009 cars only

Removal Procedure

    Caution: Unless directed otherwise, the ignition and start switch must be in the OFF or LOCK position, and all electrical loads must be OFF before servicing any electrical component. Disconnect the negative battery cable to prevent an electrical spark should a tool or equipment come in contact with an exposed electrical terminal. Failure to follow these precautions may result in personal injury and/or damage to the vehicle or its components.

  1. Disconnect the negative battery cable.
  2. Raise the vehicle.
  3. Disconnect the exhaust pipes. Refer to Exhaust Pipe Replacement in Engine Exhaust.
  4. Remove the transmission oil level indicator tube. Refer to Transmission Oil Level Indicator Tube Replacement .
  5. Drain the transmission oil.
  6. Cover the transmission oil pan opening in order to prevent the entry of foreign material.

  7. Object Number: 205259  Size: SH
  8. Disconnect the oil cooler lines from the transmission case. Refer to Transmission Oil Cooler Line Replacement .

  9. Object Number: 205254  Size: SH
  10. Disconnect the shift cable from the transmission. Refer to Shift Cable Replacement .

  11. Object Number: 201540  Size: SH
  12. Remove the modulator from the transmission. Refer to Transmission Modulator Replacement .
  13. Disconnect the wiring harness connectors from the transmission.
  14. Remove the starter. Refer to Starter Motor Replacement in Engine Electrical.
  15. Disconnect the propeller shaft from the transmission. Refer to the appropriate procedure:
  16. •  One-Piece Propeller Shaft Replacement
    •  Two-Piece Propeller Shaft Replacement
    •  Three-Piece Propeller Shaft Replacement
  17. Disconnect the park brake cable from the park brake. Refer to Park Brake Cable Replacement in Park Brake.
  18. Support the transmission with a transmission dolly that can hold a load of at least 349 kg (750 lb).
  19. 14.1. Position the dolly so that the transmission oil pan will not support the weight of the transmission.
    14.2. Fasten a safety chain over the top of the transmission and on both sides of the dolly.
    14.3. Cushion the transmission in order to prevent cracks or tears to the transmission housing.

    Object Number: 205282  Size: MH
  20. Remove the flywheel (2) from the flexplate (3).
  21. 15.1. Remove the flywheel access cover.
    15.2. Using a pry bar, turn the flexplate (3) in order to align the flexplate to flywheel bolts (1) with the access hole.
    15.3. Remove the flexplate to flywheel bolts (1).
    15.4. Mark the flywheel (2) and flexplate alignment (3).

    Object Number: 205284  Size: SH
  22. Remove the transmission to engine bolts.
  23. Move the transmission back from the engine.
  24. Lower the transmission.
  25. Remove the park brake from the transmission. Refer to Park Brake.

Installation Procedure

    NOTICE: Carefully inspect the transmission and the surrounding area to be sure no lines, hoses or wires will interfere with the transmission installation. When raising and moving the transmission, do not let the torque converter slip off the shaft. The transmission or torque converter can be damaged.

    Important: Do not install the transmission without installing the park brake.

  1. Install the park brake to the transmission. Refer to Park Brake Replacement in Park Brake.
  2. Raise the vehicle.
  3. Raise the transmission.
  4. Move the transmission to the engine.

  5. Object Number: 205284  Size: SH
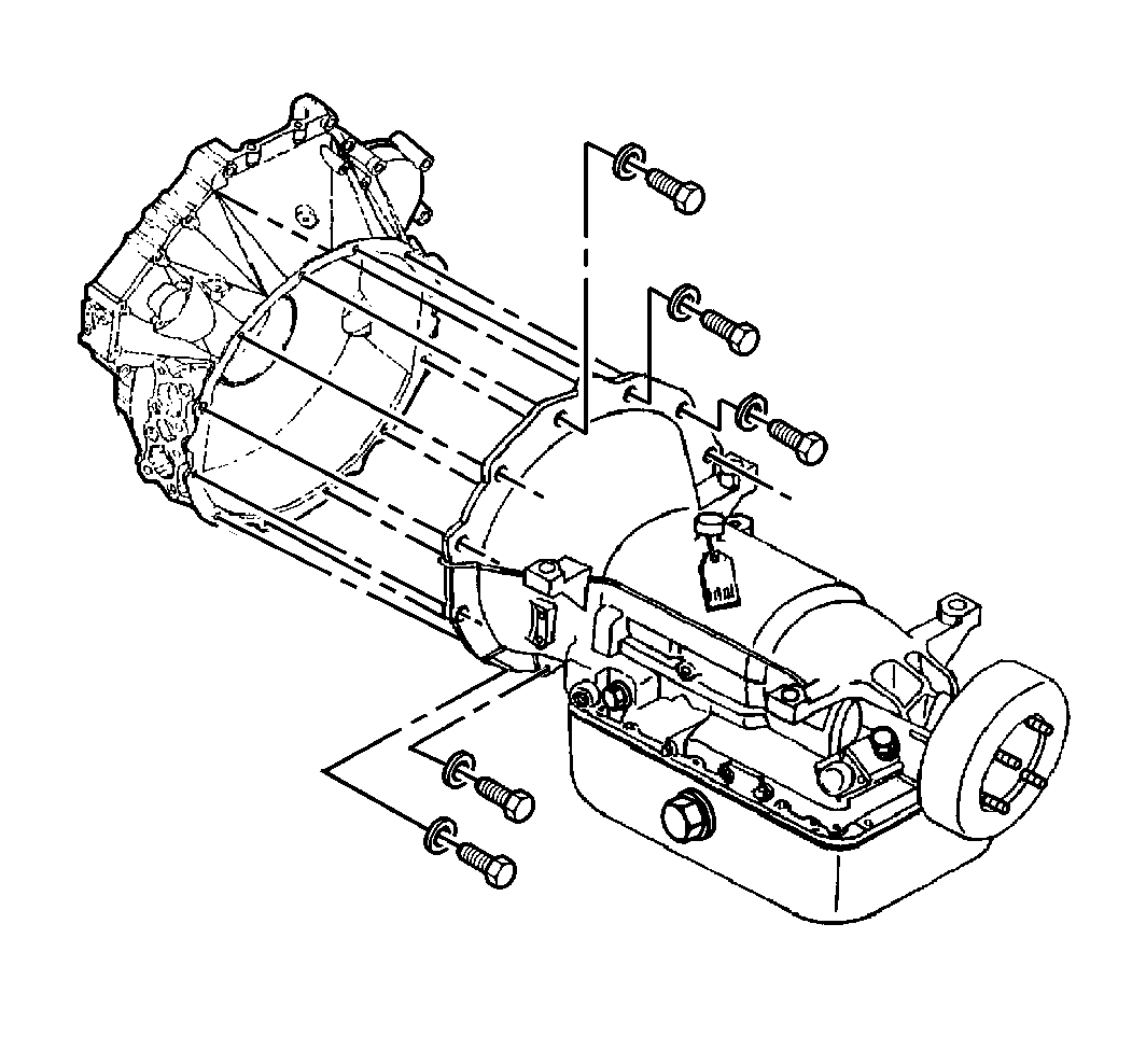
  6. Install the transmission to engine.
  7. Notice: Use the correct fastener in the correct location. Replacement fasteners must be the correct part number for that application. Fasteners requiring replacement or fasteners requiring the use of thread locking compound or sealant are identified in the service procedure. Do not use paints, lubricants, or corrosion inhibitors on fasteners or fastener joint surfaces unless specified. These coatings affect fastener torque and joint clamping force and may damage the fastener. Use the correct tightening sequence and specifications when installing fasteners in order to avoid damage to parts and systems.

  8. Install the transmission to engine bolts.
  9. Tighten
    Tighten the bolts to 55 N·m (41 lb ft).


    Object Number: 205282  Size: MH
  10. Install the flywheel (2) to the flexplate (3).
  11. 7.1. Using the alignment marks, align the flywheel (2) and the flexplate (3).
    7.2. Using a pry bar, turn the flexplate (3) in order to align the holes for the flexplate to flywheel bolts with the access hole.
    7.3. Install the flexplate to flywheel bolts (1) through the access hole.

    Tighten
    Tighten the bolts to 56 N·m (41 lb ft).

  12. Install the flywheel housing access cover.
  13. Connect the park brake cable. Refer to Park Brake Cable Replacement in Park Brake.
  14. Connect the propeller shaft to the transmission. Refer to the appropriate procedure:
  15. •  One-Piece Propeller Shaft Replacement
    •  Two-Piece Propeller Shaft Replacement
    •  Three-Piece Propeller Shaft Replacement
  16. Install the starter. Refer to Starter Motor Replacement in Engine Electrical.
  17. Connect the wiring harness connectors to the transmission.

  18. Object Number: 201540  Size: SH
  19. Install the modulator to the transmission. Refer to Transmission Modulator Replacement .

  20. Object Number: 205254  Size: SH
  21. Connect the shift cable to the transmission. Refer to Shift Cable Replacement .

  22. Object Number: 205259  Size: SH
  23. Connect the oil cooler lines to the transmission case. Refer to Transmission Oil Cooler Line Replacement .
  24. Install the transmission oil level indicator tube. Refer to Transmission Oil Level Indicator Tube Replacement .
  25. Connect the exhaust pipes. Refer to Exhaust Pipe Replacement in Engine Exhaust.
  26. Connect the negative battery cable.
  27. Check the transmission oil. Add transmission oil, if necessary. Refer to Transmission Fluid Check .