GM Service Manual Online
For 1990-2009 cars only

Important: Always clean the connectors and lubricate the tool end in power steering fluid when inserting into the coupling.

Important: Check all power steering system quick connect connections by trying to pull the hose assembly out of the fitting using a firm hand tug. Repeat the step if the connector is pulled out of the male fitting. If the problem persists, inspect and replace the hose assembly if the quick connect is damaged.


    Object Number: 227963  Size: MH
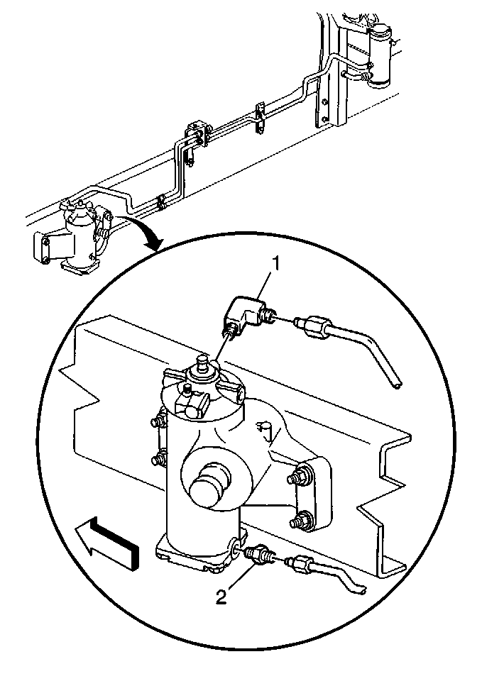
  1. Position a drainage container under the connectors at the bulkhead bracket.
  2. Use the J 42971 to remove the lines (1, 2 ).
  3. Drain the hoses into the container.

  4. Object Number: 389805  Size: SH
  5. Remove the power steering hoses (2, 4) at the reservoir.
  6. Disconnect the hose (3) at the coupler.
  7. Drain the hoses and reservoir into the container.

  8. Object Number: 227964  Size: MH
  9. Remove all of the hose mounting brackets (1) at the frame.
  10. Drain the power steering system.
  11. Raise the front of the vehicle until the wheels can turn freely. Support the vehicle. Refer to Lifting and Jacking the Vehicle .
  12. Ensure that the ignition switch is in the OFF position.
  13. Turn the steering wheel from wheel stop to wheel stop.

  14. Object Number: 227949  Size: MH
  15. Remove the power steering lines from the fittings (1, 2) at the steering gear.

  16. Object Number: 227963  Size: MH
  17. Remove the power steering hoses (3, 4).

  18. Object Number: 389803  Size: SH
  19. Remove the power steering hoses (1, 9) at the pump.

  20. Object Number: 389808  Size: SH
  21. Remove all the mounting bolts (4) securing the power steering lines to the vehicle.
  22. Remove the line assembly .
  23. Drain all of the hoses.
  24. Use compressed air in order to blow out the fluid.
  25. Flush the hoses with new power steering fluid.
  26. Drain and reinstall the hoses.
  27. Fill the power steering system. Refer to Power Steering System Bleeding .
  28. Perform the following procedure:
  29. 22.1. Set the parking brake.
    22.2. Place the gear selector in the N (Neutral) position.
    22.3. Start the engine.
    22.4. Operate the vehicle at idle.

    Caution: Do not touch the inner edges of the steering wheel spokes when testing. If the power steering lines have been crossed by mistake, the steering wheel may spin violently when it is turned, causing injury to the hands. In order to stop the steering wheel from spinning, turn off the engine and make the necessary corrections.

  30. Turn the steering wheel.
  31. Be sure to make hand contact only with the outer edge of the wheel.