GM Service Manual Online
For 1990-2009 cars only

Fuse Block Schematics Duramax 7800 Engine

Figure 1:

Cell 11: Circuit Breakers 1, 2, 3, 4


Object Number: 382249  Size: FS
Power and Grounding Components
Cell 11: Circuit Breaker 5, 10
Handling ESD Sensitive Parts Notice
Figure 2:

Cell 11: Circuit Breaker 5, 10


Object Number: 301612  Size: FS
Power and Grounding Components
Cell 10: Circuit Breaker 6
Cell 11: Circuit Breakers 1, 2, 3, 4
Handling ESD Sensitive Parts Notice
Figure 3:

Cell 10: Circuit Breaker 6


Object Number: 382251  Size: FS
Power and Grounding Components
Cell 11: Circuit Breaker 6 Cont.
Cell 11: Circuit Breaker 5, 10
Handling ESD Sensitive Parts Notice
Cell 11: Circuit Breaker 6 Cont.
Figure 4:

Cell 11: Circuit Breaker 6 Cont.


Object Number: 301605  Size: FS
Power and Grounding Components
Cell 11: Circuit Breakers 7, 8
Cell 10: Circuit Breaker 6
Handling ESD Sensitive Parts Notice
Cell 10: Circuit Breaker 6
Figure 5:

Cell 11: Circuit Breakers 7, 8


Object Number: 301606  Size: FS
Power and Grounding Components
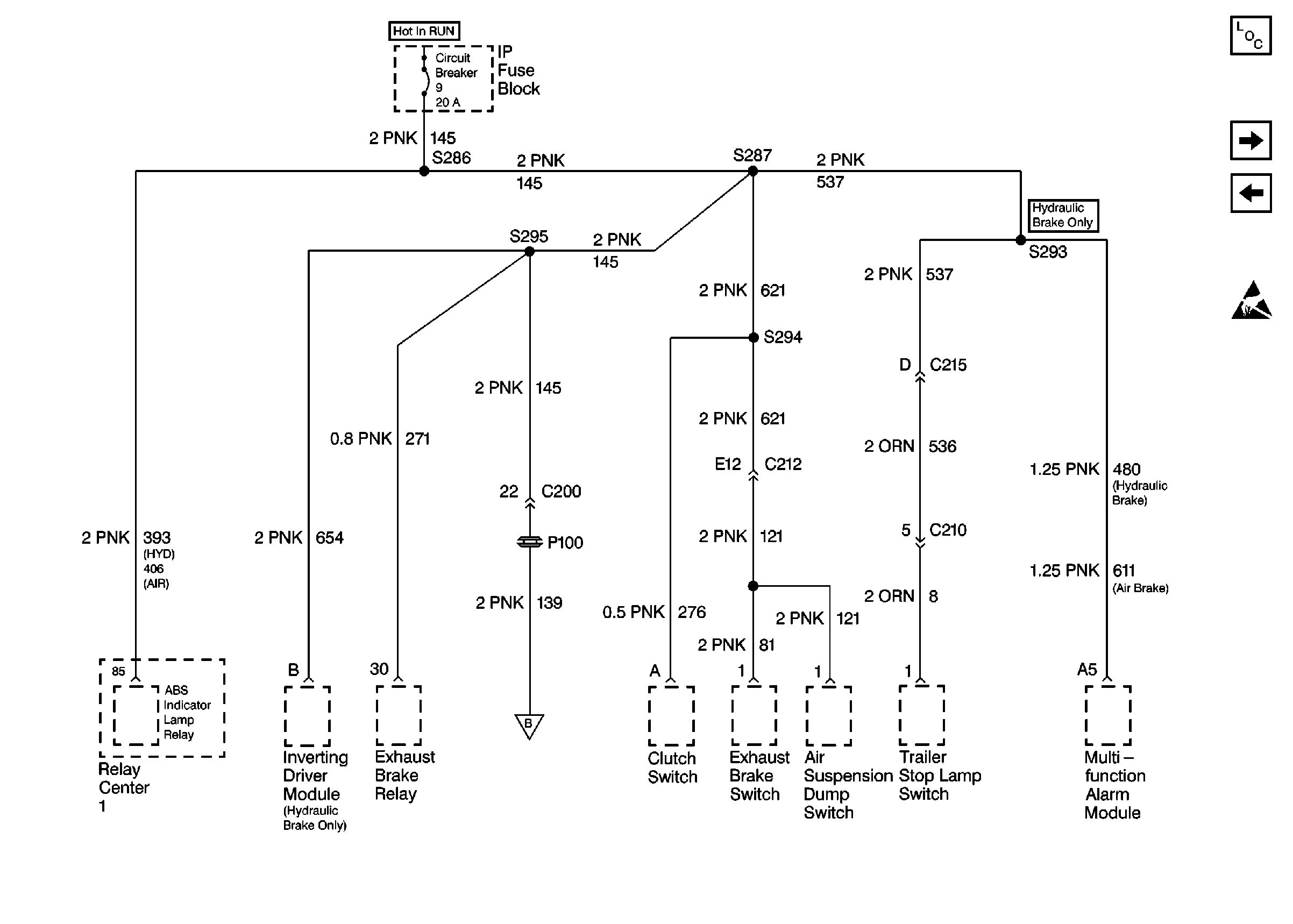
Cell 11: Circuit Breaker 9
Cell 11: Circuit Breaker 6 Cont.
Figure 6:

Cell 11: Circuit Breaker 9


Object Number: 382242  Size: FS
Power and Grounding Components
Cell 11: Circuit Breaker 9 Cont.
Cell 11: Circuit Breakers 7, 8
Handling ESD Sensitive Parts Notice
Cell 11: Circuit Breaker 9 Cont.
Figure 7:

Cell 11: Circuit Breaker 9 Cont.


Object Number: 301610  Size: FS
Power and Grounding Components
Cell 11: Circuit Breakers 11, 12, 13, 14, 15
Cell 11: Circuit Breaker 9
Handling ESD Sensitive Parts Notice
Cell 11: Circuit Breaker 9
Figure 8:

Cell 11: Circuit Breakers 11, 12, 13, 14, 15


Object Number: 301613  Size: FS
Power and Grounding Components
Cell 11: Circuit Breakers 16, 18, 19, 20, 21
Cell 11: Circuit Breaker 9 Cont.
Figure 9:

Cell 11: Circuit Breakers 16, 18, 19, 20, 21


Object Number: 382250  Size: FS
Power and Grounding Components
Cell 11: Circuit Breakers 22, 23, 24, 25, 26
Cell 11: Circuit Breakers 11, 12, 13, 14, 15
Handling ESD Sensitive Parts Notice
Figure 10:

Cell 11: Circuit Breakers 22, 23, 24, 25, 26


Object Number: 382248  Size: FS
Power and Grounding Components
Cell 11: Circuit Breakers 16, 18, 19, 20, 21