GM Service Manual Online
For 1990-2009 cars only
Figure 1:

Cell 20: Power, Grounding, Generator and MIL


Object Number: 385333  Size: FS
Engine Controls Components
Powertrain Control Module Description
Cell 20: Data Link Connector
OBD II Symbol Description Notice
OBD II Symbol Description Notice
Handling ESD Sensitive Parts Notice
Handling ESD Sensitive Parts Notice
Cell 10: ECM B, HORN Fuses and Horn, Fuel Pump Relays
Cell 10: ECM I Fuse
Cell 10: CRANK and CLSTR Fuses
Cell 81: Power
Powertrain Control Module Connector End Views
Cell 14: G103 and G105 (2.2L)
Cell 20: Vehicle Speed Sensor Signal
Cell 10: AUX PWR, RDO BAT, HDLP SW Fuses and Inadvertent Power Lamp Relay
Cell 51: Power and Ground
Cell 81: Power
Figure 2:

Cell 20: Data Link Connector


Object Number: 385336  Size: FS
Cell 10: INT BATT, PWR LKS, CTSY LP and CIGAR LTR Fuses
Cell 19
Cell 14: G200, G201 and G207
Power and Grounding Connector End Views
Cell 14: Underhood Grounds
Cell 14: Underhood Grounds
Cell 50: Power, Ground and SRS
Powertrain Control Module Connector End Views
Handling ESD Sensitive Parts Notice
Cell 14: G103 and G105 (2.2L)
Cell 14: G103 and G105 (2.2L)
Body Control System Connector End Views
Handling ESD Sensitive Parts Notice
Engine Controls Components
Powertrain Control Module Description
Cell 20: Ignition Controls
Cell 20: Power, Grounding, Generator and MIL
OBD II Symbol Description Notice
Cell 50: SP201 (2.2L)
Figure 3:

Cell 20: Ignition Controls


Object Number: 385338  Size: FS
Cell 10: ECM I Fuse
Power and Grounding Connector End Views
Handling ESD Sensitive Parts Notice
Powertrain Control Module Connector End Views
Engine Controls Components
Powertrain Control Module Description
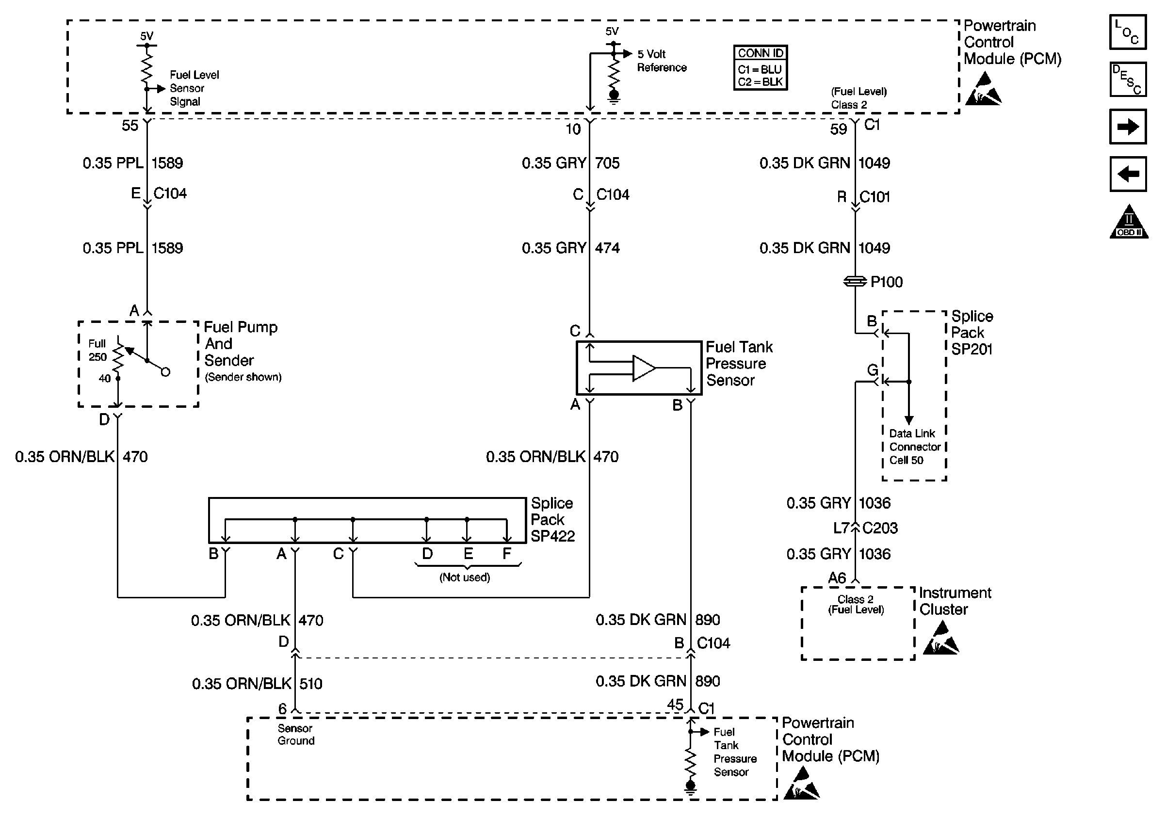
Cell 20: Fuel Level and Fuel Tank Pressure Sensors
Cell 20: Data Link Connector
OBD II Symbol Description Notice
Handling ESD Sensitive Parts Notice
Cell 14: G103 and G105 (2.2L)
Engine Controls Connector End Views
Handling ESD Sensitive Parts Notice
Figure 4:

Cell 20: Fuel Level and Fuel Tank Pressure Sensors


Object Number: 385342  Size: FS
Powertrain Control Module Connector End Views
Handling ESD Sensitive Parts Notice
Engine Controls Components
Powertrain Control Module Description
Cell 20: Fuel Injectors and Fuel Pump
Cell 20: Ignition Controls
OBD II Symbol Description Notice
Handling ESD Sensitive Parts Notice
Handling ESD Sensitive Parts Notice
Cell 50: SP201 (2.2L)
Figure 5:

Cell 20: Fuel Injectors and Fuel Pump


Object Number: 385350  Size: FS
Handling ESD Sensitive Parts Notice
Powertrain Control Module Connector End Views
Engine Controls Components
Powertrain Control Module Description
Cell 20: MAP, IAT, TPS and ECT Sensors
Cell 20: Fuel Level and Fuel Tank Pressure Sensors
OBD II Symbol Description Notice
Cell 20: Oxygen Sensors
Handling ESD Sensitive Parts Notice
Cell 10: ECM B, HORN Fuses and Horn, Fuel Pump Relays
Cell 14: Underhood Grounds
Figure 6:

Cell 20: MAP, IAT, TPS and ECT Sensors


Object Number: 385352  Size: FS
Powertrain Control Module Connector End Views
Handling ESD Sensitive Parts Notice
Engine Controls Components
Powertrain Control Module Description
Cell 20: Oxygen Sensors
Cell 20: Fuel Injectors and Fuel Pump
OBD II Symbol Description Notice
Handling ESD Sensitive Parts Notice
Figure 7:

Cell 20: Oxygen Sensors


Object Number: 385357  Size: FS
Cell 10: IGN C, IGN A Fuses and Ignition Switch
Powertrain Control Module Connector End Views
Handling ESD Sensitive Parts Notice
Engine Controls Components
Powertrain Control Module Description
Cell 20: EGR Valve, EVAP and IAC Controls
Cell 20: MAP, IAT, TPS and ECT Sensors
OBD II Symbol Description Notice
Cell 14: G103 and G105 (2.2L)
Cell 14: G103 and G105 (2.2L)
Cell 20: Vehicle Speed Sensor Signal
Cell 20: Fuel Injectors and Fuel Pump
Power and Grounding Connector End Views
Figure 8:

Cell 20: EGR Valve, EVAP and IAC Controls


Object Number: 385360  Size: FS
Power and Grounding Connector End Views
Cell 10: IGN C, IGN A Fuses and Ignition Switch
Powertrain Control Module Connector End Views
Handling ESD Sensitive Parts Notice
Handling ESD Sensitive Parts Notice
Engine Controls Components
Powertrain Control Module Description
Cell 20: Vehicle Speed Sensor Signal
Cell 20: Oxygen Sensors
OBD II Symbol Description Notice
Figure 9:

Cell 20: Vehicle Speed Sensor Signal


Object Number: 385364  Size: FS
Antilock Brake System Connector End Views
Handling ESD Sensitive Parts Notice
Handling ESD Sensitive Parts Notice
Handling ESD Sensitive Parts Notice
Handling ESD Sensitive Parts Notice
Entertainment Connector End Views
Body Control System Connector End Views
Handling ESD Sensitive Parts Notice
Powertrain Control Module Connector End Views
Handling ESD Sensitive Parts Notice
Cell 14: G103 and G105 (2.2L)
Engine Controls Components
Powertrain Control Module Description
Cell 20: A/C Compressor Controls
Cell 20: EGR Valve, EVAP and IAC Controls
OBD II Symbol Description Notice
Figure 10:

Cell 20: A/C Compressor Controls


Object Number: 385366  Size: FS
Cell 10: ATC, HVAC and A/C Fuses
Power and Grounding Connector End Views
Cell 10: IGN C, IGN A Fuses and Ignition Switch
Cell 14: Underhood Grounds
Cell 20: Oxygen Sensors
Powertrain Control Module Connector End Views
Handling ESD Sensitive Parts Notice
Cell 10: HVAC and CRUISE Fuses
Engine Controls Components
Powertrain Control Module Description
Cell 20: Vehicle Speed Sensor Signal
OBD II Symbol Description Notice
HVAC Connector End Views
Cell 63