GM Service Manual Online
For 1990-2009 cars only
Figure 1:

Cell 51: Power and Grounding, TBC, PARK LP, GAUGES and CRUISE Fuses


Object Number: 465299  Size: FS
Cell 10: STUD 2, ABS and TBC Fuses
Power and Grounding Connector End Views
Cell 10: PARK LP, ILLUM Fuses and Park Lamp, Headlamp Grounding Relays
Cell 10: TURN, SIR and GAUGES Fuses
Cell 10: HVAC and CRUISE Fuses
Body Control Module Components
Body Control System Circuit Description
Cell 51: VCM, PCM, and Data Link Connector
Cell 81: Power
Cell 10: 4WD Fuse
Body Control System Connector End Views
Handling ESD Sensitive Parts Notice
Cell 10: PARK LP, ILLUM Fuses and Park Lamp, Headlamp Grounding Relays
Cell 14: G200, G201 and G207
Figure 2:

Cell 51: VCM, PCM, and Data Link Connector


Object Number: 407474  Size: FS
Powertrain Control Module Connector End Views
Handling ESD Sensitive Parts Notice
VCM Connector End Views
Handling ESD Sensitive Parts Notice
Cell 50: SP201 (2.2L)
Body Control Module Components
Body Control System Circuit Description
Cell 51: Horn Relay
Cell 51: Power and Grounding, TBC, PARK LP, GAUGES and CRUISE Fuses
Body Control System Connector End Views
Handling ESD Sensitive Parts Notice
Transfer Case Control Connector End Views
Entertainment Connector End Views
Figure 3:

Cell 51: Horn Relay


Object Number: 380167  Size: FS
Cell 10: B+ Buss Bar
Power and Grounding Connector End Views
Body Control System Connector End Views
Cell 14: G111 and G112
Cell 14: G111 and G112
Body Control Module Components
Body Control System Circuit Description
Cell 51: MIR/LKS and RAP Fuses, RAP Relay and Passlock Sensor
Cell 51: VCM, PCM, and Data Link Connector
Figure 4:

Cell 51: MIR/LKS and RAP Fuses, RAP Relay and Passlock Sensor


Object Number: 407479  Size: FS
Cell 10: RAP, IGN B Fuses and Ignition Switch
Power and Grounding Connector End Views
Cell 130: Door Lock Switch Inputs
Cell 10: RAP, IGN B Fuses and Ignition Switch
Cell 15: RAP Relay and Ignition Switch
Body Control System Connector End Views
Handling ESD Sensitive Parts Notice
Body Control Module Components
Body Control System Circuit Description
Cell 51: VCM or PCM Speed Signal and Ambient Light Sensor
Cell 51: Horn Relay
Figure 5:

Cell 51: VCM or PCM Speed Signal and Ambient Light Sensor


Object Number: 407483  Size: FS
Cell 34: Cruise Control Module and PCM/VCM
VCM Connector End Views
Handling ESD Sensitive Parts Notice
Handling ESD Sensitive Parts Notice
Powertrain Control Module Connector End Views
Cell 81: VCM/PCM, DLC and SRS
Cell 150: ILLUM, RDO IGN and RDO BATT Fuses and VSS Signal
Cell 34: Cruise Control Module and PCM/VCM
Cell 47: Seat Belt Switch, Steering Wheel and IP Module
Cell 14: G200, G201 and G207
Cell 14: G200, G201 and G207
Body Control System Connector End Views
Handling ESD Sensitive Parts Notice
Body Control Module Components
Body Control System Circuit Description
Cell 51: Door Lock/Unlock Relays
Cell 51: MIR/LKS and RAP Fuses, RAP Relay and Passlock Sensor
Figure 6:

Cell 51: Door Lock/Unlock Relays


Object Number: 407485  Size: FS
Body Control System Connector End Views
Handling ESD Sensitive Parts Notice
Body Control Module Components
Body Control System Circuit Description
Cell 51: Automatic Transmission Preference Switch and Ignition Key Alarm Switch
Cell 51: VCM or PCM Speed Signal and Ambient Light Sensor
Cell 130: Relay Control and Door Lock Actuators
Cell 10: INT BATT, PWR LKS, CTSY LP and CIGAR LTR Fuses
Cell 14: G200, G201 and G207
Cell 130: Relay Control and Door Lock Actuators
Cell 130: Relay Control and Door Lock Actuators
Cell 14: G200, G201 and G207
Figure 7:

Cell 51: Automatic Transmission Preference Switch and Ignition Key Alarm Switch


Object Number: 407478  Size: FS
Cell 14: G200, G201 and G207
Cell 14: G200, G201 and G207
Cell 14: G200, G201 and G207
Body Control System Connector End Views
Handling ESD Sensitive Parts Notice
Body Control Module Components
Body Control System Circuit Description
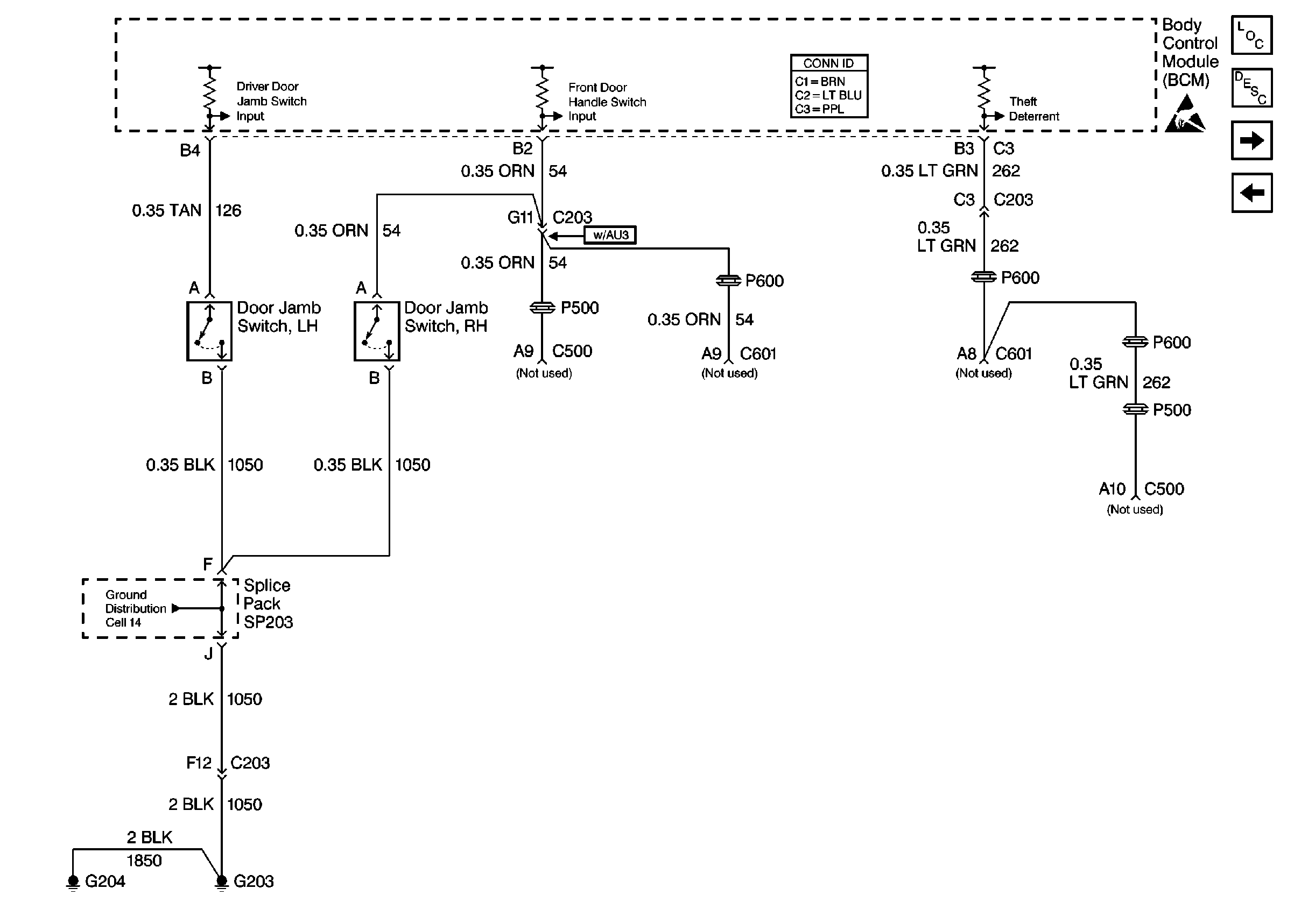
Cell 51: Door Handle Switches and Door Jamb Switches
Cell 51: Door Lock/Unlock Relays
Figure 8:

Cell 51: Door Handle Switches and Door Jamb Switches


Object Number: 407488  Size: FS
Body Control System Connector End Views
Handling ESD Sensitive Parts Notice
Body Control Module Components
Body Control System Circuit Description
Cell 51: Headlamp Switch, Inadvertent Power Relay and Courtesy Lamp Relay
Cell 51: Automatic Transmission Preference Switch and Ignition Key Alarm Switch
Cell 14: G203 and G204
Cell 51: Automatic Transmission Preference Switch and Ignition Key Alarm Switch
Figure 9:

Cell 51: Headlamp Switch, Inadvertent Power Relay and Courtesy Lamp Relay


Object Number: 380180  Size: FS
Cell 51: DRL, HDLP PWR and HDLP GND Relays
Cell 110: PARK LP Fuse and Headlamp Switch
Cell 10: PARK LP, ILLUM Fuses and Park Lamp, Headlamp Grounding Relays
Cell 114: CTSY LP Fuse, Courtesy Lamp Relay and Courtesy Lamps
Cell 10: AUX PWR, RDO BAT, HDLP SW Fuses and Inadvertent Power Lamp Relay
Cell 114: Inadvertent Power Relay, IP Compartment and Underhood Lamps
Cell 114: CTSY LP Fuse, Courtesy Lamp Relay and Courtesy Lamps
Cell 14: G200, G201 and G207
Cell 117: Headlamp Switch
Body Control System Connector End Views
Body Control Module Components
Body Control System Circuit Description
Cell 51: DRL, HDLP PWR and HDLP GND Relays
Cell 51: Door Handle Switches and Door Jamb Switches
Figure 10:

Cell 51: DRL, HDLP PWR and HDLP GND Relays


Object Number: 407493  Size: FS
Cell 10: MIR/LKS and FOG LP Fuses
Cell 14: Underhood Grounds
Power and Grounding Connector End Views
Body Control Module Components
Body Control System Circuit Description
Cell 51: LT TURN, RT TURN Fuses and Instrument Cluster
Cell 51: Headlamp Switch, Inadvertent Power Relay and Courtesy Lamp Relay
Cell 102: Headlamp Grounding Relay and Flash-To-Pass Switch
Cell 14: G200, G201 and G207
Cell 114: Headlamp Switch and HDLP SW, PARK LP Fuses
Cell 102: DRL and Headlamp Power Relays
Cell 102: DRL and Headlamp Power Relays
Body Control System Connector End Views
Handling ESD Sensitive Parts Notice
Cell 51: Headlamp Switch, Inadvertent Power Relay and Courtesy Lamp Relay
Figure 11:

Cell 51: LT TURN, RT TURN Fuses and Instrument Cluster


Object Number: 380184  Size: FS
Handling ESD Sensitive Parts Notice
Body Control System Connector End Views
Handling ESD Sensitive Parts Notice
Body Control Module Components
Body Control System Circuit Description
Cell 51: PARK LP, FOG LP Fuses, Fog Lamp Switch and Park Lamp, Fog Lamp Relays
Cell 51: DRL, HDLP PWR and HDLP GND Relays
Cell 14: G203 and G204
Cell 110: Front Park and Turn Signal Lamps
Figure 12:

Cell 51: PARK LP, FOG LP Fuses, Fog Lamp Switch and Park Lamp, Fog Lamp Relays


Object Number: 380198  Size: FS
Power and Grounding Connector End Views
Cell 10: PARK LP, ILLUM Fuses and Park Lamp, Headlamp Grounding Relays
Cell 10: MIR/LKS and FOG LP Fuses
Power and Grounding Connector End Views
Body Control Module Components
Body Control System Circuit Description
Cell 51: LT TURN, RT TURN Fuses and Instrument Cluster
Cell 103
Cell 10: PARK LP, ILLUM Fuses and Park Lamp, Headlamp Grounding Relays
Cell 10: PARK LP, ILLUM Fuses and Park Lamp, Headlamp Grounding Relays
Cell 117: ILLUM Fuse 12
Body Control System Connector End Views
Cell 14: G203 and G204
Figure 13:

Cell 51: DTC B2600 -- DRL Circuit Malfunction


Object Number: 403316  Size: FS
Cell 14: G203 and G204
Cell 10: AUX PWR, RDO BAT, HDLP SW Fuses and Inadvertent Power Lamp Relay
Body Control Module Components
Body Control System Circuit Description
Handling ESD Sensitive Parts Notice
Body Control System Connector End Views
Figure 14:

Cell 51: DTC B2617 and B2618 -- Courtesy Lamp Circuit


Object Number: 465285  Size: FS
Cell 114: Headlamp Switch and HDLP SW, PARK LP Fuses
Cell 114: Inadvertent Power Relay, IP Compartment and Underhood Lamps
Cell 114: Inadvertent Power Relay, IP Compartment and Underhood Lamps
Cell 10: INT BATT, PWR LKS, CTSY LP and CIGAR LTR Fuses
Cell 114: CTSY LP Fuse, Courtesy Lamp Relay and Courtesy Lamps
Cell 117: Headlamp Switch
Body Control Module Components
Body Control System Circuit Description
Cell 117: ILLUM Fuse 12
Cell 14: G200, G201 and G207
Body Control System Connector End Views
Handling ESD Sensitive Parts Notice
Figure 15:

Cell 51: DTC B3137, B3138, B3147, and B3148 -- Power Door Locks


Object Number: 403366  Size: FS
Cell 130: Relay Control and Door Lock Actuators
Cell 10: INT BATT, PWR LKS, CTSY LP and CIGAR LTR Fuses
Cell 10: MIR/LKS and FOG LP Fuses
Body Control Module Components
Body Control System Circuit Description
Body Control System Connector End Views
Handling ESD Sensitive Parts Notice
Cell 130: Relay Control and Door Lock Actuators