GM Service Manual Online
For 1990-2009 cars only
Figure 1:

Cell 21: ECM B, ECM I and RDO BATT Fuses, GND, Generator and MIL


Object Number: 385560  Size: FS
Cell 10: ECM B, HORN Fuses and Horn, Fuel Pump Relays
Cell 10: ECM I Fuse
Power and Grounding Connector End Views
Cell 10: AUX PWR, RDO BAT, HDLP SW Fuses and Inadvertent Power Lamp Relay
Cell 150: ILLUM, RDO IGN and RDO BATT Fuses and VSS Signal
Engine Controls Components
Vehicle Control Module Description
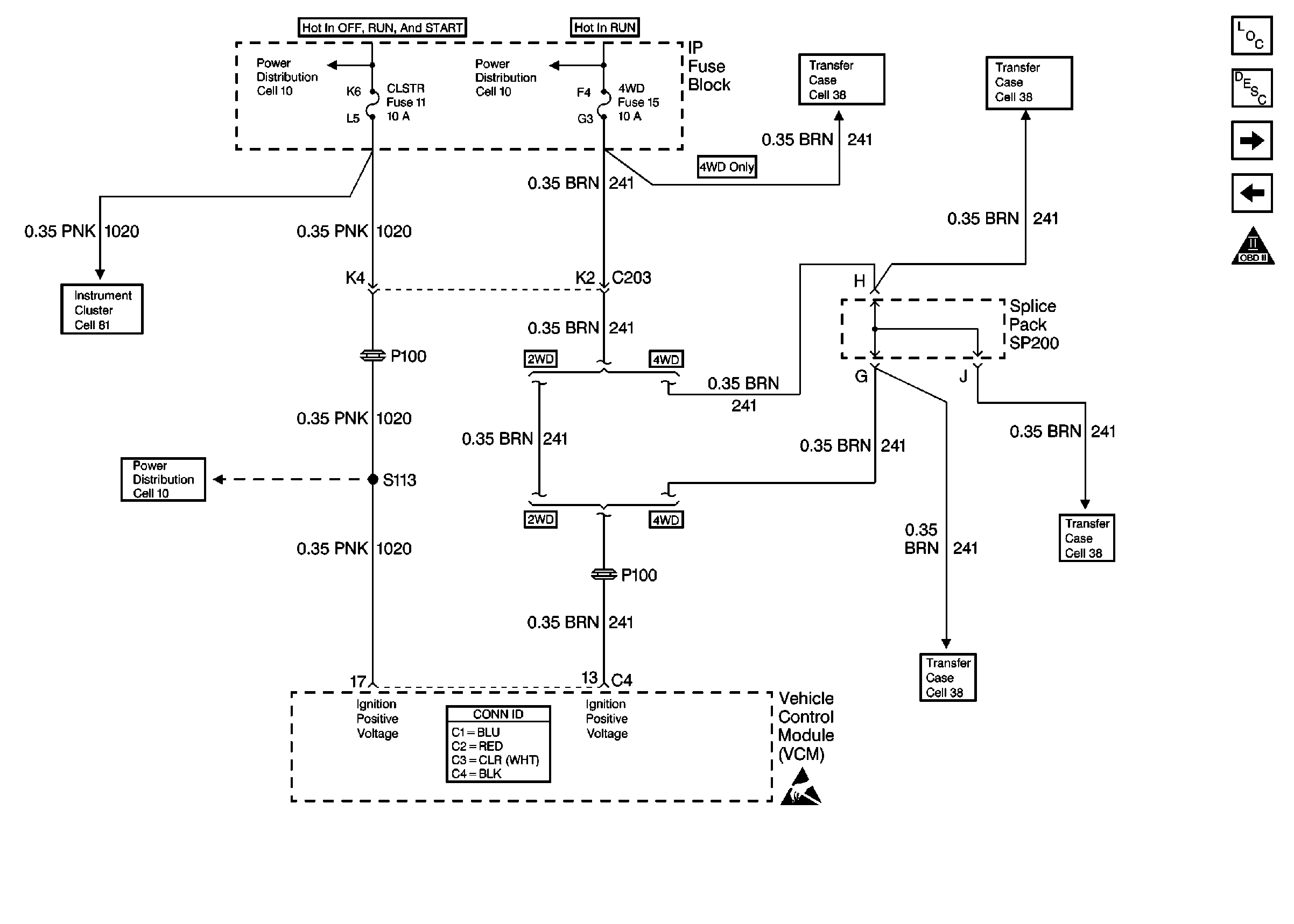
Cell 21: VCM, CLSTR and 4WD Fuses
OBD II Symbol Description Notice
Handling ESD Sensitive Parts Notice
Cell 81: Power
VCM Connector End Views
Handling ESD Sensitive Parts Notice
Cell 14: G103 and G105 (4.3L)
Cell 64 (4.3L)
Figure 2:

Cell 21: VCM, CLSTR and 4WD Fuses


Object Number: 385568  Size: FS
Cell 81: Power
Cell 10: CRANK and CLSTR Fuses
Cell 10: CRANK and CLSTR Fuses
Cell 10: 4WD Fuse
Cell 38: Power, Transfer Case Select Switch and Body Control Module(BCM)
Cell 38: Power, Front Axle Switch and Vehicle Control Module (VCM)
VCM Connector End Views
Handling ESD Sensitive Parts Notice
Cell 38: Power, Front Axle Switch and Vehicle Control Module (VCM)
Cell 38: Power, Front Axle Switch and Vehicle Control Module (VCM)
Engine Controls Components
Vehicle Control Module Description
Cell 21: Data Link Connector
Cell 21: ECM B, ECM I and RDO BATT Fuses, GND, Generator and MIL
OBD II Symbol Description Notice
Figure 3:

Cell 21: Data Link Connector


Object Number: 385572  Size: FS
Cell 10: INT BATT, PWR LKS, CTSY LP and CIGAR LTR Fuses
Cell 19
Cell 14: G200, G201 and G207
Cell 14: Underhood Grounds
Cell 50: Power, Ground and SRS
Engine Controls Components
Vehicle Control Module Description
Cell 21: Ignition Controls
Cell 21: VCM, CLSTR and 4WD Fuses
OBD II Symbol Description Notice
VCM Connector End Views
Handling ESD Sensitive Parts Notice
Power and Grounding Connector End Views
Cell 14: Underhood Grounds
Cell 14: G103 and G105 (4.3L)
Cell 14: G103 and G105 (4.3L)
Body Control System Connector End Views
Cell 50: SP201 (4.3L)
Figure 4:

Cell 21: Ignition Controls


Object Number: 385574  Size: FS
Cell 10: ENG I and OXYSEN Fuses
Power and Grounding Connector End Views
Cell 10: ECM I Fuse
Cell 21: MAF Sensor and IAC Valve
VCM Connector End Views
Cell 81: VCM/PCM, DLC and SRS
Cell 14: G103 and G105 (4.3L)
Handling ESD Sensitive Parts Notice
Handling ESD Sensitive Parts Notice
Engine Controls Components
Vehicle Control Module Description
Cell 21: Fuel Pump and Sender
Cell 21: Data Link Connector
OBD II Symbol Description Notice
Cell 14: G103 and G105 (4.3L)
Figure 5:

Cell 21: Fuel Pump and Sender


Object Number: 385578  Size: FS
VCM Connector End Views
Cell 10: ECM B, HORN Fuses and Horn, Fuel Pump Relays
Power and Grounding Connector End Views
Handling ESD Sensitive Parts Notice
Engine Controls Components
Vehicle Control Module Description
Cell 21: Fuel Injection Controls
Cell 21: Ignition Controls
OBD II Symbol Description Notice
Handling ESD Sensitive Parts Notice
Cell 21: Vehicle Speed Sensor
Cell 21: MAP, IAT, ECT, TP and Fuel Tank Pressure Sensors
Cell 21: Heated Oxygen Sensors
Cell 14: Underhood Grounds
Figure 6:

Cell 21: Fuel Injection Controls


Object Number: 385586  Size: FS
Cell 10: ECM I Fuse
Power and Grounding Connector End Views
VCM Connector End Views
Handling ESD Sensitive Parts Notice
Engine Controls Components
Vehicle Control Module Description
Cell 21: MAP, IAT, ECT, TP and Fuel Tank Pressure Sensors
Cell 21: Fuel Pump and Sender
OBD II Symbol Description Notice
Figure 7:

Cell 21: MAP, IAT, ECT, TP and Fuel Tank Pressure Sensors


Object Number: 385610  Size: FS
VCM Connector End Views
Cell 21: EGR and EVAP Valves
Cell 81: CRANK Fuse and VSS Input
Handling ESD Sensitive Parts Notice
Engine Controls Components
Vehicle Control Module Description
Cell 21: Heated Oxygen Sensors
Cell 21: Fuel Injection Controls
OBD II Symbol Description Notice
Handling ESD Sensitive Parts Notice
Cell 21: Automatic Transmission Valve Controls
Cell 21: EGR and EVAP Valves
Cell 21: Fuel Pump and Sender
Figure 8:

Cell 21: Heated Oxygen Sensors


Object Number: 385613  Size: FS
Power and Grounding Connector End Views
Cell 10: IGN C, IGN A Fuses and Ignition Switch
VCM Connector End Views
Handling ESD Sensitive Parts Notice
Engine Controls Components
Vehicle Control Module Description
Cell 21: MAF Sensor and IAC Valve
Cell 21: MAP, IAT, ECT, TP and Fuel Tank Pressure Sensors
OBD II Symbol Description Notice
Cell 14: G104 and G117
Cell 14: G205 and G206
Figure 9:

Cell 21: MAF Sensor and IAC Valve


Object Number: 385615  Size: FS
Power and Grounding Connector End Views
Cell 10: ENG I and OXYSEN Fuses
Cell 21: EGR and EVAP Valves
VCM Connector End Views
Handling ESD Sensitive Parts Notice
Engine Controls Components
Vehicle Control Module Description
Cell 21: AIR Pump Control
Cell 21: Heated Oxygen Sensors
OBD II Symbol Description Notice
Handling ESD Sensitive Parts Notice
Cell 21: Ignition Controls
Cell 14: G103 and G105 (4.3L)
Figure 10:

Cell 21: AIR Pump Control


Object Number: 385616  Size: FS
Power and Grounding Connector End Views
Cell 10: IGN E, RDO IGN Fuses and Power Window Circuit Breaker
Cell 10: B+ Buss Bar
Cell 10: B+ Buss Bar
VCM Connector End Views
Handling ESD Sensitive Parts Notice
Engine Controls Components
Vehicle Control Module Description
Cell 21: Vehicle Speed Sensor
Cell 21: MAF Sensor and IAC Valve
OBD II Symbol Description Notice
Figure 11:

Cell 21: Vehicle Speed Sensor


Object Number: 385618  Size: FS
VCM Connector End Views
Handling ESD Sensitive Parts Notice
Engine Controls Components
Vehicle Control Module Description
Cell 21: EGR and EVAP Valves
Cell 21: AIR Pump Control
OBD II Symbol Description Notice
Cell 21: Heated Oxygen Sensors
Figure 12:

Cell 21: EGR and EVAP Valves


Object Number: 385620  Size: FS
Cell 21: MAP, IAT, ECT, TP and Fuel Tank Pressure Sensors
Cell 21: Vehicle Speed Sensor
VCM Connector End Views
Cell 21: MAF Sensor and IAC Valve
Power and Grounding Connector End Views
Cell 10: ENG I and OXYSEN Fuses
Engine Controls Components
Vehicle Control Module Description
Cell 21: TCC/Stop Lamp Switch Input
Cell 21: Vehicle Speed Sensor
OBD II Symbol Description Notice
Handling ESD Sensitive Parts Notice
Figure 13:

Cell 21: TCC/Stop Lamp Switch Input


Object Number: 385624  Size: FS
Engine Controls Components
Vehicle Control Module Description
Cell 21: Vehicle Speed Outputs and Driver Information Display
Cell 21: EGR and EVAP Valves
OBD II Symbol Description Notice
Cell 10: STUD 2, ABS and TBC Fuses
Cell 44: Power and Ground
Cell 34: Clutch Pedal Position Switch and TCC/Stop Lamp Switch
Cell 34: Clutch Pedal Position Switch and TCC/Stop Lamp Switch
Cell 34: Clutch Pedal Position Switch and TCC/Stop Lamp Switch
Handling ESD Sensitive Parts Notice
VCM Connector End Views
Figure 14:

Cell 21: Vehicle Speed Outputs and Driver Information Display


Object Number: 385628  Size: FS
Handling ESD Sensitive Parts Notice
Body Control System Connector End Views
Handling ESD Sensitive Parts Notice
Entertainment Connector End Views
Handling ESD Sensitive Parts Notice
Handling ESD Sensitive Parts Notice
Antilock Brake System Connector End Views
Engine Controls Components
Vehicle Control Module Description
Cell 21: Automatic Transmission Valve Controls
Cell 21: TCC/Stop Lamp Switch Input
OBD II Symbol Description Notice
Handling ESD Sensitive Parts Notice
Transfer Case Control Connector End Views
Handling ESD Sensitive Parts Notice
VCM Connector End Views
Handling ESD Sensitive Parts Notice
Figure 15:

Cell 21: Automatic Transmission Valve Controls


Object Number: 385635  Size: FS
Handling Electrostatic Discharge Sensitive Parts Notice
Cell 10: CRANK and CLSTR Fuses
Cell 81: Power
Cell 138
Cell 21: VCM, CLSTR and 4WD Fuses
Engine Controls Components
Vehicle Control Module Description
Cell 21: Automatic Transmission Switch Inputs
Cell 21: Vehicle Speed Outputs and Driver Information Display
OBD II Symbol Description Notice
VCM Connector End Views
Handling ESD Sensitive Parts Notice
Figure 16:

Cell 21: Automatic Transmission Switch Inputs


Object Number: 385638  Size: FS
VCM Connector End Views
Engine Controls Components
Handling ESD Sensitive Parts Notice
Vehicle Control Module Description
Cell 21: A/C Compressor Control
Cell 21: Automatic Transmission Valve Controls
OBD II Symbol Description Notice
Tilt Wheel/Column Connector End Views
Cell 21: MAP, IAT, ECT, TP and Fuel Tank Pressure Sensors
Handling ESD Sensitive Parts Notice
Cell 14: G103 and G105 (4.3L)
Cell 21: Vehicle Speed Sensor
Figure 17:

Cell 21: A/C Compressor Control


Object Number: 385642  Size: FS
Cell 10: ATC, HVAC and A/C Fuses
Power and Grounding Connector End Views
Cell 14: Underhood Grounds
Cell 21: Heated Oxygen Sensors
VCM Connector End Views
Handling ESD Sensitive Parts Notice
HVAC Connector End Views
Cell 14: G103 and G105 (4.3L)
Cell 63
Cell 10: HVAC and CRUISE Fuses
Engine Controls Components
Vehicle Control Module Description
Cell 21: Automatic Transmission Switch Inputs
OBD II Symbol Description Notice
Cell 10: IGN E, RDO IGN Fuses and Power Window Circuit Breaker