GM Service Manual Online
For 1990-2009 cars only
Figure 1:

Cell 132: Keyless Entry


Object Number: 234906  Size: FS
Keyless Entry Components
Keyless Entry System Circuit Description
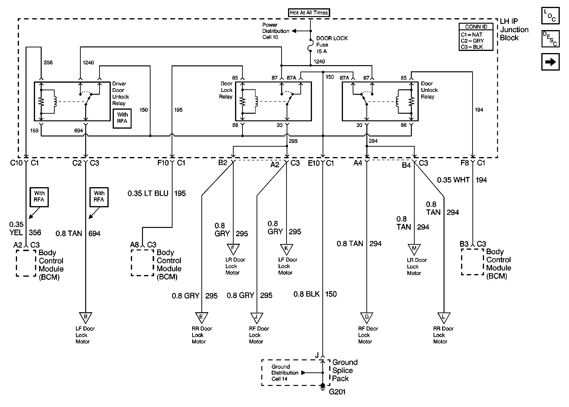
Cell 132: Door Lock Relay and Door Unlock Relay
Power Distribution Schematics
Data Link Connector Schematics
Keyless Entry Connector End Views
Handling ESD Sensitive Parts Notice
Figure 2:

Cell 132: Door Lock Relay and Door Unlock Relay


Object Number: 389501  Size: FS
Keyless Entry Components
Keyless Entry System Circuit Description
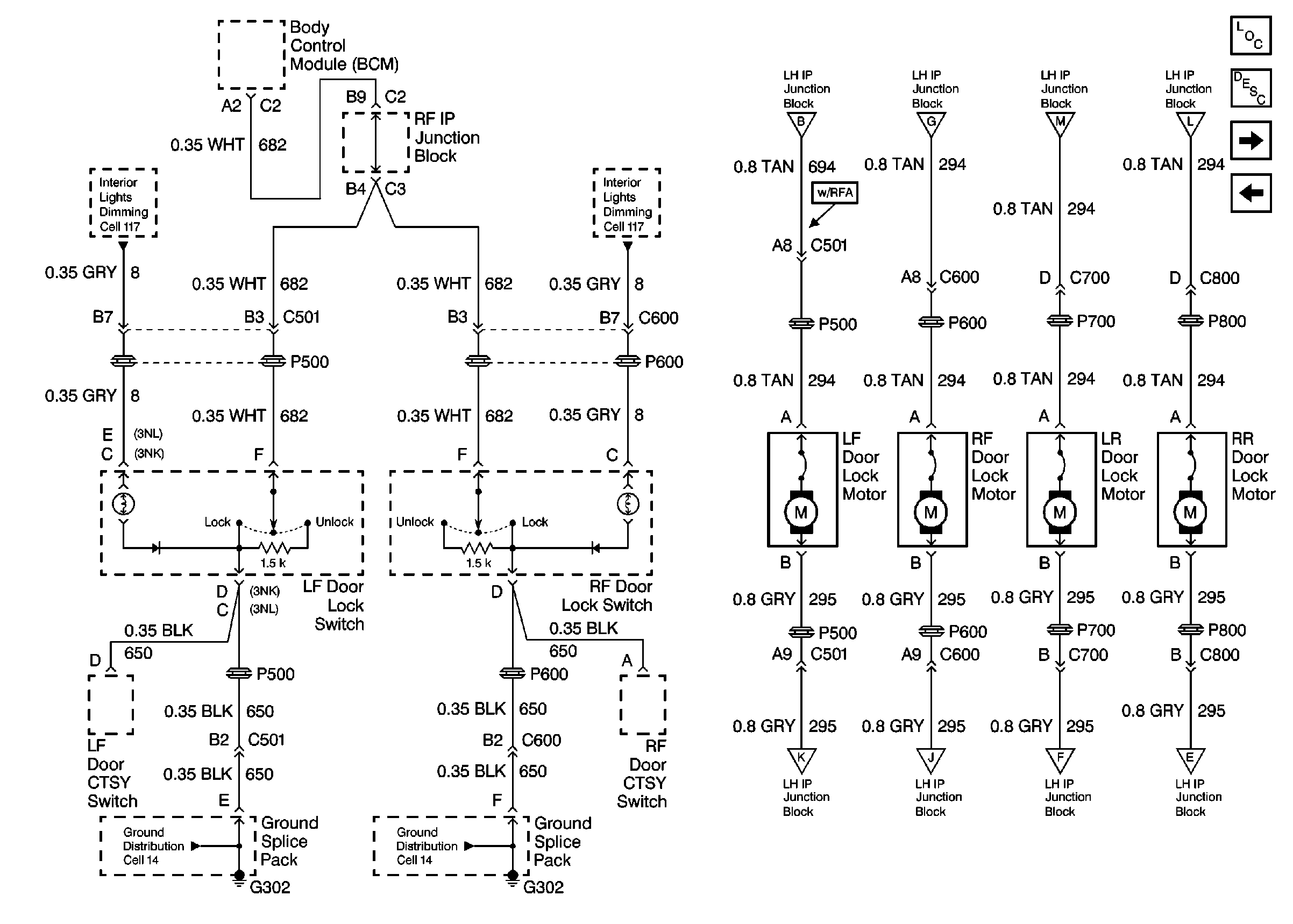
Cell 132: Door Lock Motors and Door Lock Switches
Cell 132: Keyless Entry
Cell 132: Door Lock Motors and Door Lock Switches
Cell 132: Door Lock Motors and Door Lock Switches
Cell 132: Door Lock Motors and Door Lock Switches
Cell 132: Door Lock Motors and Door Lock Switches
Cell 132: Door Lock Motors and Door Lock Switches
Cell 132: Door Lock Motors and Door Lock Switches
Cell 132: Door Lock Motors and Door Lock Switches
Cell 132: Door Lock Motors and Door Lock Switches
Ground Distribution Schematics
Power Distribution Schematics
Figure 3:

Cell 132: Door Lock Motors and Door Lock Switches


Object Number: 389496  Size: FS
Keyless Entry Components
Keyless Entry System Circuit Description
Cell 132: Rear Compartment Lid Release Motor, Switch and Relay
Cell 132: Door Lock Relay and Door Unlock Relay
Cell 132: Rear Compartment Lid Release Motor, Switch and Relay
Cell 132: Rear Compartment Lid Release Motor, Switch and Relay
Cell 132: Rear Compartment Lid Release Motor, Switch and Relay
Cell 132: Rear Compartment Lid Release Motor, Switch and Relay
Ground Distribution Schematics
Ground Distribution Schematics
Interior Lights Dimming Schematics
Interior Lights Dimming Schematics
Figure 4:

Cell 132: Rear Compartment Lid Release Motor, Switch and Relay


Object Number: 389485  Size: FS
Keyless Entry Components
Keyless Entry System Circuit Description
Cell 132: Door Lock Motors and Door Lock Switches
Ground Distribution Schematics
Ground Distribution Schematics
Interior Lights Schematics
Power Distribution Schematics
Power Distribution Schematics
Handling ESD Sensitive Parts Notice