GM Service Manual Online
For 1990-2009 cars only
Makes
🢒
Oldsmobile
🢒
1999
🢒
Alero
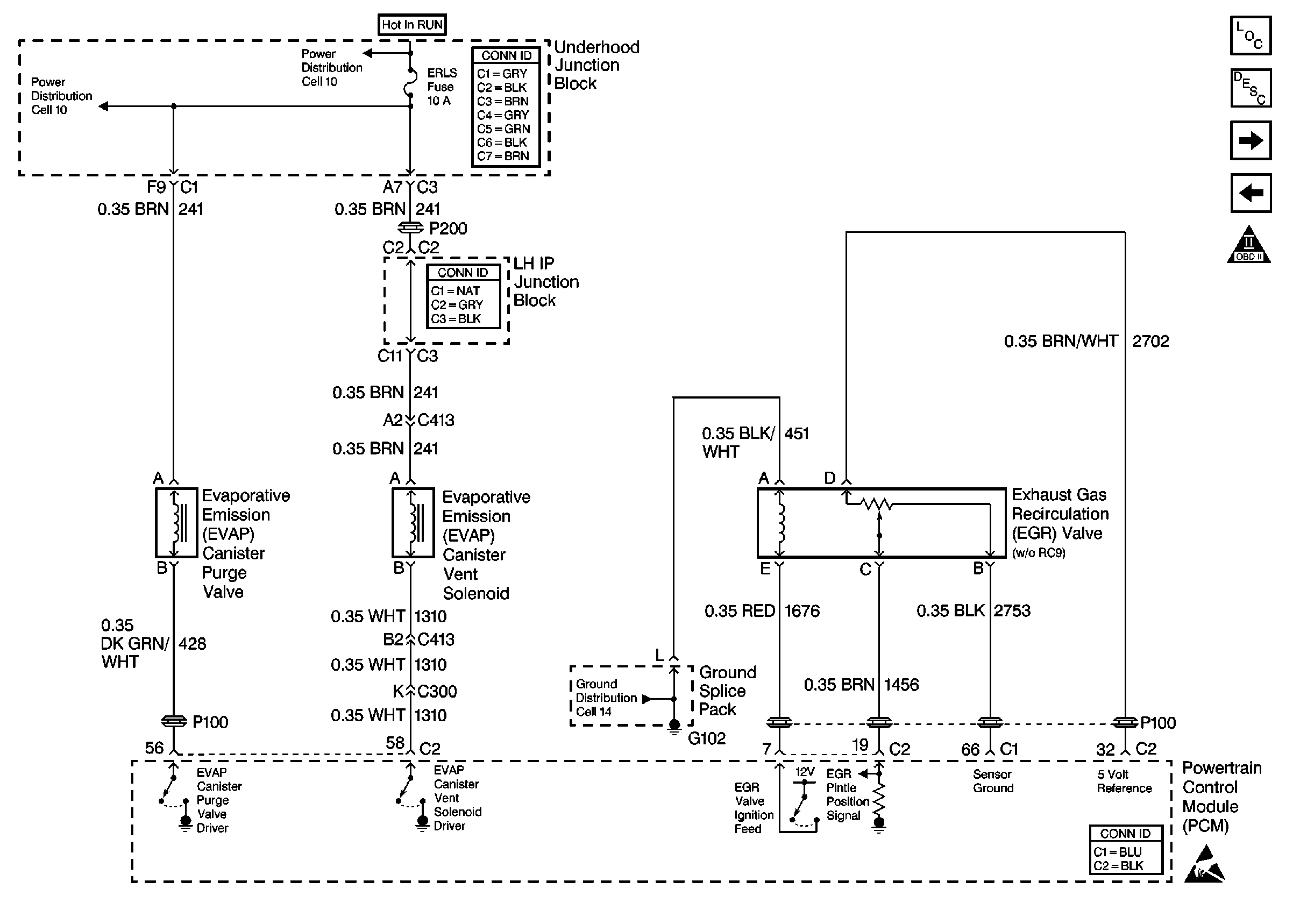
🢒 Cell 23: EVAP and EGR Controls
Cell 23: EVAP and EGR Controls
Cell 23: EVAP and EGR Controls
Engine Controls Components
Information Sensors/Switches Description
Cell 23: Oxygen Sensors
Cell 23: Engine Data Sensors
OBDII Symbol Description Notice
Handling Electrostatic Discharge Sensitive Parts Notice
Cell 10: HTR A/C IGN, ERLS Fuses
Cell 10: HTR A/C IGN, ERLS Fuses
Power and Grounding Connector End Views
Power and Grounding Connector End Views
Cell 14: G102 and G104
Power and Grounding Connector End Views