GM Service Manual Online
For 1990-2009 cars only
Figure 1:

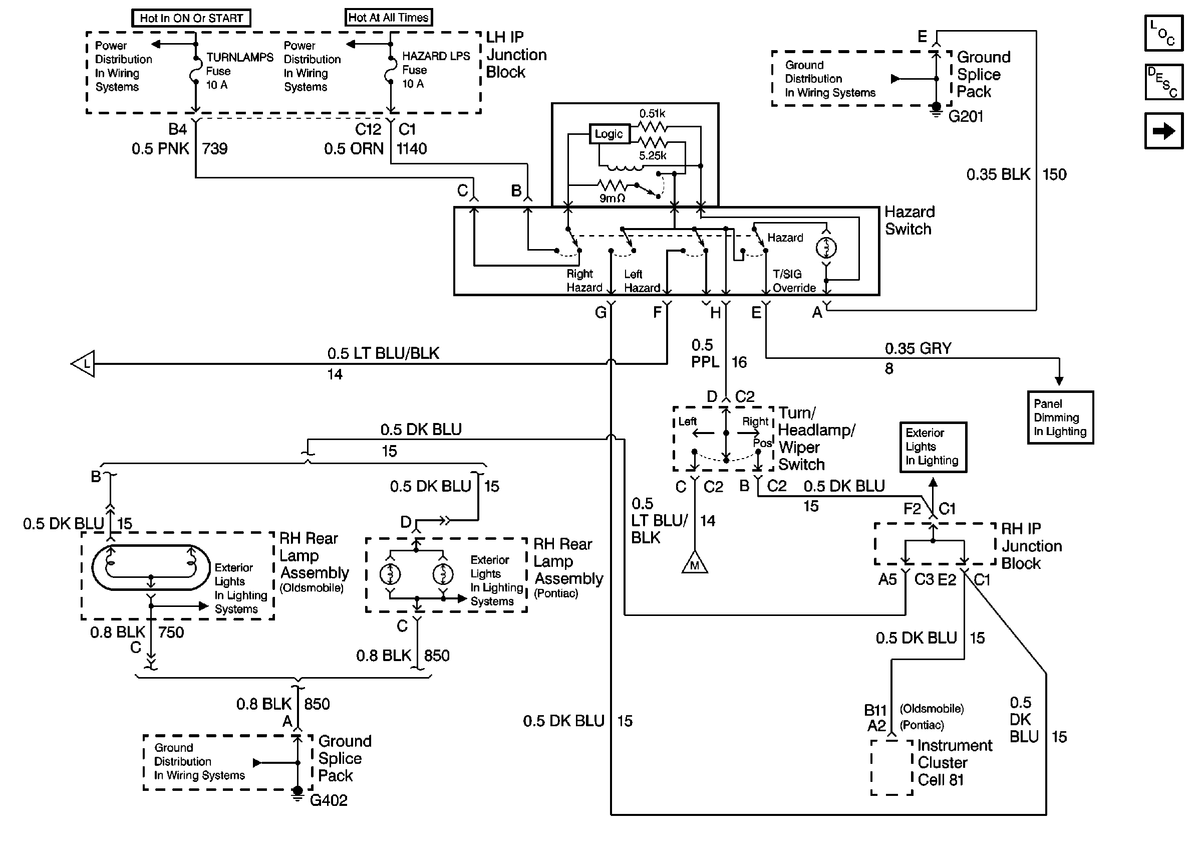
Right Rear Lamp Assembly and Hazard Switch


Object Number: 477150  Size: FS
Lighting Systems Components
Exterior Lights Circuit Description
Left Rear Lamp Assembly
Instrument Panel Dimmer Switch and Lamp Dimmer Module
Left Rear Lamp Assembly
Ground Distribution Schematics
Figure 2:

Left Rear Lamp Assembly


Object Number: 477152  Size: FS
Lighting Systems Components
Exterior Lights Circuit Description
Front Park/Turnlamps and High Mounted Stop Lamp
Right Rear Lamp Assembly and Hazard Switch
Handling ESD Sensitive Parts Notice
Handling ESD Sensitive Parts Notice
Ground Distribution Schematics
Front Park/Turnlamps and High Mounted Stop Lamp
Figure 3:

Front Park/Turnlamps and High Mounted Stop Lamp


Object Number: 477154  Size: FS
Lighting Systems Components
Exterior Lights Circuit Description
Brake Switch and High Mounted Stop Lamp
Left Rear Lamp Assembly
Handling ESD Sensitive Parts Notice
Left Rear Lamp Assembly
Tail/Stop Lamps
Right Rear Lamp Assembly and Hazard Switch
Handling ESD Sensitive Parts Notice
Ground Distribution Schematics
Ground Distribution Schematics
Ground Distribution Schematics
Ground Distribution Schematics
Figure 4:

Brake Switch and High Mounted Stop Lamp


Object Number: 477158  Size: FS
Lighting Systems Components
Exterior Lights Circuit Description
Tail/Stop Lamps
Front Park/Turnlamps and High Mounted Stop Lamp
Handling ESD Sensitive Parts Notice
Handling ESD Sensitive Parts Notice
Handling ESD Sensitive Parts Notice
Ground Distribution Schematics
Tail/Stop Lamps
Tail/Stop Lamps
Figure 5:

Tail/Stop Lamps


Object Number: 477162  Size: FS
Lighting Systems Components
Exterior Lights Circuit Description
Rear Compartment Lid Lamp and License Lamp
Brake Switch and High Mounted Stop Lamp
Handling ESD Sensitive Parts Notice
Handling ESD Sensitive Parts Notice
Handling ESD Sensitive Parts Notice
Brake Switch and High Mounted Stop Lamp
Brake Switch and High Mounted Stop Lamp
Ground Distribution Schematics
Ground Distribution Schematics
Figure 6:

Rear Compartment Lid Lamp and License Lamp


Object Number: 477165  Size: FS
Lighting Systems Components
Exterior Lights Circuit Description
Tail/Stop Lamps
Handling ESD Sensitive Parts Notice
Handling ESD Sensitive Parts Notice
Ground Distribution Schematics
Ground Distribution Schematics
Ground Distribution Schematics
Front Park/Turnlamps and High Mounted Stop Lamp