GM Service Manual Online
For 1990-2009 cars only
Figure 1:

Power, Ground, Serial Data and MIL


Object Number: 777936  Size: FS
Master Electrical Component List
Powertrain Control Module Description
5 Volt and Low Reference Bussing
OBD II Symbol Description Notice
L/H BEC BATT1, AUX PWR/CIGAR, PARK LPS, PCM BATT, PWR MIRROR, DR LOCK, TRUNK REL/RFA/Radio Amp Fuses, and RWR SEAT Circuit Breaker
IGN SW-BATT2, WIPER, AIR BAG, TURN LPS, IGN MOD, B/U LP/BTSI, PCM IGN, F/P INJR, A/C BFC, AUTO TRANS, ABS/EVO/IGN Fuses
IGN SW-BATT1, HTR-A/C, ERLS, CRANK, PCM ACC, IPC/BFC/ACC Fuses
G102 and G104
G102 and G104
Data Link Connector (DLC) Schematics
Figure 2:

5 Volt and Low Reference Bussing


Object Number: 790296  Size: FS
Master Electrical Component List
Powertrain Control Module Description
Engine Data Sensors - Pressure and Temperature
Power and Ground Serial Data and MIL
OBD II Symbol Description Notice
Figure 3:

Engine Data Sensors - Pressure and Temperature


Object Number: 777959  Size: FS
Master Electrical Component List
Powertrain Control Module Description
Heated Oxygen Sensors
5 Volt and Low Reference Bussing
OBD II Symbol Description Notice
Fuel Level, Oil Level and TPM
Figure 4:

Heated Oxygen Sensors


Object Number: 777964  Size: FS
Master Electrical Component List
Powertrain Control Module Description
Ignition System
Engine Data Sensors - Pressure and Temperature
OBD II Symbol Description Notice
IGN SW-BATT2, WIPER, AIR BAG, TURN LPS, IGN MOD, B/U LP/BTSI, PCM IGN, F/P INJR, A/C BFC, AUTO TRANS, ABS/EVO/IGN Fuses
IGN SW-BATT1, HTR-A/C, ERLS, CRANK, PCM ACC, IPC/BFC/ACC Fuses
Figure 5:

Ignition System


Object Number: 777942  Size: FS
Master Electrical Component List
Fuel System Description
Fuel Pump Controls
Heated Oxygen Sensors
OBD II Symbol Description Notice
IGN SW-BATT2, WIPER, AIR BAG, TURN LPS, IGN MOD, B/U LP/BTSI, PCM IGN, F/P INJR, A/C BFC, AUTO TRANS, ABS/EVO/IGN Fuses
Engine Controls Schematic Icons
Engine Controls Schematic Icons
G103 and G105
G103 and G105
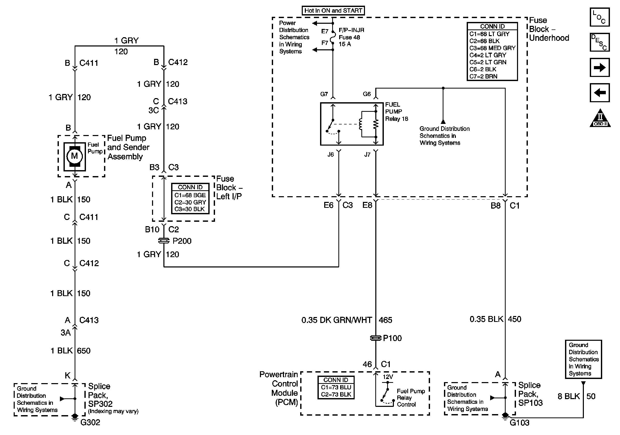
Figure 6:

Fuel Pump Controls


Object Number: 777953  Size: FS
Master Electrical Component List
Fuel System Description
Fuel Injectors
Ignition System
OBD II Symbol Description Notice
IGN SW-BATT2, WIPER, AIR BAG, TURN LPS, IGN MOD, B/U LP/BTSI, PCM IGN, F/P INJR, A/C BFC, AUTO TRANS, ABS/EVO/IGN Fuses
Compressor Controls
G302
G103 and G105
G103 and G105
Figure 7:

Fuel Injectors


Object Number: 777949  Size: FS
Master Electrical Component List
Fuel System Description
EVAP Controls
Fuel Pump Controls
OBD II Symbol Description Notice
IGN SW-BATT2, WIPER, AIR BAG, TURN LPS, IGN MOD, B/U LP/BTSI, PCM IGN, F/P INJR, A/C BFC, AUTO TRANS, ABS/EVO/IGN Fuses
Figure 8:

EVAP Controls


Object Number: 777975  Size: FS
Master Electrical Component List
Evaporative Emission Control System Description
IAC Valve
Fuel Injectors
OBD II Symbol Description Notice
IGN SW-BATT1, HTR-A/C, ERLS, CRANK, PCM ACC, IPC/BFC/ACC Fuses
Compressor Controls
Figure 9:

IAC Valve


Object Number: 790299  Size: FS
Master Electrical Component List
Powertrain Control Module Description
Controlled/Monitored Subsystem References
EVAP Controls
OBD II Symbol Description Notice
Figure 10:

Controlled/Monitored Subsystem References


Object Number: 777986  Size: FS
Master Electrical Component List
Transmission Controls - A/T
IAC Valve
OBD II Symbol Description Notice
Figure 11:

Transmission Controls - A/T


Object Number: 777994  Size: FS
Master Electrical Component List
Controlled/Monitored Subsystem References
OBD II Symbol Description Notice
Transmission Solenoids, VSS, and TCC Brake Switch Signal
Transmission Switches, TFT and A/T ISS Sensor
Transmission Switches, TFT and A/T ISS Sensor
PNP Switch