GM Service Manual Online
For 1990-2009 cars only
Figure 1:

Power and Ground


Object Number: 869553  Size: FS
Master Electrical Component List
Cruise Control Description and Operation
Stop Lamp Switch
PWR WNDW, Circuit Breaker, CRUISE SW, CRUISE, SUNROOF, HVAC BLOWER Fuses
PWR WNDW, Circuit Breaker, CRUISE SW, CRUISE, SUNROOF, HVAC BLOWER Fuses
G101
Figure 2:

Stop Lamp Switch


Object Number: 867513  Size: FS
Master Electrical Component List
Cruise Control Description and Operation
ON/OFF Switch
Power and Ground
RH HDLP, LH HDLP, GEN BATT, LH BEC BATT2, STOP LPS, HAZARD LPS, IPC/HVAC BATT, BFC BATT Fuses
Stop Lamps
Stop Lamp Switch and Traction Control Switch
Data Link Connector (DLC) Schematics
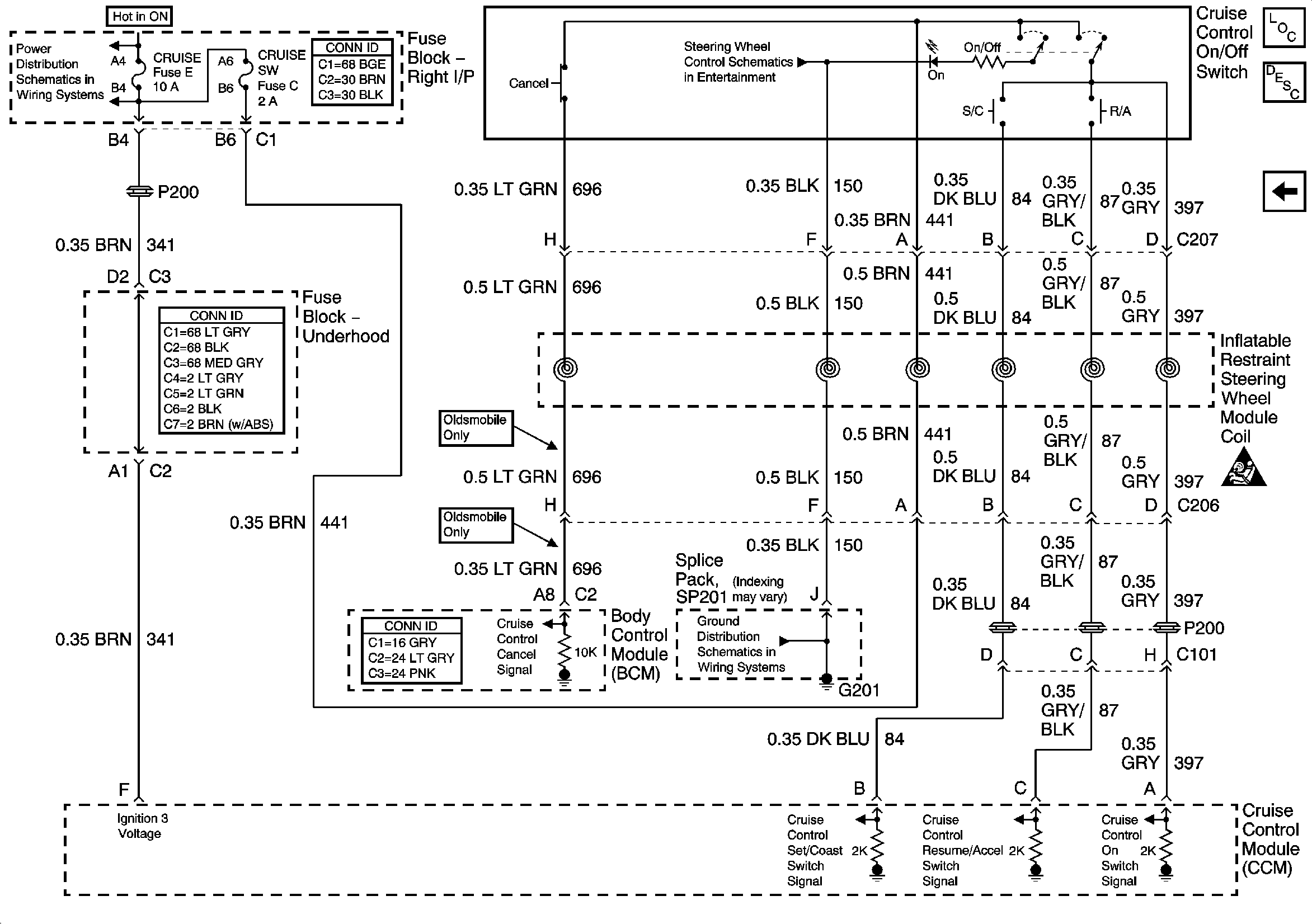
Figure 3:

Cruise Control ON/OFF Switch


Object Number: 869555  Size: FS
Master Electrical Component List
Cruise Control Description and Operation
Stop Lamp Switch
PWR WNDW, Circuit Breaker, CRUISE SW, CRUISE, SUNROOF, HVAC BLOWER Fuses
Steering Wheel Controls Schematics
G201
SIR Caution for Zoning