GM Service Manual Online
For 1990-2009 cars only
Figure 1:

Power and Ground


Object Number: 869588  Size: FS
Master Electrical Component List
ABS Description and Operation
Wheel Speed Sensors
IGN SW-BATT2, AIR BAG, TURN LPS, IGN MOD, B/U LP/BTSI, PCM IGN, F/P INJR, A/C BFC, AUTO TRANS, ABS/EVO/IGN Fuses
R/H BEC BATT, ABS, COOL FAN #2 GROUND (V6), INT LPS, RADIO BATT, FOG LPS Fuses
G103 and G105
Data Link Connector (DLC) Schematics
Figure 2:

Wheel Speed Sensors


Object Number: 791534  Size: FS
Master Electrical Component List
ABS Description and Operation
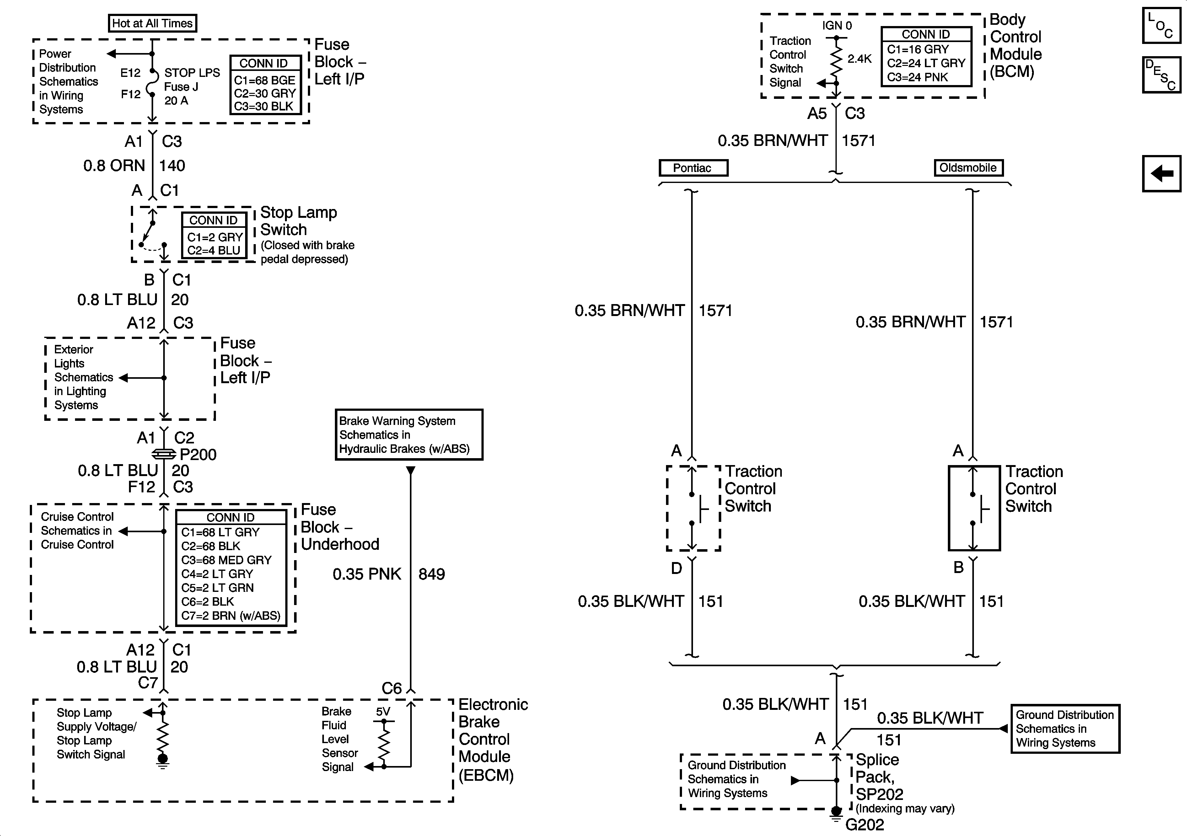
Stop Lamp Switch and Traction Control Switch
Power and Ground
Antilock Brake System Schematic Icons
Antilock Brake System Schematic Icons
Figure 3:

Stop Lamp Switch and Traction Control Switch


Object Number: 856830  Size: FS
Master Electrical Component List
ABS Description and Operation
Wheel Speed Sensors
RH HDLP, LH HDLP, GEN BATT, LH BEC BATT2, STOP LPS, HAZARD LPS, IPC/HVAC BATT, BFC BATT Fuses
Stop Lamps
Stop Lamp Switch
w/o ABS
w/ABS
G202
G202