GM Service Manual Online
For 1990-2009 cars only
Figure 1:

B+ Bus Bar


Object Number: 868988  Size: FS
Master Electrical Component List
IGN SW-BATT2, AIR BAG, TURN LPS, IGN MOD, B/U LP/BTSI, PCM IGN, F/P INJR, A/C BFC, AUTO TRANS, ABS/EVO/IGN Fuses
Figure 2:

IGN SW-BATT2, WIPER, AIR BAG, TURN LPS, IGN MOD, B/U LP/BTSI, PCM IGN, F/P INJR, A/C BFC, AUTO TRANS, ABS/EVO/IGN Fuses


Object Number: 1217175  Size: FS
Master Electrical Component List
IGN SW-BATT1, HTR A/C, ERLS and CRANK Fuses
B+ Bus Bar
B+ Bus Bar
SIR Caution for Zoning
Figure 3:

IGN SW-BATT1, HTR A/C, ERLS and CRANK Fuses


Object Number: 1217180  Size: FS
Master Electrical Component List
PCM ACC and IPC/BFC ACC Fuses
IGN SW-BATT2, AIR BAG, TURN LPS, IGN MOD, B/U LP/BTSI, PCM IGN, F/P INJR, A/C BFC, AUTO TRANS, ABS/EVO/IGN Fuses
B+ Bus Bar
PCM ACC and IPC/BFC ACC Fuses
PWR WNDW, Circuit Breaker, CRUISE SW, CRUISE, SUNROOF, HVAC BLOWER Fuses
Figure 4:

PCM ACC, and IPC/BFC ACC Fuses


Object Number: 1217188  Size: FS
Master Electrical Component List
PWR WNDW, Circuit Breaker, CRUISE SW, CRUISE, SUNROOF, HVAC BLOWER Fuses
IGN SW-BATT1, HTR A/C, ERLS and CRANK Fuses
IGN SW-BATT1, HTR A/C, ERLS and CRANK Fuses
Figure 5:

PWR WNDW, Circuit Breaker, CRUISE SW, CRUISE, SUNROOF, HVAC BLOWER Fuses


Object Number: 869001  Size: FS
Master Electrical Component List
L/H BEC BATT1, AUX PWR/CIGAR, PARK LPS, PCM BATT, PWR MIRROR, DR LOCK, TRUNK REL/RFA/RADIO AMP Fuses, and PWR SEAT Circuit Breaker
PCM ACC and IPC/BFC ACC Fuses
IGN SW-BATT1, HTR A/C, ERLS and CRANK Fuses
SIR Caution for Zoning
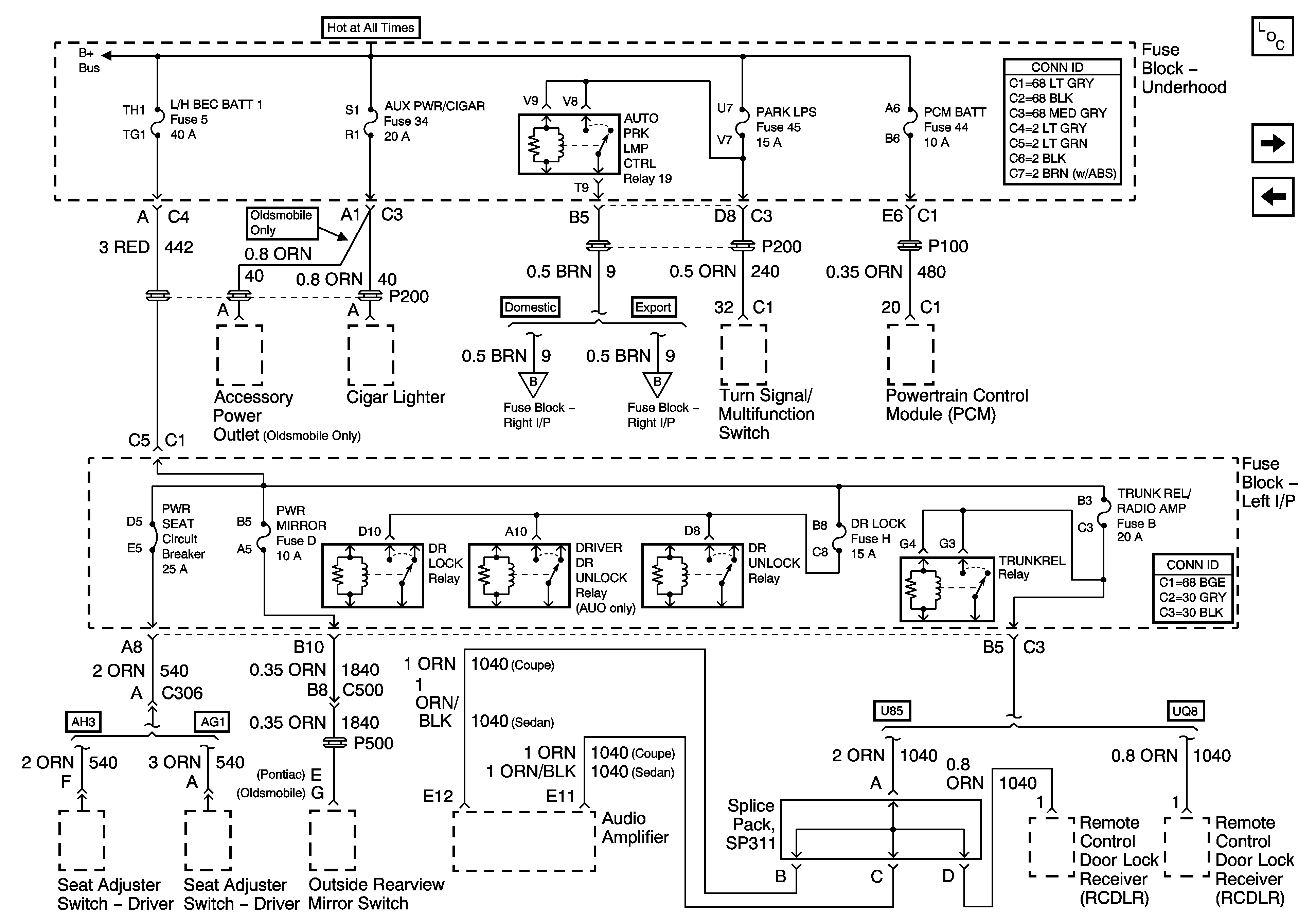
Figure 6:

L/H BEC BATT1, AUX PWR/CIGAR, PARK LPS, PCM BATT, PWR MIRROR, DR LOCK, TRUNK REL/RFA/Radio Amp Fuses, and PWR SEAT Circuit Breaker


Object Number: 869009  Size: FS
Master Electrical Component List
INST LPS Fuse
PWR WNDW, Circuit Breaker, CRUISE SW, CRUISE, SUNROOF, HVAC BLOWER Fuses
B+ Bus Bar
Park Lamps - Front
INST LPS Fuse
LT TAIL LP, RT TAIL LP and INST LPS Fuses - Export Only
Figure 7:

PCM ACC, IPC/BFC ACC Fuses


Object Number: 893522  Size: FS
Master Electrical Component List
PWR WNDW, Circuit Breaker, CRUISE SW, CRUISE, SUNROOF, HVAC BLOWER Fuses
IGN SW-BATT1, HTR-A/C, ERLS, CRANK Fuses
IGN SW-BATT1, HTR-A/C, ERLS, CRANK Fuses
Figure 8:

INST LPS Fuse


Object Number: 869015  Size: FS
Master Electrical Component List
LT TAIL LP, RT TAIL LP and INST LPS Fuses - Export Only
L/H BEC BATT1, AUX PWR/CIGAR, PARK LPS, PCM BATT, PWR MIRROR, DR LOCK, TRUNK REL/RFA/RADIO AMP Fuses, and PWR SEAT Circuit Breaker
L/H BEC BATT1, AUX PWR/CIGAR, PARK LPS, PCM BATT, PWR MIRROR, DR LOCK, TRUNK REL/RFA/RADIO AMP Fuses, and PWR SEAT Circuit Breaker
Figure 9:

LT TAIL LP, RT TAIL LP and INST LPS Fuses - Export Only


Object Number: 869018  Size: FS
Master Electrical Component List
RH HDLP, LH HDLP, GEN BATT, LH BEC BATT2, STOP LPS, HAZARD LPS, IPC/HVAC BATT, BFC BATT Fuses
INST LPS Fuse
L/H BEC BATT1, AUX PWR/CIGAR, PARK LPS, PCM BATT, PWR MIRROR, DR LOCK, TRUNK REL/RFA/RADIO AMP Fuses, and PWR SEAT Circuit Breaker
Figure 10:

RH HDLP, LH HDLP, GEN BATT, LH BEC BATT2, STOP LPS, HAZARD LPS, IPC/HVAC BATT, BFC BATT Fuses


Object Number: 869026  Size: FS
Master Electrical Component List
R/H BEC BATT, ABS, COOL FAN #2 GROUND (V6), INT LPS, RADIO BATT, FOG LPS Fuses
LT TAIL LP, RT TAIL LP and INST LPS Fuses - Export Only
B+ Bus Bar
Figure 11:

RH BEC BATT, ABS, COOL FAN (V6) GROUND, INT LPS, RADIO BATT, FOG LPS Fuses


Object Number: 869030  Size: FS
Master Electrical Component List
RH HDLP, LH HDLP, GEN BATT, LH BEC BATT2, STOP LPS, HAZARD LPS, IPC/HVAC BATT, BFC BATT Fuses
B+ Bus Bar
G103 and G105