GM Service Manual Online
For 1990-2009 cars only
Makes
🢒
Oldsmobile
🢒
2004
🢒
Alero
🢒
Transmission/Transaxle
🢒
Automatic Transaxle - 4T40-E/4T45-E
🢒 Automatic Transmission Controls Schematics
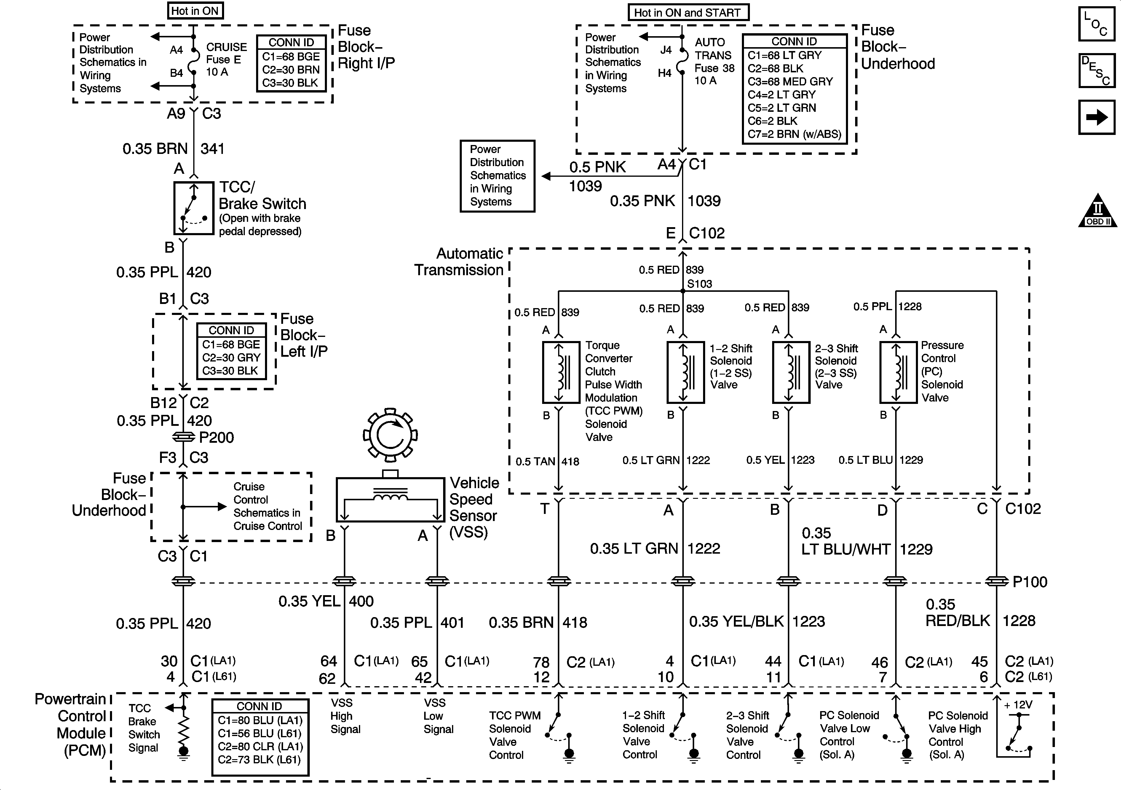
Figure
1:
Transmission Soleniods, VSS, and TCC Brake Switch Signal
Master Electrical Component List
Transmission Component and System Description
Transmission Switches, TFT, and A/T ISS Sensor
OBD II Symbol Description Notice
PWR WNDW, Circuit Breaker, CRUISE SW, CRUISE, SUNROOF, HVAC BLOWER Fuses
IGN SW-BATT2, AIR BAG, TURN LPS, IGN MOD, B/U LP/BTSI, PCM IGN, F/P INJR, A/C BFC, AUTO TRANS, ABS/EVO/IGN Fuses
IGN SW-BATT2, AIR BAG, TURN LPS, IGN MOD, B/U LP/BTSI, PCM IGN, F/P INJR, A/C BFC, AUTO TRANS, ABS/EVO/IGN Fuses
Power and Ground
Figure
2:
Transmission Switches, TFT, and A/T ISS Sensor
Master Electrical Component List
Transmission Component and System Description
PNP Switch
Transmission Solenoids, VSS and TCC Brake Switch Signal
OBD II Symbol Description Notice
Figure
3:
PNP Switch
Master Electrical Component List
Transmission Component and System Description
Transmission Switches, TFT, and A/T ISS Sensor
OBD II Symbol Description Notice
G102 and G104
G102 and G104