GM Service Manual Online
For 1990-2009 cars only

SMU - SECTION 8A - 11 - FUSE BLOCK

SUBJECT: SERVICE MANUAL UPDATE - SECTION 8A-11 - FUSE BLOCK/RELAY CENTER DETAILS

MODELS: 1995 BUICK RIVIERA 1995 OLDSMOBILE AURORA

THE ATTACHED ADDITIONAL PAGES FOR SECTION 8A-11 SHOULD BE ADDED TO THE 1995 SERVICE MANUAL.

PLEASE NOTE THESE ADDITIONAL PAGES FOR FUTURE REFERENCE.

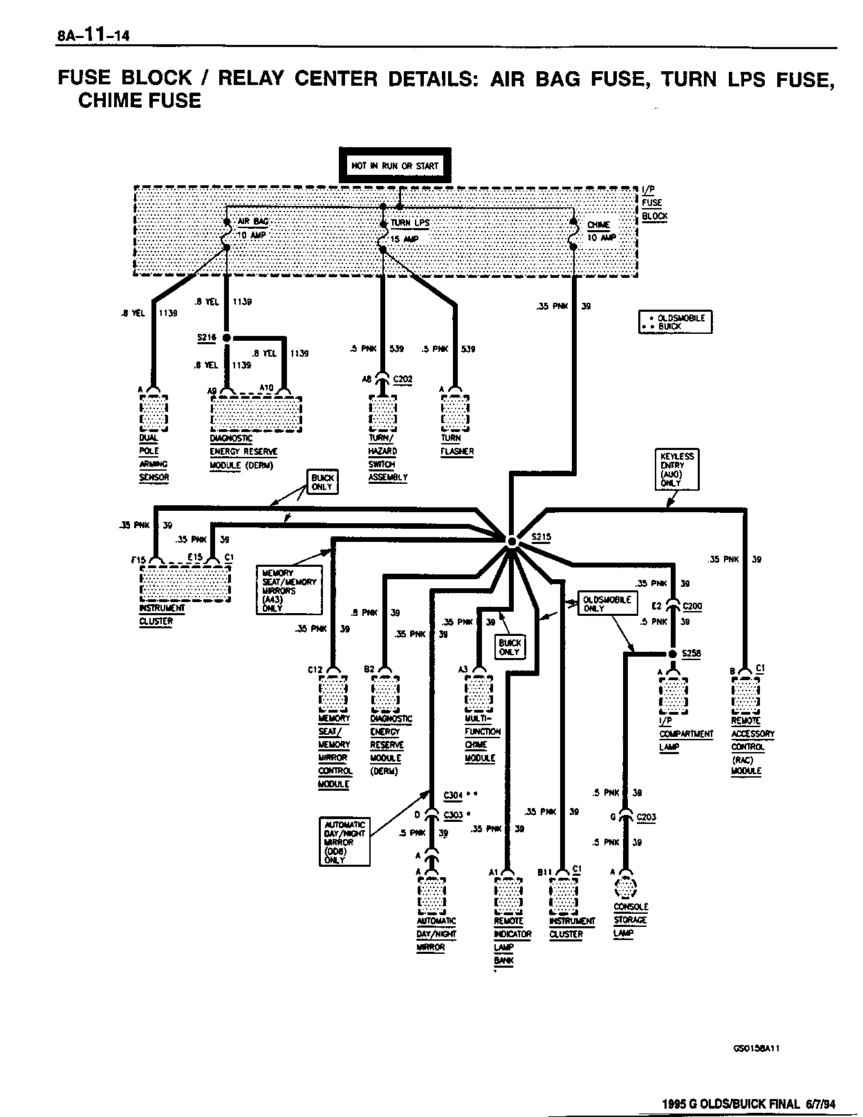
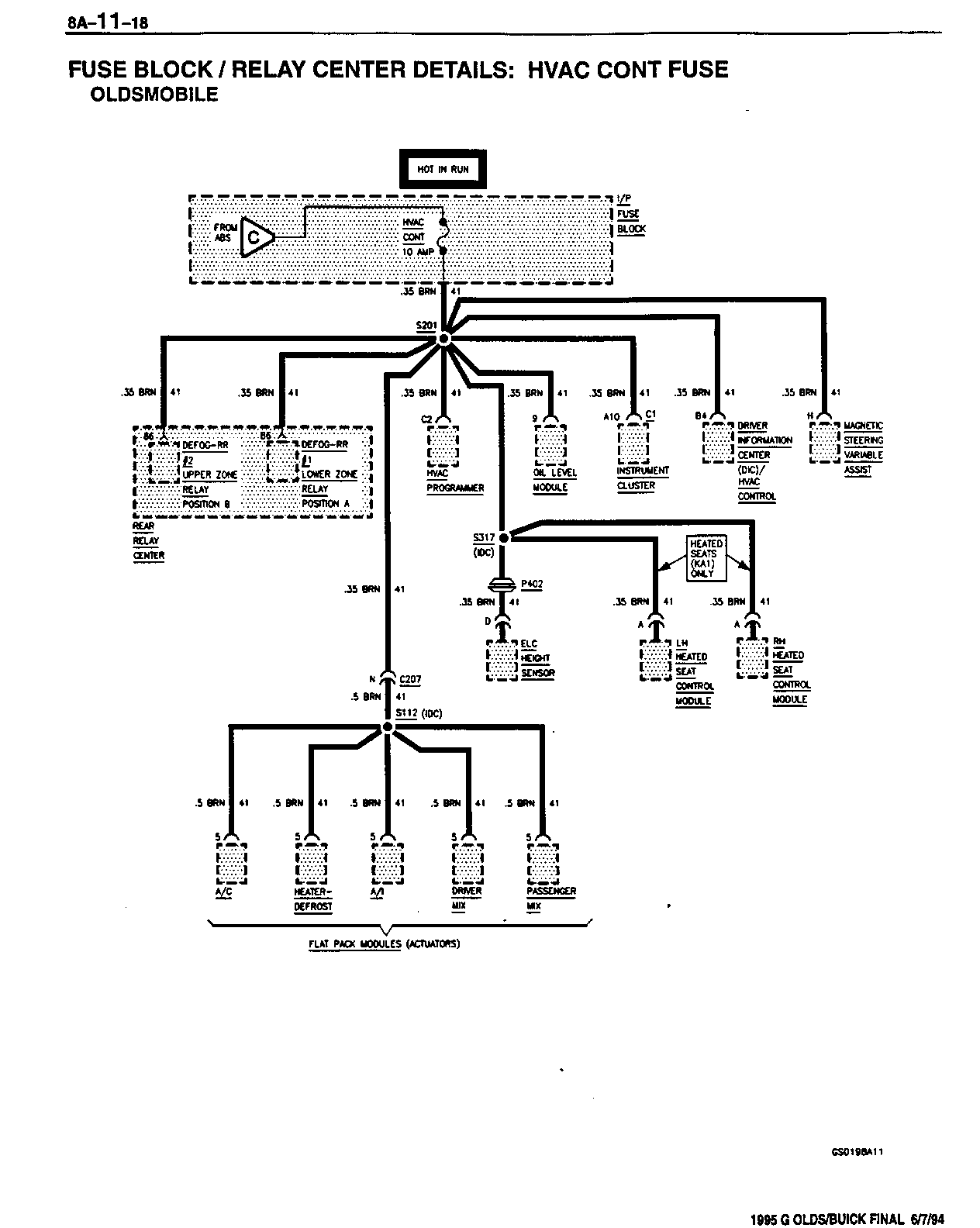
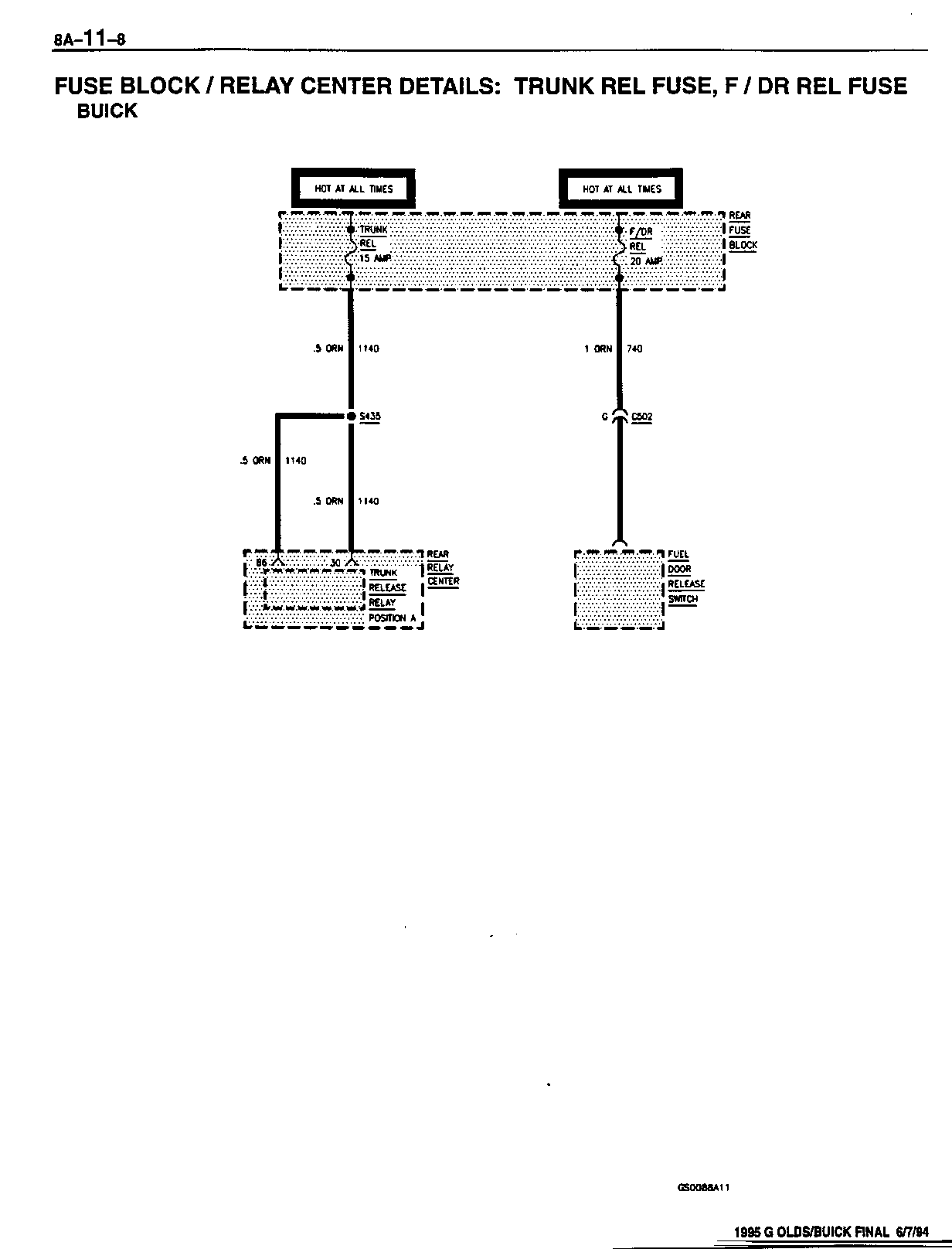
FIGURES: 0 ATTACHMENTS: 18


Object Number: 77199  Size: FS


Object Number: 81118  Size: FS


Object Number: 81117  Size: FS


Object Number: 77825  Size: FS


Object Number: 81116  Size: FS


Object Number: 78769  Size: FS


Object Number: 81115  Size: FS


Object Number: 81114  Size: FS


Object Number: 81113  Size: FS


Object Number: 81112  Size: FS


Object Number: 82921  Size: FS


Object Number: 81111  Size: FS


Object Number: 77824  Size: FS


Object Number: 81110  Size: FS


Object Number: 86787  Size: FS


Object Number: 81109  Size: FS


Object Number: 79886  Size: FS


Object Number: 169455  Size: FS

GENERAL MOTORS BULLETINS ARE INTENDED FOR USE BY PROFESSIONAL TECHNICIANS, NOT A "DO-IT-YOURSELFER". THEY ARE WRITTEN TO INFORM THOSE TECHNICIANS OF CONDITIONS THAT MAY OCCUR ON SOME VEHICLES, OR TO PROVIDE INFORMATION THAT COULD ASSIST IN THE PROPER SERVICE OF A VEHICLE. PROPERLY TRAINED TECHNICIANS HAVE THE EQUIPMENT, TOOLS, SAFETY INSTRUCTIONS AND KNOW-HOW TO DO A JOB PROPERLY AND SAFELY. IF A CONDITION IS DESCRIBED, DO NOT ASSUME THAT THE BULLETIN APPLIES TO YOUR VEHICLE, OR THAT YOUR VEHICLE WILL HAVE THAT CONDITION. SEE A GENERAL MOTORS DEALER SERVICING YOUR BRAND OF GENERAL MOTORS VEHICLE FOR INFORMATION ON WHETHER YOUR VEHICLE MAY BENEFIT FROM THE INFORMATION.

COPYRIGHT 1994 GENERAL MOTORS CORPORATION. ALL RIGHTS RESERVED.