GM Service Manual Online
For 1990-2009 cars only
Makes
🢒
Oldsmobile
🢒
1997
🢒
Aurora
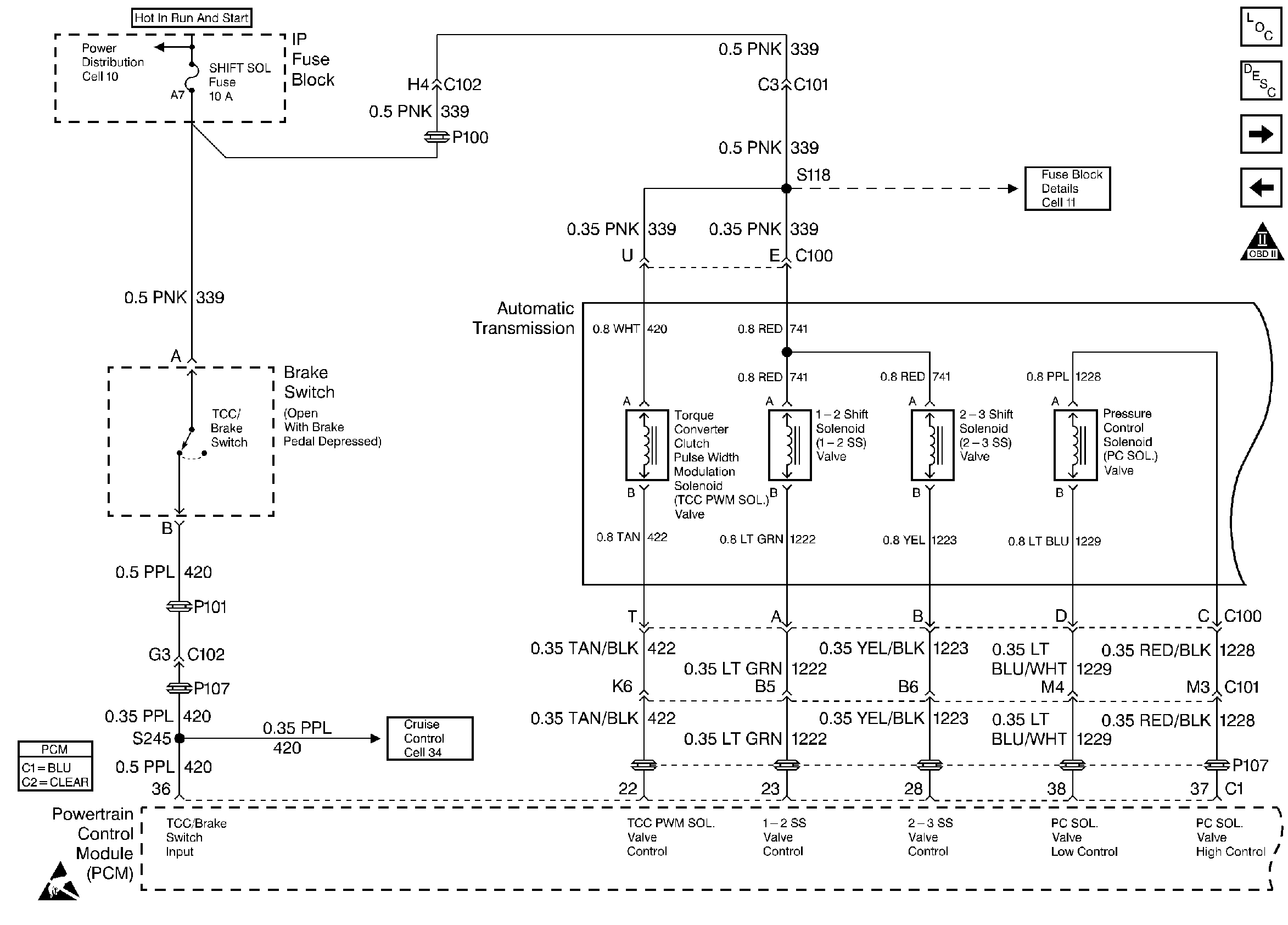
🢒 TCC Brake Switch and Transaxle (partial)
TCC Brake Switch and Transaxle (partial)
TCC Brake Switch and Transaxle (partial)
Transaxle (partial)
Stepper Motor Cruise Control (SMCC) and Vehicle Speed Sensor (VSS)
Engine Controls Components
OBD II Symbol Description Notice
ESD Notice