GM Service Manual Online
For 1990-2009 cars only
Makes
🢒
Oldsmobile
🢒
1999
🢒
Aurora
🢒
Body and Accessories
🢒
Stationary Windows
🢒 Defogger Schematics
Figure
1:
Cell 61: Rear Degogger Schematic (Buick)
HVAC Components
Rear Window Defogger Circuit Description
Ground Distribution Schematics
Ground Distribution Schematics
Handling ESD Sensitive Parts Notice
Handling ESD Sensitive Parts Notice
Power Distribution Schematics
Power Distribution Schematics
Power Distribution Schematics
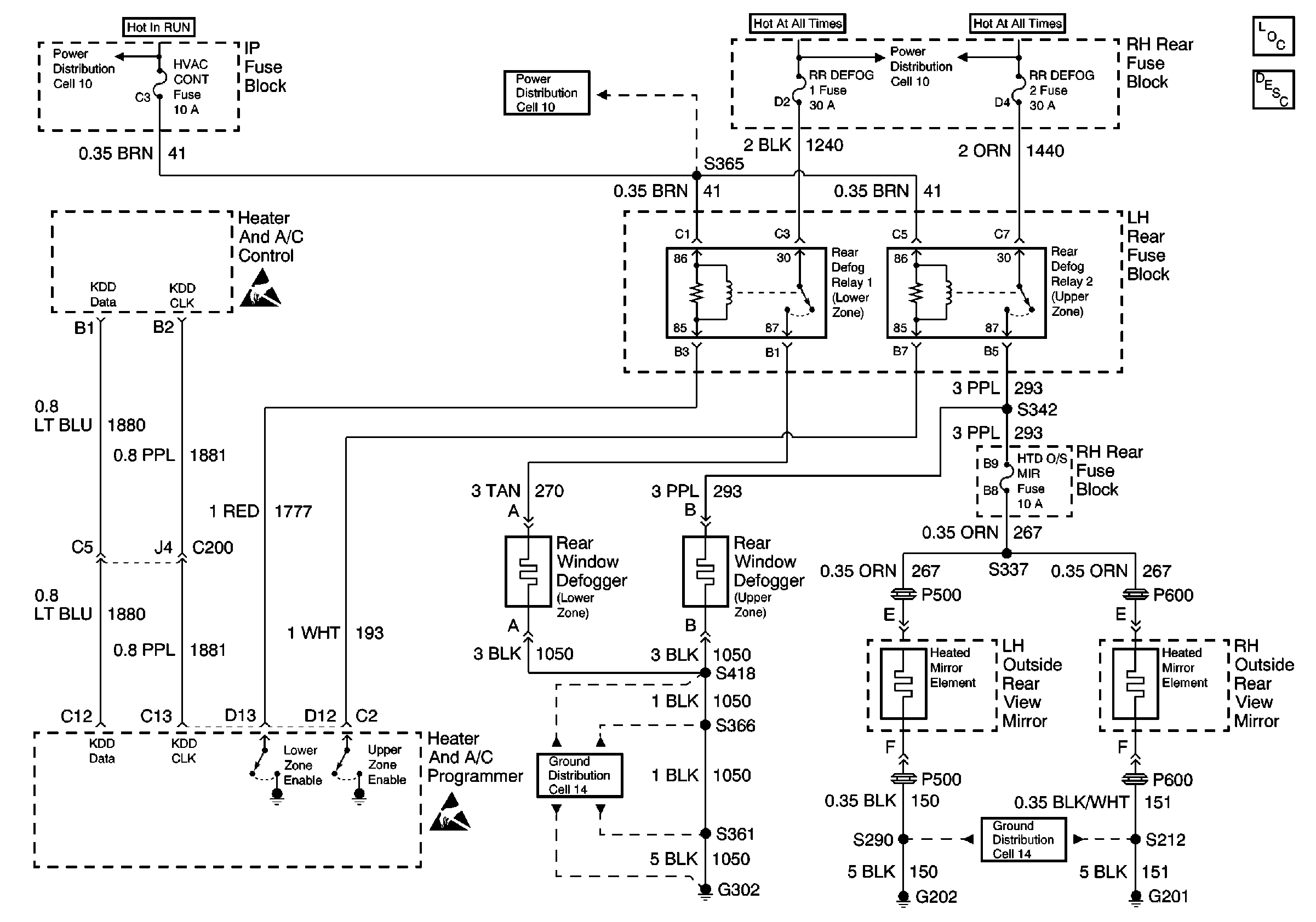
Figure
2:
Cell 61: Rear Defogger Schematic (Oldsmobile)
HVAC Components
Rear Window Defogger Circuit Description
Ground Distribution Schematics
Ground Distribution Schematics
Handling ESD Sensitive Parts Notice
Handling ESD Sensitive Parts Notice
Power Distribution Schematics
Data Link Connector Schematics
Power Distribution Schematics