GM Service Manual Online
For 1990-2009 cars only
Makes
🢒
Oldsmobile
🢒
1999
🢒
Aurora
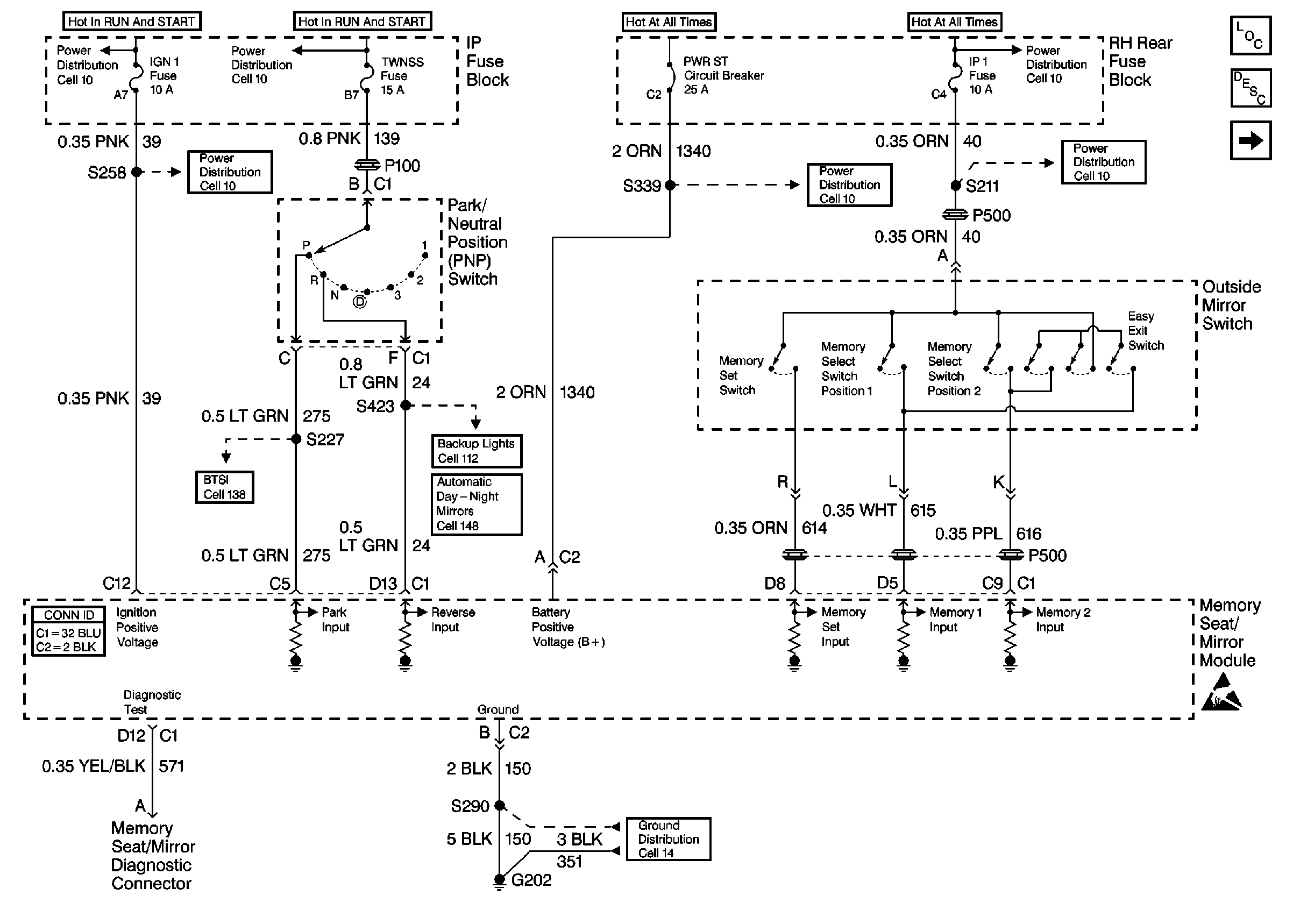
🢒 Cell 141: PWR, GND, LH Seat/Lock Switch and Memory Seat/Mirror Module
Cell 141: PWR, GND, LH Seat/Lock Switch and Memory Seat/Mirror Module
Cell 141: PWR, GND, LH Seat/Lock Switch and Memory Seat/Mirror Module
Power Seat Component Views
Memory Seat Circuit Description
Cell 141: LH Seat Switch
Power Distribution Schematics
Power Distribution Schematics
Power Distribution Schematics
Power Distribution Schematics
Power Distribution Schematics
Power Distribution Schematics
Cell 138: Buick
Backup Lamp Schematics Buick
Automatic Day-Night Mirrors Schematics Buick
Power Seat Connector End Views
Ground Distribution Schematics
Handling ESD Sensitive Parts Notice