GM Service Manual Online
For 1990-2009 cars only
Makes
🢒
Oldsmobile
🢒
2001
🢒
Aurora
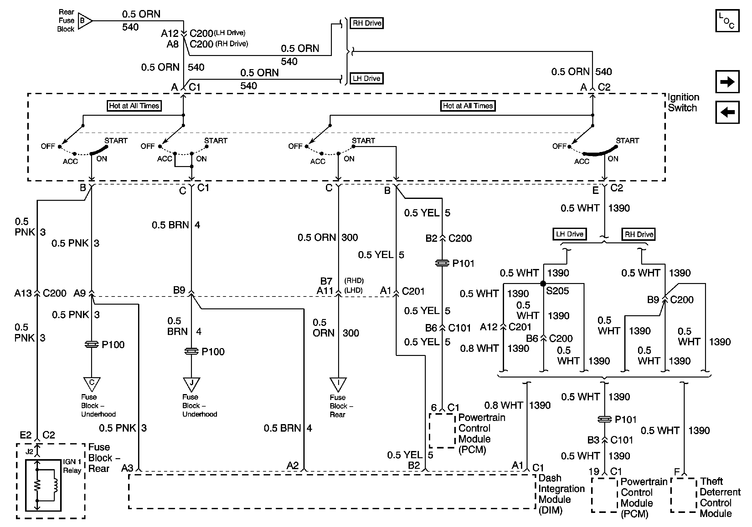
🢒 Ignition Switch
Ignition Switch
Ignition Switch
ELC, INJR 1, and INJR 2 Fuses
IGN SW and HTDST Fuses