GM Service Manual Online
For 1990-2009 cars only
Makes
🢒
Oldsmobile
🢒
2001
🢒
Aurora
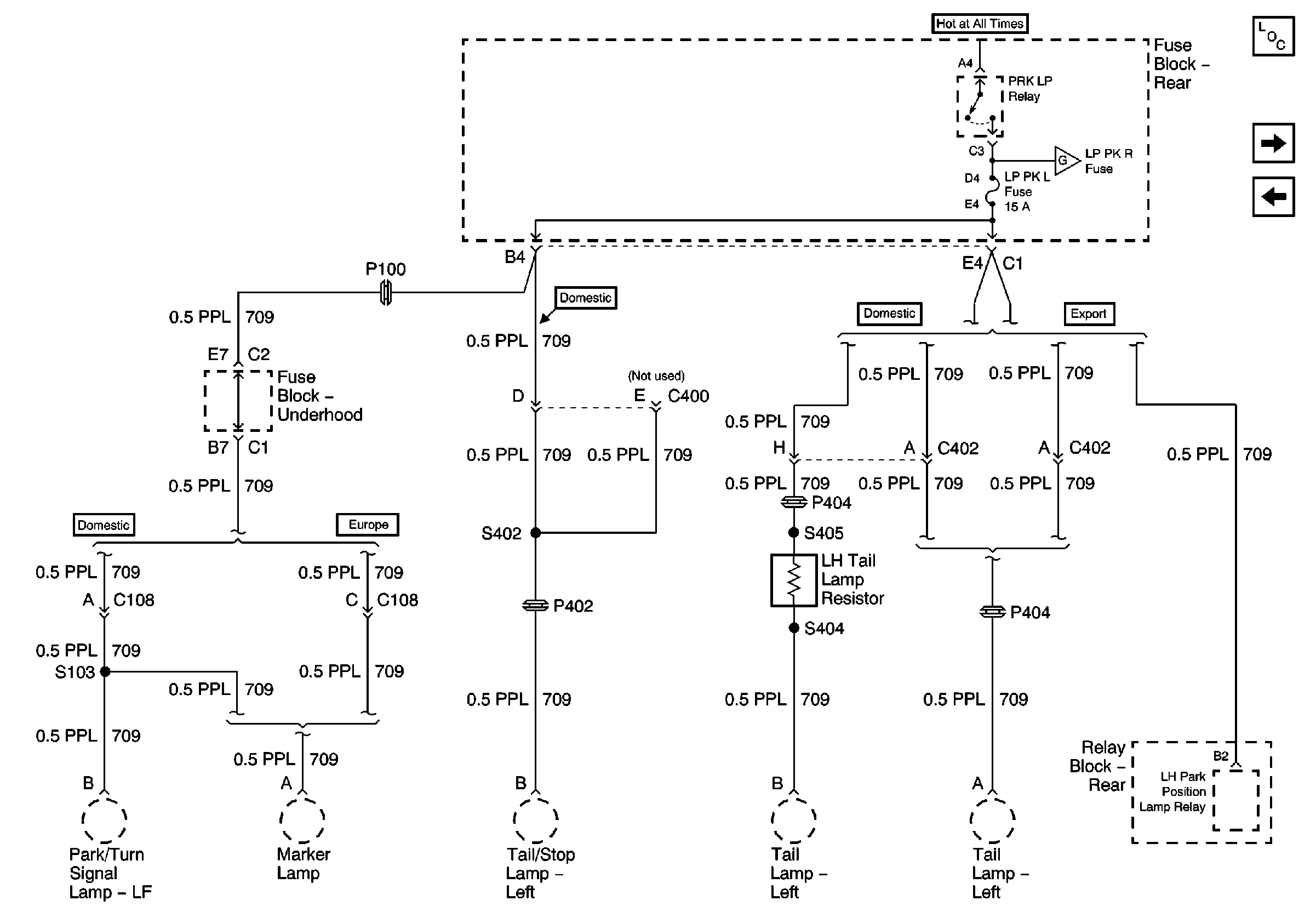
🢒 PRK LP Relay and PRK LP L Fuse
PRK LP Relay and PRK LP L Fuse
PRK LP Relay and PRK LP L Fuse
LP PK R Fuse
IGN 1 Fuse