GM Service Manual Online
For 1990-2009 cars only
Makes
🢒
Oldsmobile
🢒
2001
🢒
Aurora
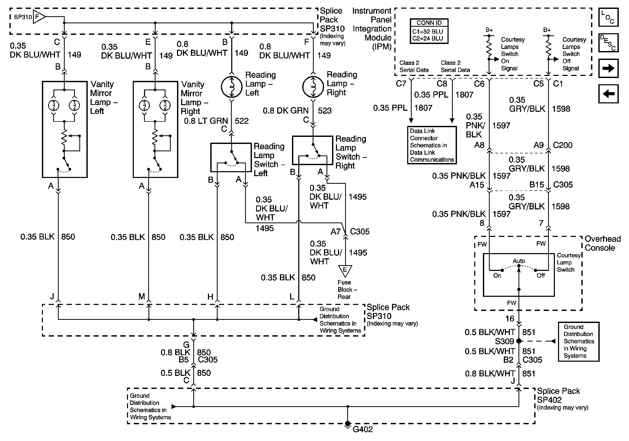
🢒 Vanity and Reading Lamps; Interior Lamp Switch
Vanity and Reading Lamps; Interior Lamp Switch
Vanity and Reading Lamps; Interior Lamp Switch
Master Electrical Component List
Interior Lighting Systems Description and Operation
Right Courtesy, Compartment, and Ignition Key Cylinder Lamps
Rear Compartment, Courtesy, and Overhead Console Lamps
G402 1 of 2
G402 1 of 2
G402 1 of 2
Interior Lamp Relays
Rear Compartment, Courtesy, and Overhead Console Lamps
Class 2 Serial Data Line (LH Drive) (1 of 2)