GM Service Manual Online
For 1990-2009 cars only

Tools Required

    • J 36660-A Torque Angle/Meter
    • J 44212 Camshaft Holding Tool
    • J 44213 Secondary Drive Timing Chain/Sprocket Holding Fixture

Removal Procedure

  1. Remove the right camshaft cover. Refer to Camshaft Cover Replacement - Right Side .
  2. Remove the camshaft position sensor. Refer to Camshaft Position Sensor Replacement in Engine Controls-4.0 L.

  3. Object Number: 517164  Size: SH
  4. Rotate the crankshaft to TDC of the # 1 cylinders compression stroke, both camshaft sprocket drive pins should be at the top of their rotation.

  5. Object Number: 650538  Size: SH

    Caution: The camshaft holding tools must be installed on the camshafts to prevent camshaft rotation. When performing service to the valve train and/or timing components, valve spring pressure can cause the camshafts to rotate unexpectedly and can cause personal injury.

  6. Install the J 44212 over the camshafts.

  7. Object Number: 749353  Size: SH
  8. Use an open end wrench on the hex cast into the camshafts in order to prevent the camshafts from rotating when removing the camshaft sprocket bolts.

  9. Object Number: 650548  Size: SH
  10. Remove the camshaft sprocket bolts.

  11. Object Number: 650550  Size: SH
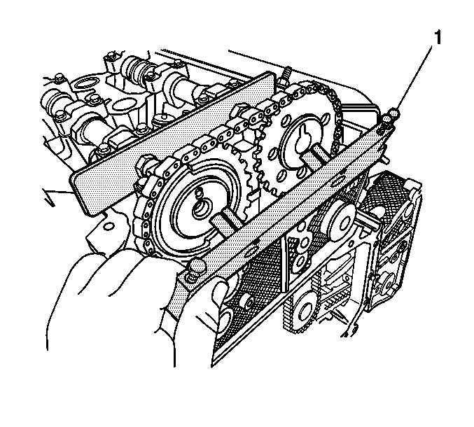
  12. Install the J 44213  (1) onto the front rail of the cylinder head.

  13. Object Number: 650540  Size: SH
  14. Remove the right secondary camshaft drive chain shoe access plug.

  15. Object Number: 650543  Size: SH
  16. Loosen the right secondary camshaft drive chain shoe bolt 2 full turns ONLY.

  17. Object Number: 650551  Size: SH
  18. Slide the intake and exhaust camshaft sprockets onto the pins of the J 44213 .

  19. Object Number: 591917  Size: SH
  20. Alternately loosen the camshaft bearing cap bolts a few turns at a time until all valve spring pressure has been released.
  21. Remove the camshaft bearing caps.
  22. Remove the J 44212 from the camshafts.

  23. Object Number: 591915  Size: SH
  24. Remove the camshafts.

  25. Object Number: 609694  Size: SH
  26. Remove the camshaft followers.
  27. Clean and inspect the camshafts. Refer to Camshaft Cleaning and Inspection .

Installation Procedure


    Object Number: 235196  Size: SH
  1. Apply a liberal amount of lubricant GM P/N 12345001 or equivalent to the roller pivot pocket (2) and valve slot areas (1) of the camshaft followers.

  2. Object Number: 591919  Size: SH

    Important: The follower must be positioned squarely on the valve tip so that the full width of the roller will completely contact the camshaft lobe. If the followers are being reused you must put them back in their original location.

  3. Place the camshaft followers in position on the valve tip and the stationary hydraulic lash adjusters (SHLA) (1). The rounded head of the follower goes on the SHLA, while the flat end goes on the valve tip.
  4. Clean the camshaft carriers with a clean, lint-free cloth.

  5. Object Number: 522844  Size: SH
  6. Apply a liberal amount of lubricant GM P/N 12345001 or equivalent to the camshaft carriers, camshaft lobes (1) and the camshaft journals (2).
  7. Place the camshaft in the camshaft carriers with the camshaft sprocket drive pins near the top of their rotation and the camshaft lobes in a neutral position. The camshafts can be identified by a stamping near the rear journal. For example: R-EXH is defined as Right bank Exhaust.

  8. Object Number: 53008  Size: SH
  9. Observe the markings on the camshaft bearing caps. Each camshaft bearing cap is marked in order to identify its location. The markings have the following meanings:
  10. • The arrow should point to the front of the engine.
    • The number indicates the position from the front of the engine.
    • The "E" indicates the exhaust camshaft.
    • The "I" indicates the Intake camshaft.
  11. Apply a liberal amount of lubricant GM P/N 12345001 or equivalent to the camshaft bearing caps.

  12. Object Number: 591917  Size: SH
  13. Install the camshaft bearing caps according to the identification marks.

  14. Object Number: 522839  Size: SH

    Notice: Use the correct fastener in the correct location. Replacement fasteners must be the correct part number for that application. Fasteners requiring replacement or fasteners requiring the use of thread locking compound or sealant are identified in the service procedure. Do not use paints, lubricants, or corrosion inhibitors on fasteners or fastener joint surfaces unless specified. These coatings affect fastener torque and joint clamping force and may damage the fastener. Use the correct tightening sequence and specifications when installing fasteners in order to avoid damage to parts and systems.

  15. Install the camshaft bearing cap bolts in sequence.
  16. Tighten

    1. Alternately hand tighten the camshaft bearing cap bolts a few turns at a time until all caps are fully seated.
    2. Tighten the camshaft bearing cap bolts to 5 N·m (44 lb in).
    3. Tighten the camshaft bearing cap bolts an additional 30 degrees using the J 36660-A .
  17. Align the camshafts.

  18. Object Number: 650538  Size: SH

    Caution: The camshaft holding tools must be installed on the camshafts to prevent camshaft rotation. When performing service to the valve train and/or timing components, valve spring pressure can cause the camshafts to rotate unexpectedly and can cause personal injury.

  19. Install the J 44212 over the camshafts.

  20. Object Number: 650551  Size: SH

    Important: Ensure the camshaft sprockets properly engage the camshaft sprocket drive pins and camshafts.

  21. Slide the intake and exhaust camshaft sprockets off the pins of the J 44213 and onto the pins of the camshafts.

  22. Object Number: 650543  Size: SH
  23. Tighten the right secondary camshaft drive chain shoe bolt.
  24. Tighten
    Tighten the secondary camshaft drive chain shoe bolt to 25 N·m (18 lb ft).


    Object Number: 650540  Size: SH
  25. Install the right secondary camshaft drive chain shoe access plug.
  26. Tighten
    Tighten the secondary camshaft drive chain shoe access plug to 4.5 N·m (40 lb in).


    Object Number: 650550  Size: SH
  27. Remove the J 44213  (1) from the front rail of the cylinder head, while carefully holding the camshaft sprockets against the camshafts.

  28. Object Number: 749353  Size: SH
  29. Use an open end wrench on the hex cast into the camshafts in order to prevent the camshafts from rotating when tightening the camshaft sprocket bolts.

  30. Object Number: 650548  Size: SH
  31. Install the camshaft sprocket bolts.
  32. Tighten
    Tighten the camshaft sprocket bolts to 120 N·m (89 lb ft).


    Object Number: 517164  Size: SH
  33. Verify the camshaft sprocket alignment.

  34. Object Number: 650538  Size: SH
  35. Remove the J 44212 from the camshafts.
  36. Install the camshaft position sensor. Refer to Camshaft Position Sensor Replacement in Engine Controls-4.0 L.
  37. Install the right camshaft cover. Refer to Camshaft Cover Replacement - Right Side .