GM Service Manual Online
For 1990-2009 cars only
Figure 1:

G100 and G102, LX5


Object Number: 391064  Size: FS
Master Electrical Component List
G100 and G102, L47
Figure 2:

G100 and G102


Object Number: 863346  Size: FS
Master Electrical Component List
G103
Figure 3:

G103


Object Number: 391114  Size: FS
Master Electrical Component List
G104 and G105, L47
G100 and G102, L47
Figure 4:

G104 and G105, L47


Object Number: 391118  Size: FS
Master Electrical Component List
G106, G107, and G101
G103
Figure 5:

G106, G107 and G101


Object Number: 765373  Size: FS
Master Electrical Component List
G200
G104 and G105, L47
Figure 6:

G200


Object Number: 765384  Size: FS
Master Electrical Component List
G201, 1 of 3
G106, G107, and G101
Figure 7:

G201 (1 of 2)


Object Number: 765389  Size: FS
Master Electrical Component List
G201, 2 of 3
G200
G201, 2 of 3
Figure 8:

G201 (2 of 2)


Object Number: 765393  Size: FS
Master Electrical Component List
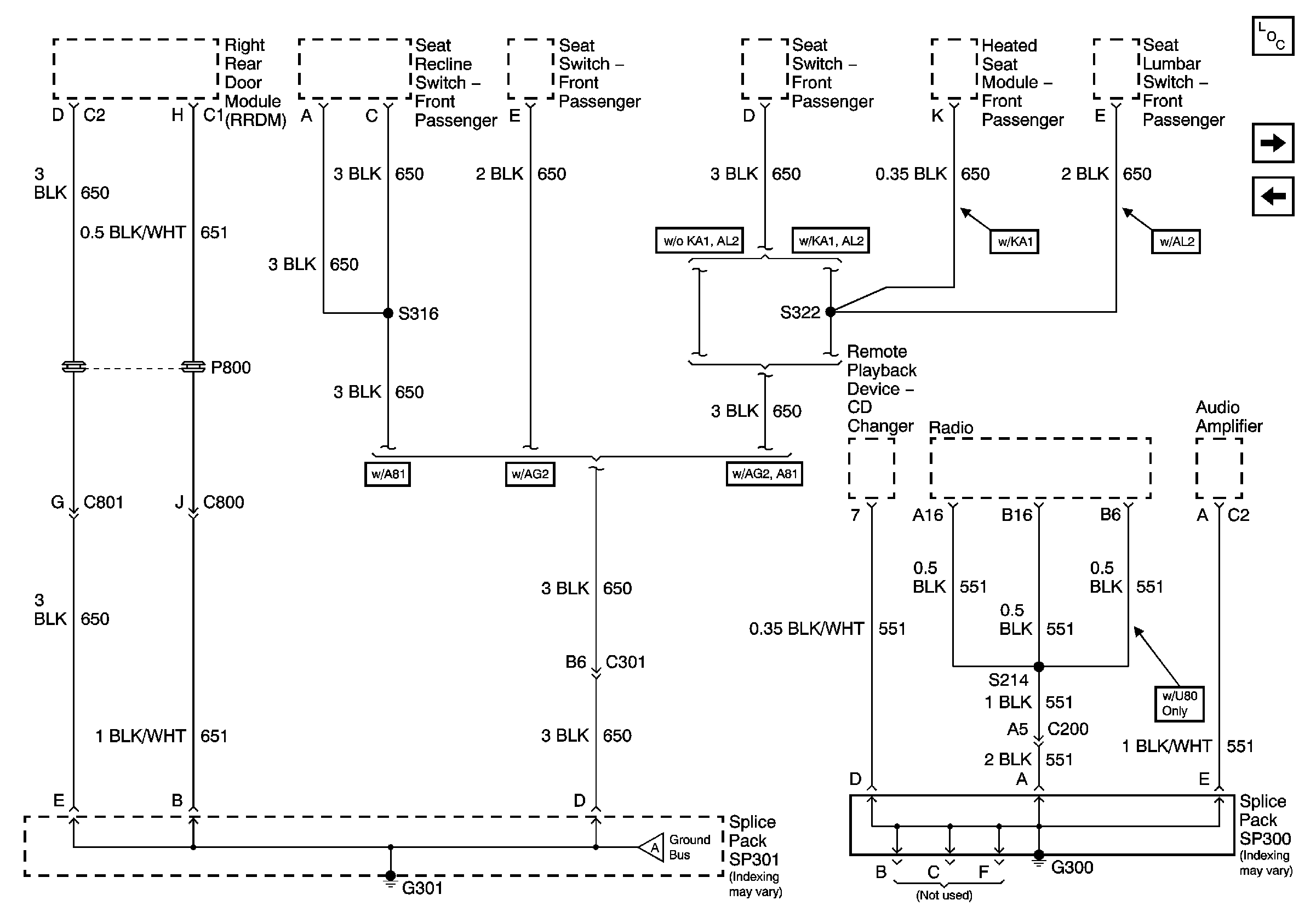
G300 and G301, 1 of 2
G201, 1 of 3
G201, 1 of 3
Figure 9:

G300 and G301 (1 of 2)


Object Number: 765396  Size: FS
Master Electrical Component List
G301, 2 of 2
G201, 2 of 3
Figure 10:

G301 (2 of 2)


Object Number: 391708  Size: FS
Master Electrical Component List
G302
G300 and G301, 1 of 2
Figure 11:

G302


Object Number: 406174  Size: FS
Master Electrical Component List
G303, G305, G310 and G404
G301, 2 of 2
Figure 12:

Battery, G303, G305, G310 and G404


Object Number: 765406  Size: FS
Master Electrical Component List
G401, 1 of 2
G302
Figure 13:

G401 (1 of 2)


Object Number: 765409  Size: FS
Master Electrical Component List
G401 (2 of 2)
G303, G305, G310 and G404
G401 (2 of 2)
Figure 14:

G401 (2 of 2)


Object Number: 863342  Size: FS
Master Electrical Component List
G402
G401, 1 of 2
G401, 1 of 2
Figure 15:

G402


Object Number: 765413  Size: FS
Master Electrical Component List
G401 (2 of 2)