GM Service Manual Online
For 1990-2009 cars only
Makes
🢒
Oldsmobile
🢒
1996
🢒
Bravada
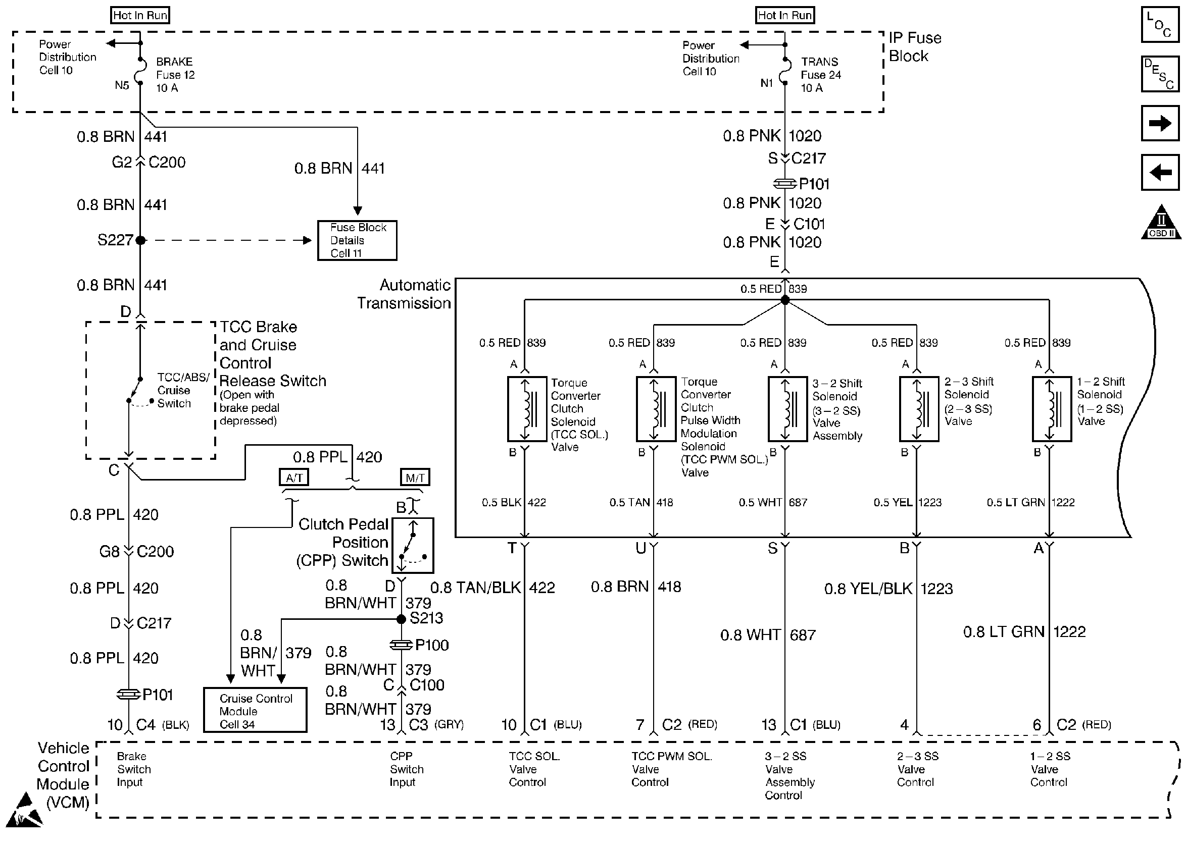
🢒 Transmission and the TCC
Transmission and the TCC
Transmission and the TCC
Handling ESD Sensitive Parts Notice
Engine Controls Components
Transmission Controls Overview
PC Solenoid
Cruise Control and the VSS
OBD II Symbol Description Notice