GM Service Manual Online
For 1990-2009 cars only

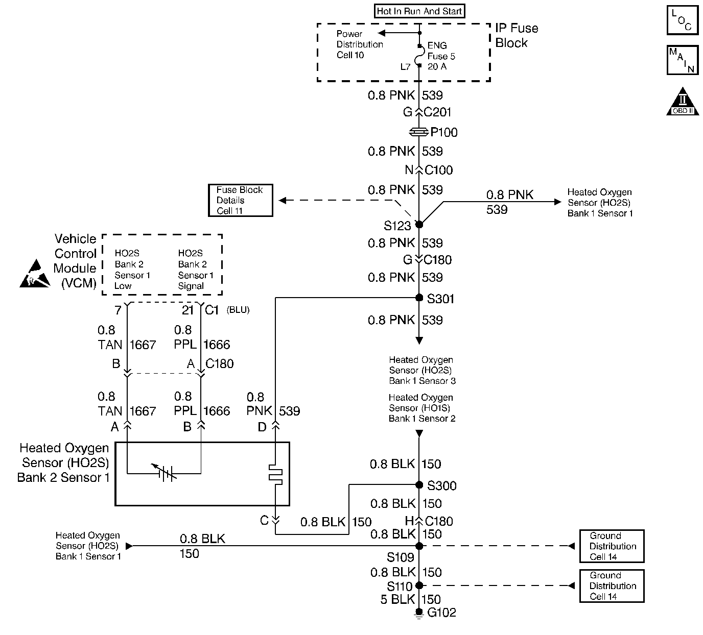
Object Number: 32491  Size: LF
Handling ESD Sensitive Parts Notice
Engine Controls Components
Heated Oxygen Sensors
OBD II Symbol Description Notice

Circuit Description

The VCM supplies a voltage of approximately 0.45 volt (45 mV) between the HO2S High and the HO2S Low circuit.

Important: If the voltage is measured with a 10 megohm digital voltmeter, the voltage may read as low as 0.32 volt. The Heated Oxygen Sensor (HO2S) varies the voltage from approximately 1.0 volt (1000 mV) during rich conditions to 0.10 volt (100 mV) during lean conditions.

When the HO2S temperature is below 360°C (600°F), the sensor will not produce any voltage. The sensor will behave like an open circuit. This will result in an Open Loop operation.

The HO2S heater provides for a faster sensor warm-up which allows the sensor to become active in a shorter period of time and remain active during a long extended idle. The DTC P0155 determines if the HO2S heater is functioning properly by monitoring the amount of time necessary for the HO2S to become active after start-up. This DTC is a type B DTC.

Conditions for Setting the DTC

The following conditions will set the DTC:

  1. The System Voltage is greater than 9 volts but less than 17 volts
  2. The MAF is less than 27 grams per second
  3. The Engine Coolant Temperature (ECT) is less than 32°C (90°F)
  4. The Intake Air Temperature (IAT) is less than 32°C (90°F)
  5. The difference between the ECT sensor and the IAT sensor is no more than 5°C (41°F)
  6. The time for the HO2S (Bank 2, Sensor 1) in order to obtain ±150 mV from 450 mV is too great

Action Taken When the DTC Sets

With a current DTC set, the VCM turns ON the MIL after 2 consecutive test failures.

Conditions for Clearing the MIL/DTC

The VCM turns OFF the MIL after 3 consecutive driving trips without a fault condition present. A history DTC will clear if no fault conditions have been detected for 40 warm-up cycles (the coolant temperature has risen 22°C (40°F) from the start-up coolant temperature and the engine coolant temperature exceeds 71°C (160°F) during that same ignition cycle) or the scan tool clearing feature has been used.

Diagnostic Aids

Check for the following conditions:

    • A poor connection
    • A damaged harness: Inspect harness connectors for the following situations:
       - Backed out terminals
       - Improper mating
       - Broken locks
       - An improperly formed or damaged terminal
       - A poor terminal to wire connection
       - A damaged harness

Never solder the HO2S wires. For a proper wire and connector repair, refer to Wiring Repairs in Engine Electrical.

Test Description

The numbers below refer to the step numbers in the diagnostic table.

  1. This step determines if the DTC P0155 is the result of a hard failure or an intermittent condition. With the ignition ON and the engine off, the HO2S (Bank 2, Sensor 1) voltage displayed on the scan tool should gradually change to 0.150 volt, indicating that the heater is working properly. The HO2S voltage can rise as high as 975 mV before it toggles back down. The main thing to look for is a change.

  2. Probing terminal D of the HO2S (Bank 2, Sensor 1) connector verifies if voltage is available to the HO2S (Bank 2, Sensor 1) heater.

  3. If voltage is available at the connector, then it becomes a good voltage source to check for a ground at terminal C.

  4. This step determines if voltage is not available at the HO2S (Bank 2, Sensor 1) due to an open fuse or open ignition feed circuit. If the fuse is open, determine if it was due to a short in the ignition feed circuit before replacing the fuse.

Step

Action

Value(s)

Yes

No

1

Important:  Before clearing the DTCs, use the scan tool to record the Freeze Frame and the Failure Records for reference. This data will be lost when the Clear Info function is used.

Was the Powertrain On-Board Diagnostic (OBD) System Check performed?

--

Go to Step 2

Go to Powertrain On Board Diagnostic (OBD) System Check

2

  1. Install a scan tool.
  2. Turn ON the ignition leaving the engine off.
  3. Monitor the HO2S (Bank 2, Sensor 1) sensor using the scan tool.

Does the voltage displayed gradually decrease by the specified value?

0.150 V (150 mV)

Go to Step 5

Go to Step 3

3

  1. Disconnect the HO2S (Bank 2, Sensor 1) sensor electrical connector.
  2. With a test lamp connected to ground, probe the terminal D of the connector (engine harness side).

Is the test lamp on?

--

Go to Step 4

Go to Step 6

4

Connect a test lamp between terminals C and D of the HO2S (Bank 2, Sensor 1) sensor connector.

Is the test lamp on?

--

Go to Step 7

Go to Step 8

5

The DTC is intermittent. If no additional DTCs are stored, refer to the Diagnostic Aids. If additional DTCs are stored, refer to those tables.

Are any additional DTCs stored?

--

Go to The Applicable DTC Table

Go to Step 6

6

Check for an open in the HO2S (Bank 2, Sensor 1) sensor fuse.

Is the HO2S (Bank 2, Sensor 1) fuse open?

--

Go to Step 14

Go to Step 9

7

Check the connections at the H02S (Bank 2, Sensor 1) sensor.

Was a problem found?

--

Go to Step 12

Go to Step 15

8

Check connections at H02S (Bank 2, Sensor 1) sensor.

Was a problem found?

--

Go to Step 12

Go to Step 10

9

Check connections at H02S (Bank 2, Sensor 1).

Was a problem found?

--

Go to Step 12

Go to Step 11

10

Repair the open HO2S (Bank 2, Sensor 1) sensor ground circuit. Refer to Wiring Repairs in Engine Electrical.

Is the action complete?

--

Go to Step 16

--

11

Check for an open at the HO2S (Bank 2, Sensor 1) sensor ignition feed circuit.

Was a problem found?

--

Go to Step 13

--

12

Repair the faulty connection. Refer to Wiring Repairs in Engine Electrical.

Is the action complete?

--

Go to Step 16

--

13

Repair the open in the HO2S (Bank 2, Sensor 1) sensor ignition feed circuit. Refer to Wiring Repairs in Engine Electrical.

Is the action complete?

--

Go to Step 16

--

14

Repair the short to ground in the HO2S (Bank 2, Sensor 1) sensor ignition feed circuit and replace fuse. Refer to Wiring Repairs in Engine Electrical.

Is the action complete?

--

Go to Step 16

--

15

Replace the HO2S (Bank 2, Sensor 1) sensor. Refer to Heated Oxygen Sensor (HO2S) Replacement .

Is the action complete?

--

Go to Step 16

--

16

  1. Using the scan tool, select the DTC and the Clear Info.
  2. Start the Engine.
  3. Idle at the normal operating temperature.
  4. Select the DTC and the Specific.
  5. Enter the DTC number which was set.
  6. Operate the vehicle within the conditions for setting this DTC as specified in the supporting text.

Does the scan tool indicate that this diagnostic ran and passed?

--

Go to Step 17

Go to Step 2

17

Using the scan tool, select the Capture Info and the Review Info.

Are any DTCs displayed that have not been diagnosed?

--

Go to The Applicable DTC Table

System OK