GM Service Manual Online
For 1990-2009 cars only
Figure 1:

ECM B, ECM I and GAUGES Fuses, Ground, Generator and MIL


Object Number: 669480  Size: FS
Master Electrical Component List
Powertrain Control Module Description
CLSTR and 4WD Fuses
ECM B Fuse and Horn, Rear Defogger Relays
ECM I Fuse
Power and Ground
Ign RUN and START Bus Bar
Power and Ground
G103 and G105 (4.3 L)
G103 and G105 (4.3 L)
Figure 2:

CLSTR and 4WD Fuses


Object Number: 669485  Size: FS
Master Electrical Component List
Powertrain Control Module Description
Data Link Connector (DLC)
ECM B, ECM I and GAUGES Fuses, Ground, Generator and MIL
OBD II Symbol Description Notice
Ign ACC, RUN and RAP Bus Bar
Power and Ground
CRANK and CLSTR Fuses
Transfer Case Shift Control Switch
Power, Ground and Transfer Case Encoder Motor
Front Axle Indicator Switch and Powertrain Control Module (PCM)
Power and Ground
Power, Ground and Transfer Case Encoder Motor
CRANK Fuse, Front Axle Indicator Switch, and Front Axle Vacuum Solenoid
CRANK and CLSTR Fuses
Class 2 Communication
Figure 3:

Data Link Connector (DLC)


Object Number: 669488  Size: FS
Master Electrical Component List
Powertrain Control Module Description
Engine Sensors (Pickup)
CLSTR and 4WD Fuses
OBD II Symbol Description Notice
INT BATT Fuse
Except Envoy
G200, G201 and G207 (Pickup and Crew Cab)
G103 and G105 (4.3 L)
G103 and G105 (4.3 L)
G103 and G105 (4.3 L)
G103 and G105 (4.3 L)
G103 and G105 (4.3 L)
Power, Ground, Transfer Case Shift Control Module and Vehicle InterfacE Unit (VIU)
SP201 (2.2L)
Figure 4:

Engine Sensors (Pickup)


Object Number: 669491  Size: FS
Master Electrical Component List
Powertrain Control Module Description
Engine Sensors (Utility)
Data Link Connector (DLC)
OBD II Symbol Description Notice
SP201 (2.2L)
Fuel Level Sensor
Figure 5:

Engine Sensors (Utility)


Object Number: 669493  Size: FS
Master Electrical Component List
Powertrain Control Module Description
Heated Oxygen Sensors
Engine Sensors (Pickup)
OBD II Symbol Description Notice
Fuel Level Sensor
Figure 6:

Heated Oxygen Sensors


Object Number: 669498  Size: FS
Master Electrical Component List
Powertrain Control Module Description
MAF Sensor and IAC Valve
Engine Sensors (Utility)
OBD II Symbol Description Notice
Ign RUN and START Bus Bar
G104 and G117
G102 (Except Export)
Figure 7:

MAF Sensor and IAC Valve


Object Number: 669499  Size: FS
Master Electrical Component List
Powertrain Control Module Description
Vehicle Speed Sensor (VSS)
Heated Oxygen Sensors
OBD II Symbol Description Notice
EGR and EVAP Valves
Ign RUN and START Bus Bar
G103 and G105 (4.3 L)
Figure 8:

Vehicle Speed Sensor (VSS)


Object Number: 669501  Size: FS
Master Electrical Component List
Powertrain Control Module Description
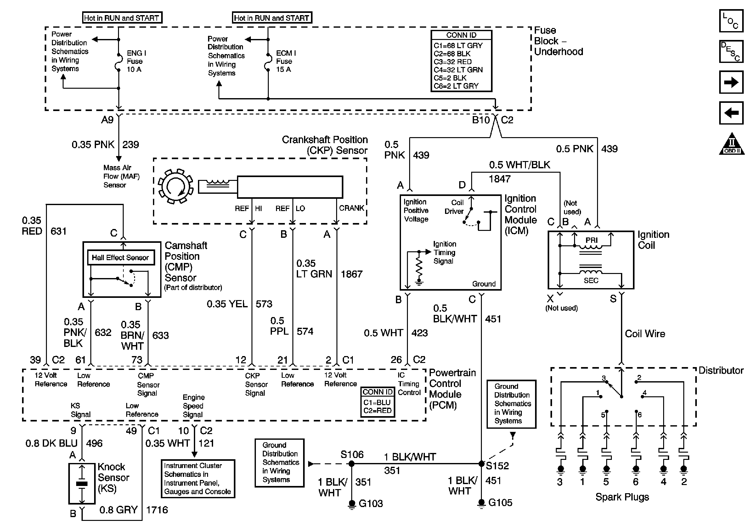
Ignition Controls
MAF Sensor and IAC Valve
OBD II Symbol Description Notice
Heated Oxygen Sensors
Speed Sensors
Speed Sensors
G104 and G117
Figure 9:

Ignition Controls


Object Number: 669502  Size: FS
Master Electrical Component List
Powertrain Control Module Description
Fuel Pump Controls
Vehicle Speed Sensor (VSS)
OBD II Symbol Description Notice
Ign RUN and START Bus Bar
ECM I Fuse
MAF Sensor and IAC Valve
Indicators
G103 and G105 (4.3 L)
G103 and G105 (4.3 L)
Figure 10:

Fuel Pump Controls


Object Number: 669595  Size: FS
Master Electrical Component List
Powertrain Control Module Description
Fuel Injection Controls
Ignition Controls
OBD II Symbol Description Notice
ECM B Fuse and Horn, Rear Defogger Relays
G102 (Except Export)
G402 and G421 (Utility)
Park and License Lamps, Rear (Utility)
Heated Oxygen Sensors
Figure 11:

Fuel Injection Controls


Object Number: 669603  Size: FS
Master Electrical Component List
Powertrain Control Module Description
Fuel Level Sensor
Fuel Pump Controls
OBD II Symbol Description Notice
ECM I Fuse
Figure 12:

Fuel Level Sensor


Object Number: 669593  Size: FS
Master Electrical Component List
Powertrain Control Module Description
EGR and EVAP Valves
Fuel Injection Controls
OBD II Symbol Description Notice
Engine Sensors (Pickup)
Engine Sensors (Utility)
Figure 13:

EGR and EVAP Valves


Object Number: 669610  Size: FS
Master Electrical Component List
Powertrain Control Module Description
Secondary AIR Pump Control
Fuel Level Sensor
OBD II Symbol Description Notice
MAF Sensor and IAC Valve
Ign RUN and START Bus Bar
Figure 14:

Secondary AIR Pump Control


Object Number: 669611  Size: FS
Master Electrical Component List
Powertrain Control Module Description
Manual A/C Compressor Control
EGR and EVAP Valves
OBD II Symbol Description Notice
Ign RUN and START Bus Bar
B+ Bus Bar
B+ Bus Bar
Figure 15:

Manual A/C Compressor Control


Object Number: 669612  Size: FS
Master Electrical Component List
Powertrain Control Module Description
Automatic A/C Compressor Control
Secondary AIR Pump Control
OBD II Symbol Description Notice
HTD SEAT, ATC, HVAC and A/C Fuses
IGN E Fuse and A/C Compressor, Rear Defogger, DRL Relays
Ign ACC, RUN and RAP Bus Bar
G102 (Except Export)
Heated Oxygen Sensors
G103 and G105 (4.3 L)
Blower Controls (RPO C42)
Figure 16:

Automatic A/C Compressor Control


Object Number: 669618  Size: FS
Master Electrical Component List
Powertrain Control Module Description
Brake Switch Input
Manual A/C Compressor Control
OBD II Symbol Description Notice
B+ Bus Bar
IGN E Fuse and A/C Compressor, Rear Defogger, DRL Relays
G102 (Except Export)
Heated Oxygen Sensors
SP201 (4.3L)
G103 and G105 (4.3 L)
Figure 17:

Brake Switch Input


Object Number: 669619  Size: FS
Master Electrical Component List
Powertrain Control Module Description
Vehicle Speed Signal, Transfer Case Shift Control Module and 4WD IndicatOr Switch
Automatic A/C Compressor Control
OBD II Symbol Description Notice
Power and Ground
Clutch Pedal Position Switch, Stoplamp Switch, PCM and Cruise Control Module
Figure 18:

Vehicle Speed Signal, Transfer Case Shift Control Module and 4WD Indicator Switch


Object Number: 669621  Size: FS
Master Electrical Component List
Powertrain Control Module Description
Automatic Transmission and PNP Switch Inputs
Brake Switch Input
OBD II Symbol Description Notice
w/o Trip Computer
Seat Belt Switch, Headlamp Ambient Light Sensor and PCM
Class 2 Communication
Figure 19:

Automatic Transmission and PNP Switch Inputs


Object Number: 669622  Size: FS
Master Electrical Component List
Powertrain Control Module Description
Automatic Transmission Valve Controls
Vehicle Speed Signal, Transfer Case Shift Control Module and 4WD IndicatOr Switch
OBD II Symbol Description Notice
G103 and G105 (4.3 L)
Figure 20:

Automatic Transmission Valve Controls


Object Number: 669624  Size: FS
Master Electrical Component List
Powertrain Control Module Description
Automatic Transmission and PNP Switch Inputs
OBD II Symbol Description Notice
Power and Ground
Column/Ignition Lock Schematics (Standard)