GM Service Manual Online
For 1990-2009 cars only

Secondary Air Injection Pump Replacement 2WD

Removal Procedure

  1. Raise the vehicle. Refer to Lifting and Jacking the Vehicle in General Information.

  2. Object Number: 372939  Size: SH
  3. Remove the AIR shield mounting bolts.

  4. Object Number: 372933  Size: SH
  5. Remove the AIR shield.

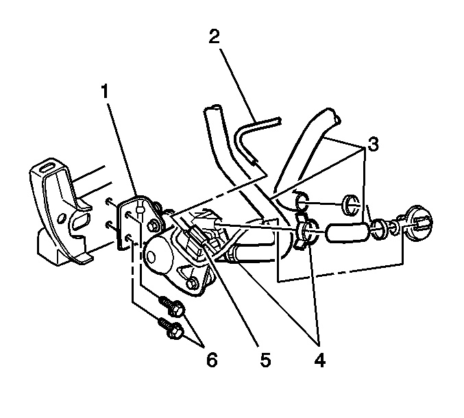
  6. Object Number: 820806  Size: SH
  7. Remove the spring clamps (4).
  8. Remove the air injection reactor pump hoses (3) from the pump assembly (1).
  9. Disconnect the AIR pump and solenoid electrical connectors.
  10. Disconnect the vacuum hose (2) from the solenoid (5).
  11. Remove the AIR pump mounting bolts (6).
  12. Remove the AIR pump assembly (1).

Installation Procedure


    Object Number: 820806  Size: SH
  1. Align the AIR pump bracket with the mounting holes.
  2. Notice: Use the correct fastener in the correct location. Replacement fasteners must be the correct part number for that application. Fasteners requiring replacement or fasteners requiring the use of thread locking compound or sealant are identified in the service procedure. Do not use paints, lubricants, or corrosion inhibitors on fasteners or fastener joint surfaces unless specified. These coatings affect fastener torque and joint clamping force and may damage the fastener. Use the correct tightening sequence and specifications when installing fasteners in order to avoid damage to parts and systems.

  3. Install the AIR pump mounting bolts (6).
  4. Tighten
    Tighten the bolts to 17 N·m (13 lb ft).

  5. Connect the AIR pump and solenoid electrical connectors.
  6. Connect the AIR injection reactor pump hoses (3) to the pump assembly (1).
  7. Install the hose spring clamps (4).
  8. Connect the vacuum hose (2) to the solenoid (5).

  9. Object Number: 372933  Size: SH
  10. Align the AIR shield.

  11. Object Number: 372939  Size: SH
  12. Install the AIR shield mounting bolts.
  13. Tighten
    Tighten the bolts to 33 N·m (24 lb ft).

  14. Lower the vehicle. Refer to Lifting and Jacking the Vehicle in General Information.

Secondary Air Injection Pump Replacement 4WD

Removal Procedure

  1. Raise the vehicle. Refer to Lifting and Jacking the Vehicle in General Information.

  2. Object Number: 325346  Size: SH
  3. Remove the retaining bolts from the steering linkage shield.

  4. Object Number: 325348  Size: SH
  5. Remove the steering linkage shield.

  6. Object Number: 820806  Size: SH
  7. Remove the spring clamps (4).
  8. Remove the air injection reactor pump hoses (3) from the pump assembly (1).
  9. Disconnect the AIR pump and solenoid electrical connectors.
  10. Disconnect the vacuum hose (2) from the solenoid (5).
  11. Remove the AIR pump mounting bolts (6).
  12. Remove the AIR pump assembly (1).

Installation Procedure


    Object Number: 820806  Size: SH
  1. Align the AIR pump bracket with the mounting holes.
  2. Notice: Use the correct fastener in the correct location. Replacement fasteners must be the correct part number for that application. Fasteners requiring replacement or fasteners requiring the use of thread locking compound or sealant are identified in the service procedure. Do not use paints, lubricants, or corrosion inhibitors on fasteners or fastener joint surfaces unless specified. These coatings affect fastener torque and joint clamping force and may damage the fastener. Use the correct tightening sequence and specifications when installing fasteners in order to avoid damage to parts and systems.

  3. Install the AIR pump mounting bolts (6).
  4. Tighten
    Tighten the bolts to 17 N·m (13 lb ft).

  5. Connect the AIR pump and solenoid electrical connectors.
  6. Connect the AIR injection reactor pump hoses (3) to the pump assembly (1).
  7. Install the hose spring clamps (4).
  8. Connect the vacuum hose (2) to the solenoid (5).

  9. Object Number: 325348  Size: SH
  10. Align the steering linkage shield.

  11. Object Number: 325346  Size: SH
  12. Install the linkage shield mounting bolts.
  13. Tighten
    Tighten the bolts to 33 N·m (24 lb ft).

  14. Lower the vehicle. Refer to Lifting and Jacking the Vehicle in General Information.