GM Service Manual Online
For 1990-2009 cars only
Makes
🢒
Oldsmobile
🢒
2001
🢒
Bravada
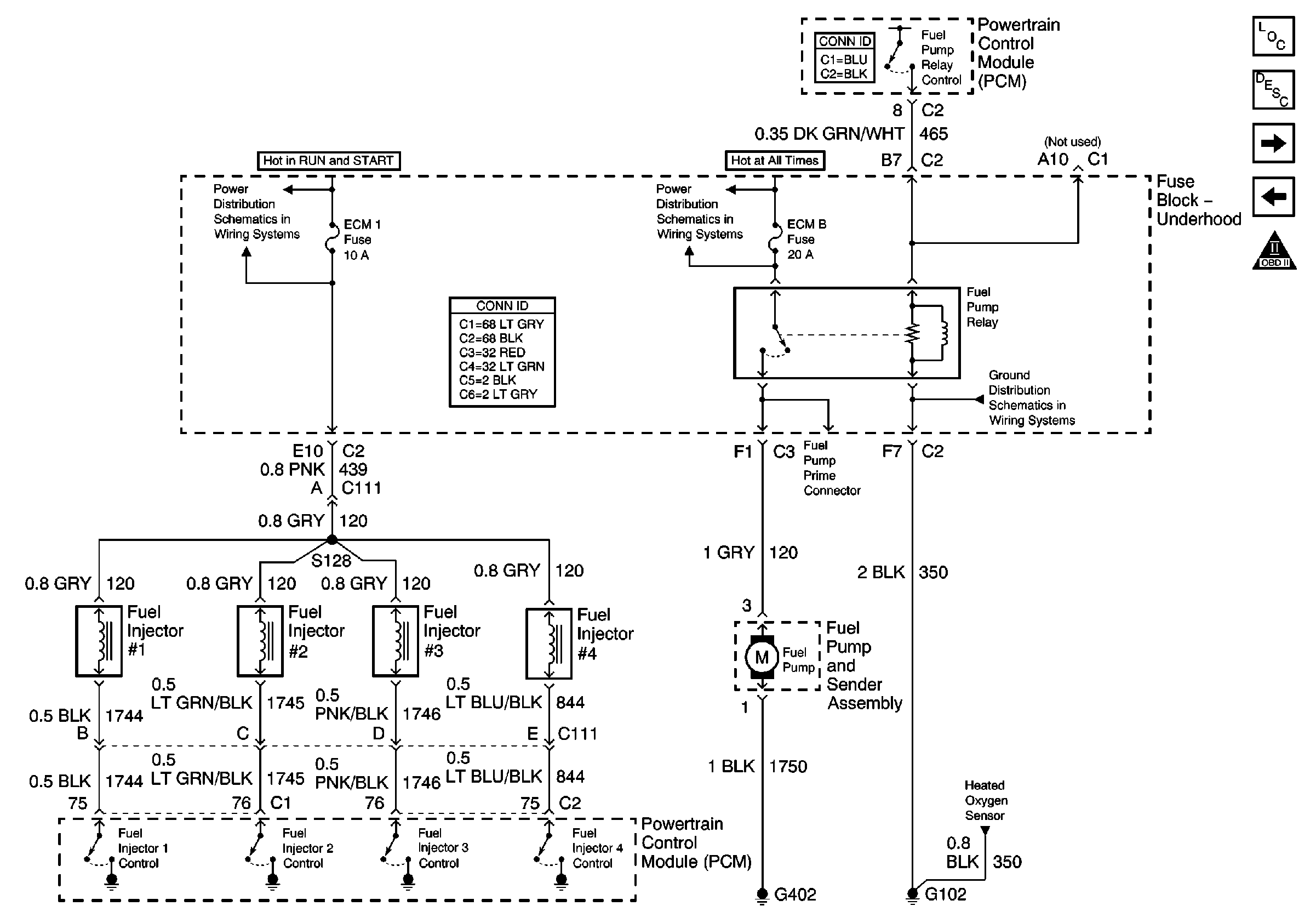
🢒 Fuel Injectors and Fuel Pump
Fuel Injectors and Fuel Pump
Fuel Injectors and Fuel Pump
Master Electrical Component List
Powertrain Control Module Description
Fuel Level and Fuel Tank Pressure Sensors
Ignition Controls
OBD II Symbol Description Notice
ECM I Fuse
ECM B Fuse and Horn, Rear Defogger Relays
G102 (Except Export)
Oxygen Sensors